焊机派发烧友自制环绕声解码器时,总是首先希望使用杜比定向逻辑、杜比AC-3等杜比实验室专利技术产品。的确,在环绕声编码、解码的技术领域,杜比实验室的系列专利技术处于主导地位。但是近年来,SRS Labs QSound Labs.Inc.及DTS等新一代高技术公司异军突起,在音频信号处理、听音心理学等领域做了大量卓有成效的统计、研究和开发工作,其各自的专利技术构思独特、效果明显,专利器件的使用也方便快捷,一般不需太复杂的认证过程,而杜比实验室因对其专利器件的使用有非常繁复严格的规定和要求,故国内专门供应焊机派发烧友用的杜比解码板仅其名称、性能介绍上就支吾含混,能否达到杜比标准显然是未知数。
本文要介绍的是图1所示的使用加拿大QSound Labs.Inc.音频技术实验室QSurround专利技术的大规模集成电路QS7785PF/CF 2→5.1声道解码器。它可以将2声道的普通立体声音乐信号或杜比定向逻辑及DVD(AC-3编码)输出的立体声音乐信号转换成前左FL、前右FR、中置C、环绕左SL、环绕右SR、超重低音SW多声道信号输出,它还可以对3D环绕声声场作程度不同的扩展控制,甚至还可以把单声道信号经计算处理转换成全方位的环绕声。

由于杜比定向逻辑解码器的环绕左SL和环绕右SR实际上取自同一信号S,因此侧后方的声像移动表现能力受到很大限制,容易发生声像聚焦不良及声音轨迹不明的毛病,QS7785解码器能将SL和SR分开,使侧后方声像解析力大大增强。
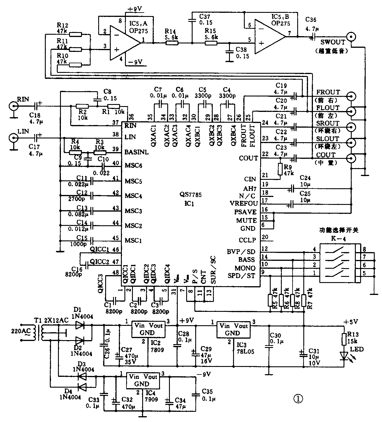
QS7785PF/CF集成电路为48脚QFP封装,功能控制分串、并行两种,QS7785PF是三线串行控制,QS7785CF是I\(^{2}\)C总线控制,但均可接成并行控制,由开关通过选择高H、低L电平来确定其工作方式。
在QS7785 2→5.1声道解码器电路中(见图1),QS7785由两路稳压电源供电,V\(_{ANA}\)端为内部模拟电路电源,工作电压范围5V~13V,推荐值为9V;⑦脚VDIG端为内部数字电路电源,工作电压范围4.5V~5.5V,推荐值为5V。⑧脚P/S端接高电平5V时,QS7785处于并行工作方式,其工作状态(功能不同)与功能选择开关K-4所处位置有关,其逻辑关系见附表。

图1解码器输出的超重低音信号Subwoofer,可由有源超重低音音箱重放。
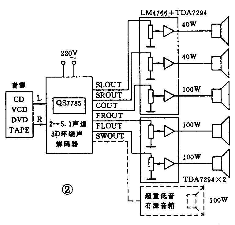
发烧友使用图1解码器建立自己的家庭影院音响系统时,标准用法是2→5声道(及2→5.1声道)用法,系统配置示意图见图2。前左FL和前右FR用一台TDA7294×2的100W×2功放驱动(有关M7294集成功放的介绍见《无线电》1998年第8期),若发烧友家中已有100W×2立体声功放,则可用于FL、FR驱动;中置C和环绕左SL、环绕右SR用TDA7294与美国NS公司最新优质立体声集成功放LM4766组成的功率为100W+40W×2的三声道功放驱动;有源超重低音音箱备选,其连接和摆放见图2中虚线所示。

对于拥有两台立体声功放或不考虑使用中置音箱的发烧友,解码器可提供4声道(或4.1声道)用法,系统配置见图3。中置信号由QS7785输出经R9进入,在集成电路内部分成两部分后,与前左FL、前右FR信号相加,并由FL、FR音箱重放,这种接法可省去中置放大及音箱。注意:在5或5.1声道使用时应去掉R9。是否使用有源超重低音音箱、可根据自身条件与喜好确定。像图3那样组成的4声道360度全方位3D环绕声系统,放音效果已非常不错。

对QS7785解码器进行试听并与杜比定向逻辑声效作比较:使用图2系统接法,信号源为先锋515型DVD机,对比参考功放为雅马哈DSP2090,音箱为5只KEFQ15。信号源选用热门大片《国家敌人》DVD版,一开始播放片头,两种解码方式便体现出不同风味,YAMAHA 2090的杜比定向逻辑解码器声场较为慎密、浑厚,而QS7785与TDA7294、LM4766的组合的声场开扬、细腻;片尾男主人公冒险带敌至黑帮巢穴,凝固至冰点的空气中乱枪突发,这是一截由静到极点跳跃为爆到极点的精彩片段:男主人公呼吸声、枪声、人声、杯碟飞溅声……能全面考察系统弱信号和强信号的表现能力,此时QS7785解码器声场清楚而连续,整个杀戮空间的高度感强烈、细节清晰;而YAMAHA2090强信号尚可,空间解析力便略欠,后半个声场较模糊。
对本文图1所示的2→5.1声道3D环绕声解码器和 TDA7294、LM4766以及超重低音有源音箱感兴趣的读者,请见本期插页广告1999-10-3。(朱广皓)