此报警器主机用无线方式将报警信息传送给分机。分机接收后视情况遥控主机起动、灭火、报警等。
本机为多片集成电路,接收采用二次混频,晶体振荡,工作性能稳定,无工作点漂移现象。
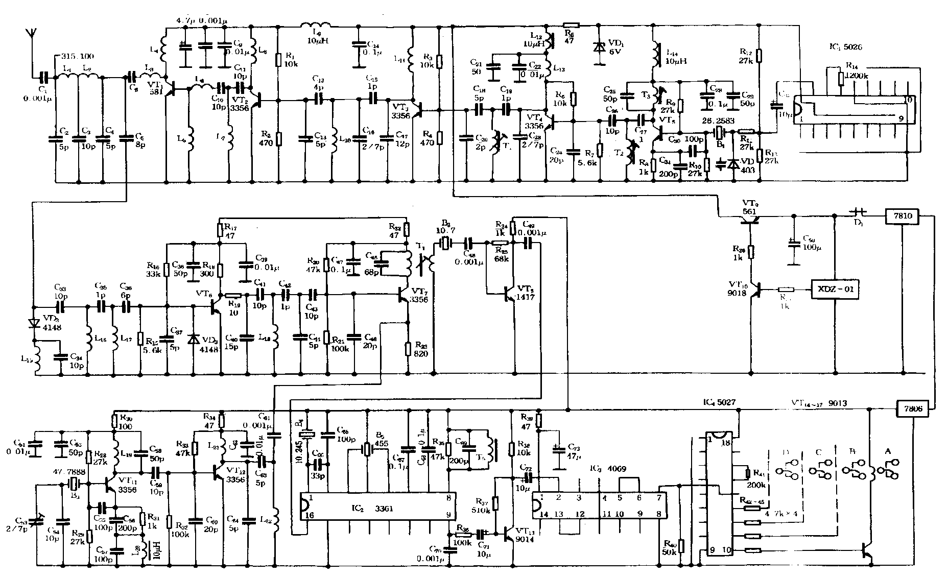
主机发射部分工作原理见附图。有振动信号时经XDZ-01振动传感器收取后,C端有高电平输出,使VT10 b极产生偏置电压。VT10工作,给VT9 b极提供偏置电压,VT9ec结导通,发射电路工作。IC1编码信号经B1调制到VT5,使其振荡3次倍频输入给VT4,VT4、VT3各两次倍频后,经VT2放大后推动VT1将无线电信号发出。分机收到解码信号后经放大、混频、中放解调推动报警电路。

主机接收部分工作原理:分机接收到主机报警编码信号后,视情况控制分机发射部分起动、灭火、车门等(即ABCD键)。主机接收到从天线进来的信号后经C5、C33、C35、C36、VT6将信号放大输入给混频级VT7,混频级VT7将VT6接收的信号和VT11、VT12的振荡信号、混频差频后的10.7MHz信号经B2滤波、VT8放大给IC2。信号在IC2内部再次混频后从9脚输出,由VT13放大、IC3整形、IC4解码后,VT14~VT17推动继电器工作。继电器的触点分别控制启动、灭火、关闭等。
分机电路和主机电路相似,只是没有触发电路。
主机的安装:主机分接收部分和发射部分,两部分安装距离要大于20cm。四周尽量无金属屏蔽,如仪表盘壳内上端,座位靠背内部,越远离金属效果越好。接通接收机正负电源引线。ABC引线分别控制起动、灭火、报警、车门等。传感器安装在车门或车前外壳上。发射机电源负极接电瓶负极,正极接接收机控制引线C端,如A起动、B无线报警开机、C关车门或有线报警等。D为ABC的关机键。
分机的使用:分机电源采用两种电池,7号1.5V电池两节供接收,Ф20mm纽扣3.6V电池两个供发射。发射控制主机时根据需要直接按ABCD键即可。分机顶部开关是接收时用的,不用时关掉。分机接收到报警信号时会发出嘀嘀声,直到主人听到声音关机时为止。
遵化市无线电厂供:此报警器批价280元/套,零售价380元/套。单向报警接收机BP机型批价128元/套,零售价185元/套。单向BP机接收、主机有扩音,警报声报警批价185元/套,零售价285元/套。
地址:河北省遵化市西二环北路31号,电话:0315-6614622,邮编:064200,联系人:陈俊远。(陈俊远)