M65831是日本三菱公司开发的高性能卡拉OK数字混响集成块,在同类系列产品中,它所带的内存容量大(达48K),而且与M65830AP、M65830AFP、M65834P、M65834FP兼容,所以被广泛应用在各种高保真卡拉OK系统中。它有两种控制方式:一种是简单控制方式(用4只2进制开关设定16种延迟时间,不能随意调整延迟时间,非常麻烦且不直观),另一种是单片机控制方式。
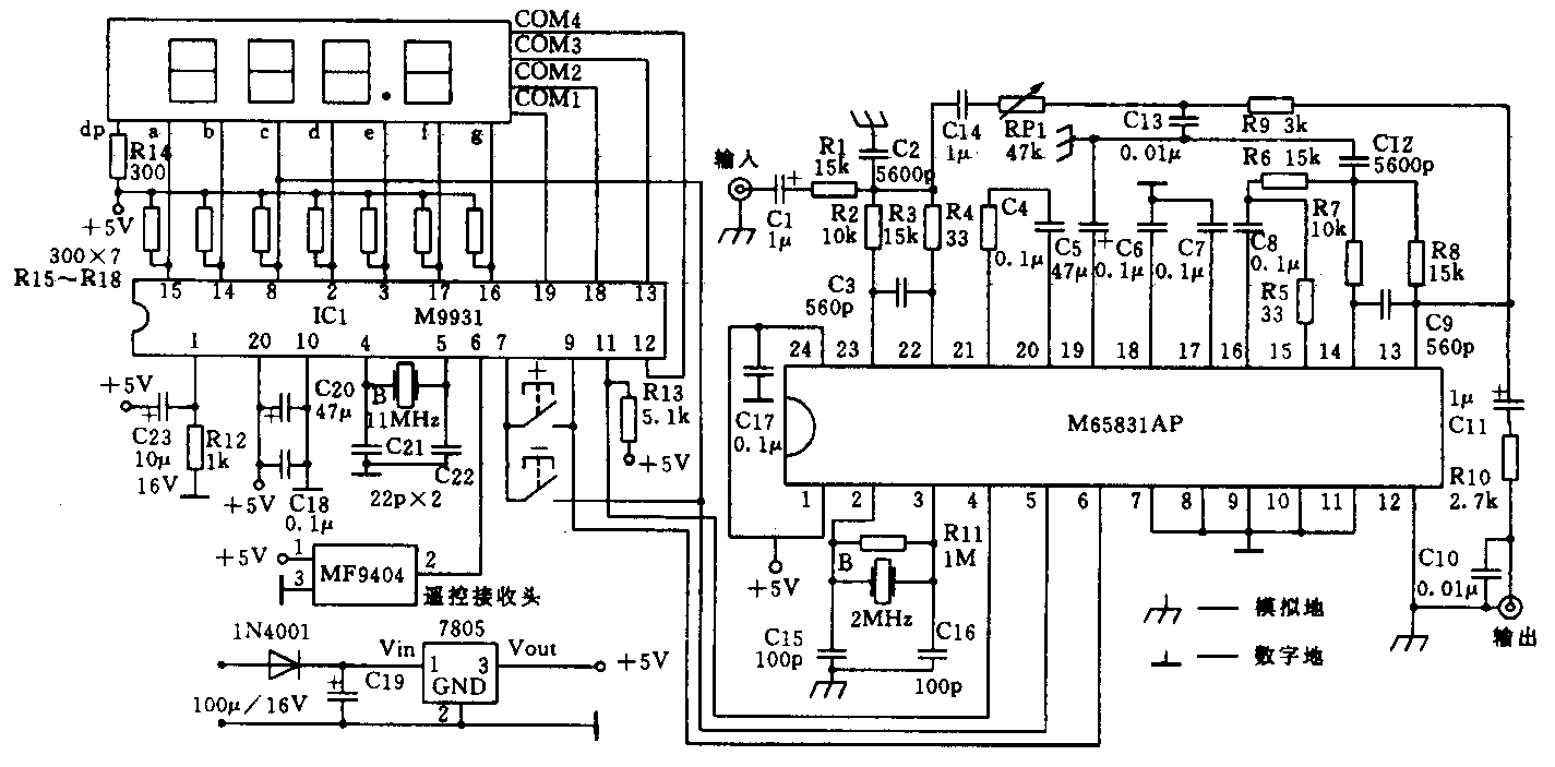
本文介绍一款采用新型高性能单片机制作的M65831电控板,通过18键MF9848型遥控手机上的VOLUME+和VOLUME-两个键遥控选择或电控板上的两个按键手动选择延迟时间。采用动态扫描方式,用四位LED直观显示实际的延迟时间,并通过单片机接口把设置延迟时间的数据传送给M65831,使它产生相应的混响效果,从12.3ms到196.6ms分16挡进行高精度控制,按键可循环操作及长按时能自动步进,极大地方便了用户实际使用,可在任何带65831电路的机器上改装,使用遥控功能不破坏原机面板。有关电控板的详细原理见附图。

因为采用了单片机,所以也可很好地实现以下两个功能:当用户的原机不具备任何遥控功能时,可将电控板配套的18键遥控器剩余的16个键用于改装原机实现全遥控;当用户的原机具备全遥控或部分遥控功能时,可将原遥控器挤出1~2个按键用于和电控板配合来控制65831电路。(张国鹏)