本预选器共可预存10个电台的频率,每次开机时自动进入第一个预存的频率。设计时采用10个轻触式按键进行电子切换,由10个发光二极管进行换台指示,使用方便、效果良好,值得广大爱好者仿制或给交流电供电的台式收音机加装。
电路原理

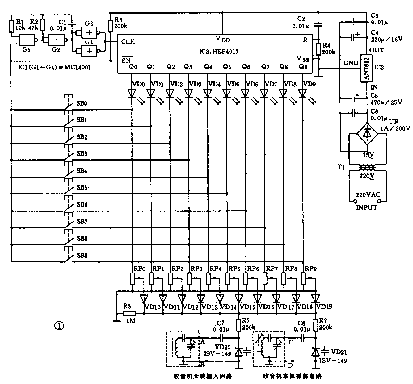
电路见图1。核心器件是十进制计数器/脉冲分配器HEF4017,每次复位后Q0输出“1”,Q1~Q9输出“0”。随着计数脉冲的输入,HEF 4017的Q1~Q9依次轮流输出“1”。当Q9输出“1”后,若再输入一个脉冲,则又回到Q0输出“1”,Q1~Q9输出“0”的状态。因此随着脉冲的持续输入,电路重复上述过程,进行循环计数及脉冲分配。CLK为计数脉冲输入端,上升沿触发。EN-为计数允许端,低电平有效。EN-端也允许输入计数脉冲,此时CLK应为高电平,且EN-端为脉冲下降沿触发。R为复位端,加高电平时HEF 4017复位,Q0输出“1”,Q1~Q9输出“0”。或非门G1~G4组成门控振荡器,SB0~SB9为10个轻触式按键,它们与HEF 4017共同组成了10位快速切换电子开关。
电路通电后,C2、R4微分电路给R端一高电平脉冲,HEF 4017复位,Q0输出“1”,VD0点亮,Q1~Q9输出“0”。如果按下SB8,则R3、RP8的分压作用使EN-端为“0”,或非门G1、G2起振,振荡频率约为1kHz,振荡脉冲经G3、G4缓冲后送至CLK端。由于EN-端为低电平,HEF 4017进入计数状态,Q1、Q2……依次轮流输出“1”,当Q8输出“1”时,G1、G2门控振荡器被强迫停振,同时EN-端也为高电平,禁止HEF 4017计数,因此Q8的高电平被保持,即使释放S8也如此。Q8的高电平经VD8后加至RP8上,一方面VD8点亮指示,另一方面RP8的滑动端输出调谐所需的直流电压经VD18、R6、R7后加至变容二极管VD20、VD21上。随着RP8的滑动端输出电压的不同,变容二极管的容量也发生相应改变,相当于改变了常规双联可调电容器的容量,从而可选择接收不同频率的电台。在收音状态时,G1、G2被强迫停振,可避免因振荡而产生的高次谐波对收音机电路的干扰。同理,按下SB0~SB9中的任一个按键,电路即刻快速切换于Q0~Q9端中的相应端输出高电平。如果我们预先调节RP0~RP9,使之预调于各个欲接收的电台频率上,则可实现快速切换选台,大大方便了使用。此电路中的变容二极管1SV-149是专用于调幅中波段接收的,如欲接收调频广播,则应将VD20、VD21改为1SV-101,其它不变。电路中,UR及IC3组成整流稳压电源,提供IC1、IC2工作电源,同时也使IC2的Q0~Q9端输出的电压为一稳定值,防止发生接收漂移及不稳定现象。
元器件选择
集成电路IC1~IC3可选用国产或进口的正品电路。SB1~SB9选用10个6×6mm\(^{2}\)的小型轻触式按键。RP0~RP9选购进口精密多圈式微调电位器CT-20P,阻值为10kΩ,若购不到也可用相同的国产电位器代替。VD0~VD9选用Ф3mm超高亮度发光二极管,电流有0.5mA即可发光,1mA时发光已较强,VD20、VD21使用进口变容二极管1SV-149,配对使用。所有无极性电容均使用小型瓷片电容。电阻均使用1/8W碳膜电阻。变压器T1使用功率为3W的小型工频变压器。其它元器件均无特殊要求。
安装调试


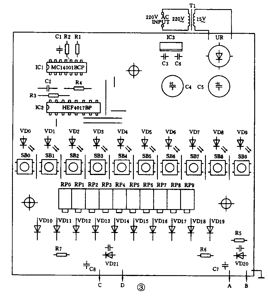
除变压器外的全部元器件安装在图2所示的单面印制板上,图3为元器件安装图。安装完毕后,应仔细检查一遍。随后将A、B及C、D的输出连接至收音机的双联可变电容器位置(同时取下收音机中的双联可变电容器)。通电后,先测IC3的输出电压,应为12V,同时VD0点亮。试按SB0~SB9键,VD0~VD9应对应点亮,否则应重点检查IC1、IC2及SB0~SB2等元件。一般而言,只要认真按图施工,电路即能正常工作。将RP0~RP9分别预调于10个电台频率上,这样就能实现预选换台了。通常情况下,应将RP0预调在一个最常收听的频率上,以便一开机预选器就自动处于该电台的接收中。(周兴华)