问:众邦V998K型VCD机电源部分的TOP202YAI是什么样的器件?(广东 余示培)
答:TOP202YAI是三端PWM(脉宽调制)开关电源IC,它采用TO-220封装结构,内部含有电压型PWM控制、N沟道功率MOS场效应管、工作频率为100kHz的振荡器、高压启动偏置电路、基准电压源、并联调节器、误差放大器和保护电路等。
利用TOP202YAI可以方便地制成广泛应用于各类电子设备中的离线式PWM型开关电源,输出功率为0~150W,并且外围元件少,可靠性高。 (汤志成)
问:一台索尼KV-2965MT彩电有时一开机就只能进入待机状态,而无法收看,但是有时一开机又一切正常,这是什么原因?(上海 刘田云)
答:维修实践表明,索尼KV-2965MT彩电产生上述故障,通常都是场输出集成电路IC551(μPC1498H)的引脚在热应力的作用下而脱焊,处于若接若离状态之故。接时彩电则一切正常;离时本应是一条水平亮线,但该机的自动保护功能使彩电自动保护,故只能进入待机状态。小心地把IC551各引脚焊一遍即可排除此故障。(汤志成)
问:一台日立CMT2518彩电开机后“三无”,但是可以听到机中有“吱吱”声发出,同时面板上的待机指示灯不停地闪烁,不过偶尔也能正常开机收看,该如何检修?(浙江 王科)
答:维修实践表明,这是开关电源部分的C959(100μF/16V)性能变劣而漏电之故。C959与大功率电阻R956(150Ω/3W)靠得太近,它长期烘烤C959,使之容量变小且性能变坏。取优质同规格电解电容代换之,即可排除此故障,使机子正常工作。(汤志成)
问:一台松下NV-M3000摄像机按出盒键带仓很难弹出,弹出带仓后插入带盒拍摄,带仓又经常被自动弹出。请问这是什么原因造成的?怎样排除?(山东 刘平)
答:上述现象是该机一种通病,其原因是出盒按键开关内部圆形接触弹簧片变形所造成的。出盒键是摄像机使用最频繁的按键之一,加上该机出盒按键开关本身存在质量问题,按压后引起接触簧片凹面向上而不能复位,因此造成按出盒键时内部簧片接触不良,带仓很难弹出。偶尔弹出带仓,插入带盒拍摄,晃动机器时簧片在按键开关内滑动,偶尔接通就会自动弹出带仓。遇到这种情况,可直接更换出盒按键开关,机器就能恢复正常工作。但该按键开关市场上很难买到,有人在检修时将变形的圆形簧片取出校正后重新装入使用,这种处理方法很不可靠,按压一段时间后仍会变形出现上述故障现象,在这种情况下可选购一台录像机或彩电上使用的轻触按键开关,取出内部圆形接触簧片装在出盒按键开关内(簧片凹面向下)直接代替即可。(黄福森)
问:一台爱华HS-SJ91型随身听,收音正常,放音时声音极低,经查前置集成电路型号是CX20023,查不到资料,不知各脚功能及工作电压,无法判断好坏,请帮助分析?(山西 王荣)
答:CX20023是双声道录放前置集成电路,24脚双列扁平封装。各脚功能及V\(_{cc}\)=3V的各脚电压如下:①基准电压,1.5V,②、右录音前级输入,1.1V,③、右放音前级输入,1.5V,④、右放音均衡输入,1.5V,⑤音状态,左、右线路放大器负反馈端,1.5V,⑥、右线路放大器输出,1.5V,⑦、右录音驱动输入,1.4V,⑧左、右录音驱动输出,1.4V,⑨⑩电源滤波,2.1V,电源地,0V,LED驱动,1.45V,静噪,0V,cc,3.0V,AGC,0.9V,录放电路转换,录音时2.1V,放音时0V,级地。当外围元件都正常时,检查V\(_{cc}\)电压正常后,再查⑨⑩脚电解电容是否漏电,若漏电或内部滤波电路有故障,使⑨⑩脚电压低于2.1V,将使CX20023内部供电电压偏低,集成块无法正常工作,引起放音声音极低,甚至无声。(韩家明)
问:创维CTV-8213彩电,不能遥控关机、收看中经常出现屏幕全黑又亮的故障,不知怎样检修?(陕西 孙立英)
答:该机的待机控制电路是由Q605、Q606、Q607、Q608组成的电子开关串接于主电源与负载之间。通过Q605的导通与截止决定电视机的工作状态。因Q605功耗较大,烧穿后便会造成所述故障。你可拆除这4只三极管,短路Q605的集电极与发射极连线,即取消遥控关机功能,屏幕眨眼现象即不再出现。(刘福胜)
问:汤姆逊5114彩电出现故障,查出108V升压管BU807击穿损坏,更换后使用片刻又击穿。检查中发现开机5分钟后,BU807就已经严重发热,不知该检修何处?(包头 汪文祥)
答:BU807工作温度高的主要原因一是行输出变压器内部匝间短路;二是BU807质量较差。目前市场上的BU807、BU806管“打磨”较多,质量好的管子不易购到。另外TEA2026T第19脚上的500k晶体漏电,也会造成BU807的损坏。(刘福胜)
问:一台大屏幕彩电电源开关管2SC411和型号MA4062的稳压管损坏,请提供其电气参数和代换型号。(长春 凌晨)
答:2SC4111电气参数V\(_{CBO}\)=1400V、ICM=10A、P\(_{CM}\)=150W。其代用品型号为2SC3552、2SC3997、2SC4119及参数值接近的BU508A。MA4062的稳压值为6.2V,可用国产1W6.2V的稳压管替换。(刘福胜)
问:一台收音机,声音小收台少又伴有啸叫声是何原因?怎样检修?(湖南 闵春阳)
答:据故障现象是变频级或中放电路存在自激振荡。一般情况是:中放电路中和电容损坏,变频级振荡过强或基极偏置电路旁路电容性能不良。检修时用一只0.01μF电容依次对变频、一中放、二中放基极对地跨接,接到某级时啸叫声消失,说明该级有故障。检查该级电路有关元件,更换损坏元件故障即可排除。(倪耀成)
问:一台日立CTP-236D型20英寸彩电,发生扫描线稀疏不均匀且伴有拉丝现象,测量扫描集成电路HA11235的各脚直流电压基本正常,是何原因?(江都 王有信)
答:这是场扫描电路有高频寄生振荡所致,寄生振荡是由于振荡级到推动级的场扫描信号的高次谐波未抑制干净而引起的。检修时应重点检查电容器C603(100pF)、C615(150pF)、C616(680pF)。C603接在集成电路①、②脚之间,C616接在①、③脚之间,C615接在③、④脚之间,它们作用是防止产生高频寄生振荡,使电路工作稳定,若发现失效的应更换。另外印制电路板上积有灰尘,以及环境潮湿使线路间出现漏电,也会产生上述现象。清洗电路板,故障可排除。(倪耀成)
问:收录机上的电动机,从商标及铭牌上不能识别电机的转向时,请问有什么方法判别这类电动机的转向?(泰州 陈有华)
答:用万用表可判别。把万用表拨到直流电流最小量程,正表笔接电机正极、负表笔接电机负极。然后,按你所要求的电机转向,用手较快地捻动电动机轴。这时,如果万用表表针正向偏转,则该电动机的旋转方向与捻动方向一致,如果表针反向偏转,则该电动机转向与捻动方向相反。 (倪耀成)
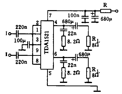
问:我有一块集成功放块TDA1521,找不到应用电路图无法使用,能否提供应用资料?当试机无声时,如何判断TDA1521是否损坏? (江西 曾祥志)
答:TDA1521是音频双功放,单列9脚直插封装。单电源供电,V\(_{cc}\)=24V,当RL=8Ω时,P\(_{0}\)=6W×2;双电源供电,Vcc=±16V,当RL=8Ω时,P\(_{0}\)=12W×2。单电源应用电路如下图所示。双电源应用时,省去两个680μF的输出电容,输出端直接接扬声器。再拆去③脚对地的100μF电容,将③脚接地。当试机无声时,首先检查外围元件和接线,若都正常,再检查④⑥两输出端的工作电压。单电源工作时应为1/2Vcc,若接近Vcc或零,可判断TDA1521已损坏。双电源工作时,④⑥两输出端的电压应为零或接近零,若偏离较大,也说明TDA1521已损坏。(韩家明)

问:一台上海牌Z647-1B型彩电,使用数年后近期发生一奇特故障,即每次开机后数秒内有图像出现,随即自行消失,光栅变为白板,无噪粒子,但视频输入(VIDEOIN)功能完全正常。经仔细检查高频头及中放电路均没找到故障点,不知如何进一步检查?(山东 孙杰)
答:无图像时光栅变为白净无噪粒状,通常表明故障在图像中放电路内。由于中放由集成电路为主组成,故而又以中放输入电路或AGC电路为重点检查部位。因开机瞬时有图像,所以中放输入电路出故障的可能也不大。这样,中放AGC电路就是主要故障部位了。根据分析及大量维修实践表明,AGC电路中的电容C124漏电或静噪管Q102(2SC945)软击穿最常见,只要分别检查便可马上查到故障元件。(德沅)
问:一台松下画王TC-29GF12G型彩电发生三无故障,经查电源电路主要元器件均正常,曾掉换电源集成块亦无用,现怀疑光电耦合器D807(TLP632)有问题,因为用万用表R×1k挡测其接收管c、e极间电阻正反向均为∞,但无正常器件作代换试验,不知此判断是否对? (大连 周大华)
答:所述测量若是非在路测试(即将D807焊拆出印制板单独测量),一般表明该器件是正常的,反之测量阻值小于数百kΩ,反而说明有问题。但是,如果是在路(D807在印制板上)测量,正反测的阻值分别应为7~10kΩ和大于1MΩ,所述测量结果就不正常了。不过通常不是D807损坏,而是与它连接的R814、R828或IC801(STRM6529F04)或印制线路不良,只要一一检查,即可找到问题所在。 (王德沅)