本演示器使用单色和双色发光二极管模拟简谐振动图像及其生成过程,具体特点为:①可同时演示物体振动过程、参考圆及其振动图像3条曲线;②可演示改变物体振动周期,快振和慢振自动切换。即能模拟谐振子连续的快速振动,以形成完整的视觉图像,又能慢速(可调)振动来反应从谐振子振动到参考圆映射而形成简谐振动图像的过程;③本演示电路性能价格比高,演示操作方便,物理内涵丰富。
一、面板设计
演示面板如图1所示。LED阵列Ⅰ、Ⅱ和Ⅲ按标号卡在相应点位上,分别模拟谐振子B的振动轨迹、参考圆及其简谐振动图像。

LEDⅠ阵列由9只发光二极管组成,除Ⅰ9是单色外其余均为双色二极管。利用双色管的两种不同颜色来代表谐振子B处在同一位置的两种不同振动状态,则LEDⅠ阵列可模拟谐振子B的9个不同点位的17个振动状态。
LEDⅡ阵列由16只发光二极管组成,其中仅Ⅱ1(Ⅱ17)为双色管。可模拟参考圆上的16个点位,并与 LEDⅠ所模拟的17个状态点一一对应;LEDⅢ阵列由17只单色二极管组成,用来模拟经参考圆映射得到的振动图像的17个状态点。
本演示器模拟谐振子B的振动轨迹、映射参考圆及相应振动图像的点位驱动顺序,是从1点至2点最后至17(1)点的完整循环,因此初相位为(\(\frac{π}{2}\)),振动图像可描述为函数 Y=Asin(ωt+π;2)。
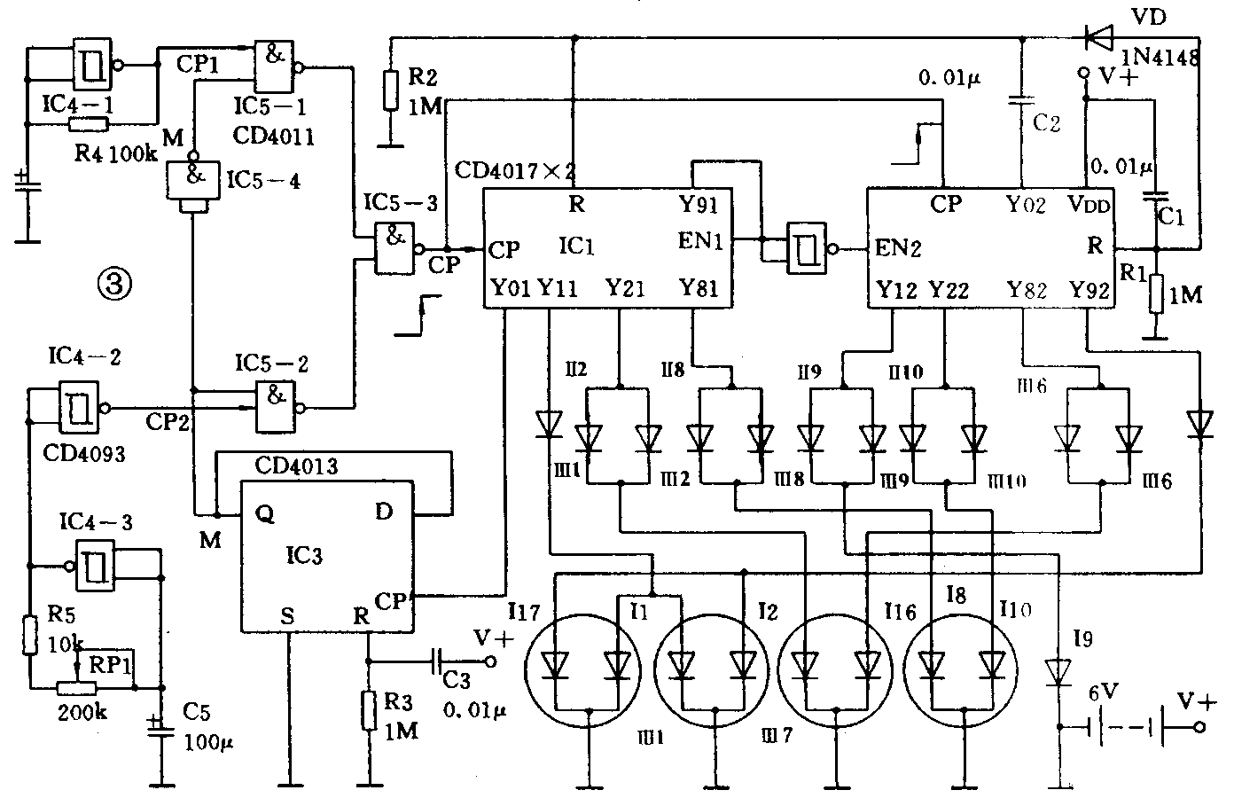
二、电路设计
脉冲源1、2结构类同,由施密特非门CD4093和阻容元件组成。脉冲源1输出CP1为连续脉冲,频率(f1=4Hz);脉冲源2输出CP2为可调脉冲,调节电位器RP1可改变其频率f2在秒级和毫秒级之间变化。
切换电路由T触发器(双D触发器CD4013构成)和控制门1~4(四2输入与非门CD4011)构成。用来切换输出CP1和CP2,使之轮流为17级步进脉冲发生器输入脉冲CP。用17级步进脉冲发生器的一条输出线Y01作为T的输入脉冲CP',则当M=Q-=1时,切换电路放出CP2;而当M=0时,放出 CP'。
17级步进脉冲发生器由两个以步进形式输出的十进制计数器 CD4017级连而成(EN2=EN1-=Y91-,使IC1和IC2轮流使能、禁止。结果输出Y11→Y81,Y12→Y92共17条步进输出驱动线(标号Yi=1~17),控制三串LED阵列,使之按面板设计要求顺序发光。
上电清零电路单元包括三组微分电路:C3、R3,C1、R1和C2、R2(二极管VD起加速和隔离作用),负责上电清零IC1-3。刚上电时,T触发器清零,输出Q-由0变1,此后CP'=Y01=1方才到来(相差一个VD导通时间),致使T触发翻转,输出Q-=M=O并保持。因此,17级步进脉冲发生器接收的CP为CP1,待第1个循环完毕时,LED阵列也顺序亮一遍,然后Y02由0变1,经C2R2清零IC1,致使Y01再次由0变1,触发T。结果M由0变1并保持,使CP=CP2,开始第2个计数译码循环。这样,随M=0或M=1,步进脉冲发生器轮流接收CP1或CP2,并驱动LEDⅠ、Ⅱ和Ⅲ生成快振或慢振(可调)图像。
LED阵列的具体电路连接方法是:①Ⅱi和Ⅲi并联后再和Ⅰi串联(i=2~16);LED串负端接地,并联的正端顺序接Yi;②对 i= 1、17,Ⅰ和Ⅱ对应号并联后再与Ⅲ对应号串联。并联的负端接地,串联的正端接对应的Yi。
电源电压为直流5~6V。本演示器也可与电子技术教学演示仪配合使用。
三、安装调试
连线无误,电路即可工作。安装时应注意:①输入输出的脉冲信号线应尽量短;②电源电压不宜再升高,因为CMOS电路负载能力弱,而本演示器的LED连接方法刚好能够省去驱动管和限流电阻;③特别注意LEDⅠ、Ⅱ、Ⅲ部分的发光顺序,以符合三个图像之间的逐点对应关系;④为了加强视觉效果,可把两种单色(红、绿)管相间排列。(李文石 张明军)

