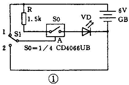
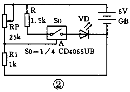
在使用集成电路模拟开关时,若控制端接低电位,模拟开关就断开;若控制端接上等于或略小于芯片电源电压的高电位时,模拟开关就闭合。模拟开关接通时的导通电阻较小,一般仅数十欧姆,开关的耐压不大于芯片工作电压,可通过25mA以下的电流。而开关断开时呈现高阻状态,可达数十兆欧。笔者通过实验,发现模拟开关除了可用做“开关”外,还有着特殊的功能,为了说明问题,不防先做一个实验。在图1电路中,S1是一个转换开关,S0是模拟开关。当S1接1位时,S0的控制端为高电位,S0闭合,VD亮;当S1接2位时,S0的控制端为低电位,S0断开,VD灭,这是模拟开关的常规使用方法。再看图2电路,如果从大到小连续调节RP的阻值时,可以使A点电位(模拟开关的控制端)从0V~6V连续升高,而VD也将从不亮到渐亮再到最亮,连续地变化,这就说明模拟开关的导通电阻在一定范围内具有随控制端电压的升高而降低的特性,我们不妨称其为“压控式可变电阻”特性。通过测量和计算证明,当模拟开关工作在不同的电压下时,其导通电阻随控制端电压变化的范围为数百欧至2千欧。利用模拟开关的此特性,就可开发出新的功能。现将笔者利用模拟开关的上述特性设计试验的一个“具有渐亮渐暗功能的照明灯控制电路”介绍如下,供感兴趣的朋友们参考。



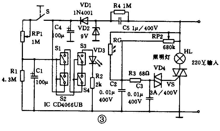
工作原理:电路如图3所示。图中左侧由C4、C5、VD1、VD2等元件组成了电容降压式稳压电路,为电路提供9V的直流工作电压。IC为CMOS四模拟开关芯片,被用来作“压控式可变电阻”使用,为扩大“压控可变电阻”的变化范围,将四个模拟开关串接在一起并与限流电阻R2及VD3串联。S为照明控制开关。图中右侧为一个典型的电子调光电路,其调光元件为与VD3发光管对顶安装在一起的光敏电阻RG。在照明开关S未闭合时,因模拟开关S1~S4的控制端为低电位,所以S1~S4均断开,故VD3不亮,光敏电阻RG因无光照射阻值较大(大约是1MΩ),双向晶闸管VS截止,照明灯不亮,电路处于静止状态。当照明控制开关S闭合时,+9V通过RP1向C1充电,由于RP1和C1的数值较大,充电速度比较缓慢,C1两端的电压缓慢上升,使模拟开关的导通电阻随C1两端电压的升高而逐渐减小,呈现出“压控式可变电阻”的效应,串接在回路中的VD3也就随S1~S4导通电阻的逐渐减小从不亮到渐亮再到最亮,使与其对顶安装在一起的RG的阻值随VD3亮度的逐渐增加而逐渐减小,使双向晶闸管逐渐导通,其导通角随RG阴值的变化而连续改变,照明灯则逐渐发亮。当C1两端电压接近9V时,S1~S4的导通电阻最小,VD3达到最亮,使RG阻值最小,照明灯也就最亮。此后只要S保持闭合状态,照明灯就将保持此最大亮度不变,因此,电路完成了渐亮开灯的功能。当需要关灯时,只要将S断开,则C1两端电压的逐步降低,使S1~S4控制端电位逐步下降,导致S1~S4的导通电阻逐步变大,串接在回路中的LED亮度就开始由最亮逐步变暗,RG也随其受光亮度减小而使阻值逐渐变大,使双向晶闸管的导通角向反方向连续地改变,照明灯则渐渐由最亮向暗变化。当C1两端电压下降到S1~S4控制端的最低控制电压(约为1.5V)以下时,S1~S4完全关闭,VD3完全熄灭,RG恢复暗阻状态,使双向晶闸管截止,照明灯也就完全熄灭。再次打开和关闭S时,电路将重复上述的工作过程。由于模拟开关是CMOS电路,其控制端的输入阻抗远大于R1的阻值,所以本电路照明灯由亮到灭的渐变时间主要由R1和C1的数值所决定,而照明灯由不亮到最亮的渐变时间则要由RP1和C1的数值所决定。因上述模拟开关的“压控式可变电阻”变化范围较大,所以,采用此方法制作的自动调光电路其渐亮渐灭的效果非常明显,并且可以非常容易地对渐亮渐灭时间进行人为调整控制。
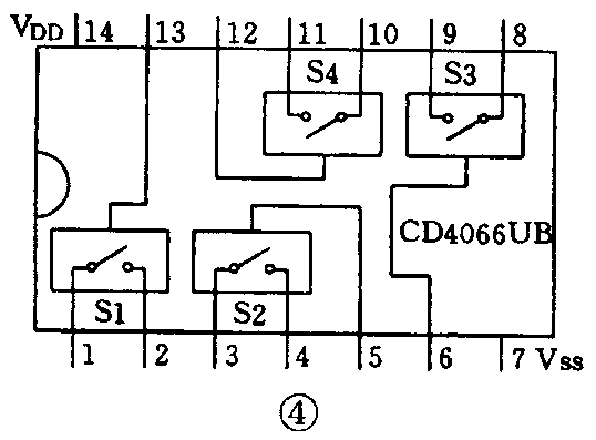
元器件选择:本电路所用元件规格数据如图3中所标注,其中,模拟开关芯片CD4066UB,其外引脚排列如图4所示。RG选用暗阻≥1MΩ、亮阻≤10kΩ光敏电阻。VD3最好使用发黄白色光的高亮度发光二极管。双向触发二极管VD4选用2SCT型,C2、C3、C5及VS双向晶闸管耐压要大于400V,VS的功率可依照所需控制的照明灯的功率而定,其余元器件无特殊要求。

调试方法:首先将VD3和RG露出并使RG与电路断开,加电后闭合S,观察VD3是否能由暗到亮缓慢变化;断开S时观察VD3是否由亮到灭地缓慢变化。调节RP1或改变R1、C1的数值分别使VD3由暗到最亮(或由最亮到熄灭)逐渐变化的过程连续且时间节奏满足使用者的要求(注意:VD3亮度变化的节奏也就是控制照明灯渐亮或渐灭的节奏),如果VD3亮度能缓慢变化就说明渐亮渐灭控制电路工作正常。然后,调节RP2,看照明灯的亮度能否被调节,如能调节则说明调光电路工作正常。此时,应将RP2调至照明灯完全熄灭的位置,再将VD3与RG对顶组合安装在一起并做好遮光处理后将RG接入电路,这时加电并闭合S后,照明灯应能由暗到最亮缓慢地渐渐亮起来,断开S时,照明灯应能缓慢地熄灭,说明整个电路均已工作正常,可以投入使用。
本电路适合在影剧院、歌舞厅和家庭中安装使用,免除人们在黑暗中开灯或关灯时灯光的突然强烈变化对人眼产生的不适感觉,同时可有效减少每次开灯时对照明灯产生的冲击电流,延长灯泡使用寿命。(光军)