目前全国手机用户已突破2000万,许多手机已进入故障高发期。笔者将从事手机维修的经验写出来,供大家参考。通常将手机故障维修划分为三级,现分述如下。
一级维修
由于手机移动使用中碰撞摔打,使元器件与焊盘的焊接部位造成分离,引起整机电路或局部电路故障。对于这类故障可采取对整机电路或局部电路的元器件补焊一遍的方法来解决。
另外,机器进水或受潮,引起电路电气参数改变而造成的故障,可将手机置于超声波清洗器内用酒精清洗后取出用吹风机吹干即可解决。
由于一级维修所针对的故障元器件本身没有问题,清洗、补焊即能解决。据统计,此类故障占整个手机故障的50%以上。
二级维修
由于手机的控制系统采用单片计算机部件,其系统程序采用外部存储器存储。如果运行数据出错则会造成系统程序不能装载或装载错误。SRAM、FLASH、E\(^{2}\)PROM中的任一个损坏或出错都会引起整个系统不能正常运行。对于这类故障只需将手机上的码片(E2PROM)取下来放到ALL-07上重新写入版本相同的数据或者使用专用的软件修复仪通过手机的外部接口直接对数据进行修复。如果码片物理性损坏则需更换相同型号的码片了。
在所有手机中尤以诺基亚系列特别容易出现软件故障,占所有软件故障手机的90%以上。在对码片进行修复时需要特别说明的是由于用户资料(如存储电话号码,用户自己的功能设置等)和代表手机唯一身份的IMEI(国际移动设备识别码)都在码片中,故对码片重写或更换后会造成用户资料丢失和IMEI改变。下面给出几种常见机型软件出错时的现象。
l.NOKIA系列:显下“Contact Service”;显示“Security Code”(或“输保密码”)。
2.ERICSSON系列:显示“Insert Correct Card”;没有信号或信号弱;能上网但不能打电话,信号时有时无;无显示或显示黑方格(发黑);低电显示;398无背光;锁机。
3.MOTOROLA系列:显下“phone failed,see supplier”(或显示“话机坏,送修”);显示“Enter Specail Cocle”(或显示“输入8位特别码”);不开机;锁机。
4.S4:显示“Wrong Software”;显示“phone Disable”;不开机;锁机。
5.G500:不认卡或认卡错;发射关机;不开机;锁机。
三级维修
对手机因元件物理性损坏所造成的故障进行的维修称为三级维修。三级维修所占的比重仅20%左右,且故障都集中在大电流的元器件上,如功放、电源稳压块等。对一部不能开机的手机一般按如下步骤进行检修:手机内部是否有短路或漏电;各级供电系统和13MHz主时钟;单片机系统;收发信机电路;输入/输出装置。
以上检查主要采用万用表和示波器,有条件的可选用超高频毫伏计,频率计等。
以上步骤完成之后就应仔细检查键盘是否有某些按键失效,话筒、听筒、振铃器、振动器、显示器是否正常。
以上步骤的检修应注意方法的掌握,这能大大缩短检修时间。在实际检修中一些经验常常采用,比如摩托罗拉掌中宝手机发射关机,根据经验这类故障99%以上都是功放损坏所引起的,该机碰到这类故障根本不用检查,直接换功放就行了。
下面将给出两种具有代表性机型的常见故障和检修方法:
1.MOTOROLA掌中宝系列
摩托罗拉继GC87系列后推出了掌中宝系列,包括308E (70版)、308E(80版)、308C、328E、328C共计5种机型。掌中宝系列的设计源于GC87系列,在很多地方和GC87系列相通,甚至它们的很多零件都可互换。因此掌握了任何一种机型的维修就相当于掌握了GC87系列(包括96版GC87C,97版GC87C,GC87C\(^{+}\), GC87)和掌中宝系列中所有手机的维修。
(1)开机振动或易断电。这是掌中宝最易出的故障,现象是当完全打开翻盖后按开机键有振动,不能开机;或者正常开机后稍微动一下翻盖就断电了。
由于掌中宝系列的听筒,主电池等(328系列还包括储能电容,振动电机等)均是通过一根软性导电连接胶带和主板相连的。因为每次打电话或接听来电均要打开翻盖,令软性连接带扭曲,久而久之就会使连接带断裂,解决的办法就是重新换一根新的。
(2)显示“检查SIM卡”(或显示“Check Card”)。这也是掌中宝的常见故障,只要SIM卡座上的电压不是同时加到SIM卡上或有一处收不到都会出现这种情况。由于掌中宝系列是用的大卡,容易产生接触不良的现象,所以应首先检查读卡器是否与SIM卡良好接触,BIC芯片(总线接口)6、7、9脚有无虚焊,U902是否损坏等,这部分电路见图1。

(3)上网断电。这类故障现象表现为一上网就自动关机,或在不插卡的情况下拨打112也自动关机,这类故障绝大部分都是功放损坏,更换U301即可解决。
(4)乱显,按键关机,不易开机,某些按键失效。由于掌中宝系列都是由两块板子板成的,稍有外力碰撞或摔打极易使接口或键盘板上的元件接触不良而出现上述现象。只需对接口J101和键盘板上的元件补焊一遍即可解决。
(5)显示“话机坏,送修”(或“phone failed see supplier”)。这个故障是摩托罗拉系列手机较易出现的问题,需要用测试卡来判断故障所在,其检修流程见图2,该检修流程适于摩托罗拉的全部手机。

2.ERICSSON 388、398
爱立信公司的388、398电路几乎完全一样,仅显示屏和软件不同,升压电路略有差异。398是中文显示,388是英文显示。
(1)不送话,手机能正常打进打出,但对方听不到声音。这类故障在388、398手机中占一半以上,由于388、398的送话器是通过导电橡胶而不是弹簧片和主板接触的,使用日久就会出现送话器和主板接触不良情况。这种故障只需将机壳打开把送话器从机壳里面往上面撬一点即可解决问题。
(2)显示时有时无。由于388、398的显示屏是通过导电金属泡沫和主板接触的,使用久了也容易产生接触不良的情况,解决方法同上。
(3)爱立信系列的手机还容易出现显示屏全黑或显示很淡的故障。由于进水或摔都会造成这类故障,所以在碰到这类问题时最好先用替换法试一下,是电路上的问题还是液晶屏的问题,在排除了显示屏本身的质量问题和接触问题后再进行下列检查。
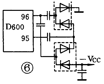
显示屏全黑一般都是显示屏正压过高或负压过低造成的;若显示很淡则是由于正压过低或负压过高造成的。检查时只需取下显示屏在开机状态下用万用表即可准确迅速的判断故障所在。若各电压均正常而显示屏本身又是好的则应怀疑码片有问题。下面给出388、398;768、788和768C、788C的显示屏接口电路图(图3)及显示接口表。388负压发生器电路如图4,768、788显示控制电压发生电路如图5,768C、788C负压发生电路如图6,供维修时参考。





需要提醒读者的是,由于手机上元器件众多而且十分微小,集成电路,接口等管脚密集,这对焊接水平提出了相当的要求,比如在对168接口补悍的时候若不小心造成接口短路就极易出现F39故障。在对手机进行清洗的时候尽量使用超声波清洗器,严禁使用粗硬的刷子(如牙刷)对电路板进行刷洗,因为这样很容易使电路板上的元件脱落造成新的故障。(陈正水)