有些录音机放音时具有“展宽”功能,使放出的立体声信号在空间、宽度上大大改善,但大多数录音机无此功能。本文介绍一种增加“展宽”功能的简易方法,供广大青少年朋友及业余爱好者制作。
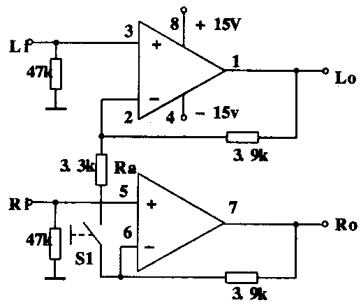
本电路的核心是具有“运放之皇”美称的双运放NE5532,内含两组高阻、高转换速率、低失调运放。工作原理见附图。两组运放在放大左、右声道信号的同时,通过Ra将左声道的输出反馈到右声道的反相输入端;将右声道的输出反馈到左声道的反相输入端。使左、右声道信号中的同相部分相互抵消一部分,而反相部分则得到加强。在输出的信号中,每一声道都含有对方的反相成分,因此,聆听起来便会觉得两个声道的信号向两边扩展,细细聆听还具有环绕声的效果。

本装置置于录音机的前置与功放之间,经试听,效果相当不错,空间、宽度、纵深感均大有改善、高音得到加强,打击乐更具金属声。图中,当S1合上时为“展宽”,断开时为“普通立体声”。有兴趣的朋友还可将本装置加在自制的音响电路中,共享成功的喜悦。(张崇春)