问:在数字电路中所说的高电平,低电平有没有规定值,多高为高电平?多低为低电平?(山西 郭拉柱)
答:数字电路中所说的高电平、低电平有一定的规定值,在常用的TTL74系列中规定:0~0.8V为输入电压低电平,2.0~5.0V为输入电压高电平;0~0.5V为输出电压低电平,2.7~5.0V为输出电压高电平。
在CMOS电路中,输出电压高电平V\(_{OH}\)≥VDD-0.05V(式中V\(_{DD}\)为电源电压);输出电压低电平VOL≤V\(_{SS}\)+0.05V(VSS为零电位即电源负极)。在电源电压V\(_{DD}\)=5V、10V、15V条件下,允许输入低电平最大值分别为1.5V、3V和4V(基本上是0.3×VDD)。允许输入高电平最小值分别为:3.5V、7V和11V(基本上是0.7×V\(_{DD}\))。
数字集成电路中因不同的集成块品种或同一种产品中的差异,其高、低电平值也有差异,因此以上所述数值并不是绝对的,可做为主要参考数值。(沈征)
问:我在阅读一些电子杂志时,发现9013一类封装的三极管的管脚有附图所示两种不同的排列,不知哪一种正确?(河南 冯涛)

答:9013一类封装的三极管如9012、9014、9015等确实有你所说的两种管脚排列方式,两种说法都是正确的。因此我们如使用晶体管时一定要先测一下管脚排列,避免装错返工。(沈长生)
问:我在制作中发现以下图形,不知二极管该怎样安装?(江苏 赵龙)
答:你所说的图1和图2均为桥式整流器的省略画法。复原后分别为图3和图4的画法。图1中二极管的正极表示整流器中两个二极管正极连在一起为整流输出的负极;二极管的负极表示两个二极管负极连在一起为整流输出的正极。

恢复桥式整流的画法可按图5(a)~5(d)的顺序进行,以恢复图1为例进行说明。先画出变压器次级连接的一个菱形(图5(a));再画出和图1二极管正极方向一致的两只二极管(图5(b));第三步画出和图1二极管负极方向一致的两只二极管(图5(c));最后从两个二极管正极连接点引出整流电源的负极输出端,从二极管两个负极连接处引出整流电源的正极输出端(图5(d))。

把桥式整流器的省略画法恢复成完全画法或者是直接画出桥式整流器的完整画法有一个技巧就是记住3个要领:①变压器接两个二极管的一正一负;②两个二极管正极连接点为桥式整流电源的负极端;③两个二极管负极连接点为整流电源的正极输出端。(沈长生)
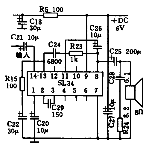
问:最近我找到一块放大板,但上面元件有些损坏,不知接什么,它的反面用的是SL34集成块,您能告诉我怎样修复这样的放大板吗?(浙江 赵海华)
答:你所提的问题在很多无线电爱好者当中都遇到过。怎样利用一块废旧的电路板,是一个很值得提倡的问题,一般来说想找一张完全与原电路板相同的电路板图是很困难的,原因有几个:一是废旧电路板往往是生产时间较早的产品或是改型的产品;二是电器产品太多,很难找齐各种所需资料;三是很多产品不提供电路板图。如果想恢复找不到电路板图的旧电路板,就必须根据原理图来恢复它,因为原理图基本上是通用的而且一般资料中容易找到。恢复时不一定和原电路板完全一样,可利用割开、添加、跳线等方法,只要能使元、器件的连接符合原理图就能达到正常的工作状态,达到恢复旧电路板的目的。
附图提供给你SL34放大电路的原理图,祝你实验成功。(沈长生)
