电容器在无线电中被广泛用于调谐、滤波、耦合、旁路、隔直、通高频、阻低频等,在强电中,被用于提高电动机的功率因数和做单相电机的启动电容等。电容器除了上述作用外,在家用电器维修中,还有下列几种妙用。
1.自制调光台灯。电路见图1。以100W白炽灯为例,串联电咨4μF时,灯泡发暗光,约耗电20W;串联电容8μF时,灯泡发半亮光,约耗电60W。

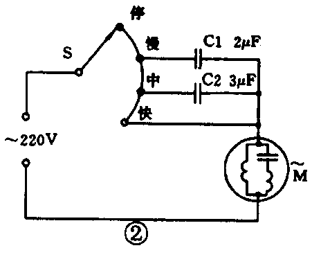
2.自制电风扇调速。电路见图2。以400mm台扇为例,串联电容2μF可实现300~400转/分低速;串联电容3μF时,可实现500~600转/分中速。

3.当洗衣机、木工多用床、电泵等单相异步电动机损坏后,一时买不到原型号产品,可用小容量的三相异步电动机代用。电路见图3。图中,C为电容器,S为电源开关兼正、反转控制。电容量可在以下范围内选定:每10W电机功率,对Y形接法须配用0.6μF;对△形接法须配用1μF。如电机为250W功率,对Y形接法需配用15μF电容器;对△形接法须配用25μF电容器。注意:三改单后,电机转速不变,但单相的功率仅为三相功率的50%~80%,所以选用三相电机的功率应为实际单相电机功率的1.3~2倍。

4.如果你需要一个低压直流电源,而手头又没有相应的单相变压器变压,可按图4电路安装。如需6V电源,可串联1μF电容。为安全起见,电源一定要分清火、零线。

以上采用的电容器,均需为耐压400V以上的金属化纸介电容器或金属膜聚丙烯电容器。(徐昆武)