(瞿春林)逻辑笔又称逻辑探头,用于检测数字电路中各点的逻辑状态,是电子爱好者进行数字电路制作、维修和测试不可缺少的工具。大家知道,数字电路有3种逻辑状态:“1(高电平)”、“0(低电平)”和“悬空(高阻态)”。逻辑笔可以通过发光二极管或声音显示出被测点的逻辑状态,非常方便和直观。本文介绍几种适合初学者自制的简单的逻辑状态测试电路,供爱好者们参考。
1.用发光二极管显示的逻辑笔
该电路由6个非门和2只发光二极管组成,如图1所示。它可以检测高、低电平,当输入为高电平时,红色发光二极管亮,当输入为低电平时,绿色发光二极管亮(有关高低电平的定义请参见43页初学者信箱)。

从图中看出,当U\(_{i}\)=“1”电平时,由于非门的作用,G1输出(A点)为“0”电平并分两路送出,一路送至G2输入端,G2输出为“1”电平,G3输出“0”电平,G4输出(B点)为“1”电平;另一路送至G5的输入端,G5输出“1”电平,G6输出(C点)为低电平;因此红色发光二极管有电流流过而发出红光,绿色管无电流流过不发光。同理,当Ui为“0”电平时,A为“1”,B为“0”,而C为“1”,绿色发光二极管有电流流过而发出绿光,红色管则不发光。当输入Ui是脉冲连续信号时,两个发光二极管轮流发光,当其频率高时,两眼看去两个发光二极管同时发光。
该电路选用CD4069六反相器和φ3mm的红、绿色发光二极管各一只。用折摺牙刷的塑料壳做外壳。选用φ3mm的粗铜线11cm做探针。印制电路板如图2所示。CD4069的引脚排列见图3。


自制时如无CD4069可选用CC4069代用。本电路电源V\(_{DD}\)为5V时,发光二极管可不加限流电阻,如用12V电源则要加限流电阻。焊接集成电路CD4069时最好选用20~25W内热式电烙铁和502环氧助焊剂,焊接时间不得超过5秒。
2.用数码管作终端显示的逻辑笔
电路如图4所示,该电路可用于各种TTL逻辑电路及部分CMOS逻辑电路高低电平的检测,测试结果以字符方式显示:当被测点为高电平时,逻辑笔显示字符“H”;当被测点为低电平时,显示字符“L”。

该电路由3个与非门、1只三极管、1块共阴LED数码管和4只电阻组成。每个与非门的两个输入端连接在一起,这样与非门就作非门使用。
电路原理:当测试端输入为高电平时,G1输出低电平,G2输出高电平,三极管VT1导通,驱动数码管的b、c、g段发光,同时G3输出为低电平,数码管的d段不发光。由于数码管e、f段字段处于常亮状态,因此数码管显示“H”,表示被测部位为高电平;当测试端输入为低电平时,G1输出高电平,G2输出低电平,VT1截止,数码管b、c、g段因无电流流过不发光。G3输出高电平,直接驱动数码管的“d”段发光。由于e、f段处于常亮状态,数码管显示“L”,表示被测部位为低电平。
元器件的选用:与非门选用4二输入与非门TC4011,若买不到,可选用CD4011或CC4011,它们的引脚排列见图5。数码管选用LC3011-11共阴数码管,其内部电路和引脚排列见图6。也可选用BS112101数码管,但注意引脚排列有所不同。WT1选用3DG6,β要求在64以上。选用折摺牙刷的塑料壳做外壳。用φ3mm的粗铜线11cm做探针。印制电路板如图7所示。



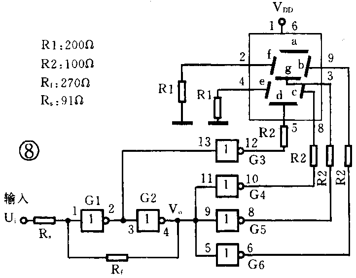
倘若选用LA3621-11共阳数码管和前面所说的CD4069六反相器及8个电阻就可组成另一种用数码管的逻辑笔(见图8)。

电路原理:G1、G2反相器接成施密特触发器,G3~G6分别为4个支路的反相器。输入高或低电平的识别,是用施密特触发器的转换电平来实现的。当输入低电平时,G3输出低电平,V\(_{DD}\)加上后,有电流流过数码管d段,d段亮,平时VDD加上后,有电流流过f、e段而常亮,这时数码管显示“L”。当输入高电平并大于施密特触发器的开门电平时,G2输出端V\(_{0}\)输出高电平,送到G1、G5、G6的输入端,则G4、G5、G6输出低电平;就有电流流过数码管的b、c、g段而发光;平时e、f段带亮,数码管显示“H”。数码管显示段e、f在VDD加上后就经常保持亮着,为了消除e、f段与其它段的辉度差,接入了比反相器导通时的电阻略大一些的电阻。故电路中R1取200Ω,R2取100Ω,R\(_{f}\)取270Ω,R5取91Ω。印制电路板图如图9所示。共阳数码管LA362111内部电路及引脚如图10所示。


3.用压电陶瓷片作终端音响的逻辑笔
该逻辑笔电路如图11所示。由8个二输入端与非门组成,并采用压电陶瓷片发声。利用音调的不同判断输入的是高电平还是低电平。

电路原理:电路中由与非门G2、G3、G4和R3、C1组成可控RC环形“0”振荡器,由G5、G6、G7和R4、C2组成可控RC环形“1”振荡器,选取不同的R、C值,电路振荡频率不同,另当G2的5脚和G5的1脚的控制端输入高电平时,振荡器工作,输出矩形波。
当探头接触到低电平时,经G1倒相为高电平送到G2的控制端,“0”振荡器输出一个低音调由混合门G8输出,压电陶瓷片发出低音调。此时,因低电平加到VT1的基极,三极管截止,G5的1脚为低电平,故“1”振荡器不工作。当探头接触到高电平时,经G1倒相为低电平送到G2的控制端,“0”振荡器停振。这时高电平通过VT1射极输出送到G5的控制端,“1”振荡器工作,输出一个高音调通过混合门G8加到压电陶瓷片上发出高音调。此逻辑笔与前面电路一样,均由被测电路供给电源。
元器件的选用:8个与非门选用2块TC40114二输入与非门集成电路。因每个TC4011有4个二输入与非门,故能满足要求。若买不到TC4011,可用CD4011或CC4011代用。它们的引脚排列一样,如前面的图5所示。三极管选用3DG8D,β选用85左右的。压电陶瓷片选用HTD 27A-1型的。G1~G4用一块TC4011,G5~G8用另一块TC4011。
自制时,印制电路板如图12所示,供参考。

4.运用时基555集成电路的逻辑笔
运用时基555集成电路制作的逻辑笔电路形式较多。这里选用二种电路介绍给大家。图13是由时基555集成电路接成施密特触发器,利用发光二极管发亮与否来测试数字电路中的高电平和低电平。

电路原理:时基555集成电路接成施密特触发器。当输入为低电平时,时基555置位,输出端(3脚)V\(_{0}\)为高电平,这时VD2有电流流过而发亮。当输入为高电平时,输出端(3脚)V0为低电平,这时VD1有电流流过而发亮。
元器件选择:时基555集成电路选用NE555P,发光二极管选用φ3mm的绿色管、红色管各一只,RP1采用100kΩ的微调电阻。电阻均采用0.125W的。
自制时印制电路板如图14所示。由被测电路供给+5V电源。测量TTL电路,调节RP1使5脚电位为2.4V,则施密特触发器的R端(6脚)触发电平为2.4V,S端(2脚)电平为1.2V。当输入高电平高于2.4V时,VD1点亮,输入低电平低于1.2V时,VD2点亮。

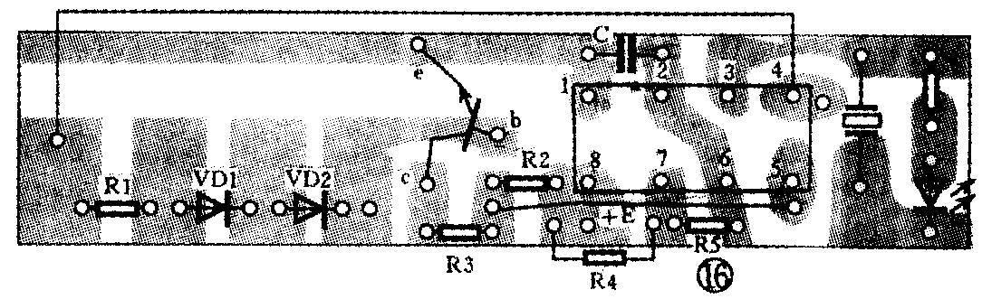
图15是运用时基555集成电路制作逻辑笔的又一种电路。其中时基555集成电路与R4、R5、C组成多谐振荡器,输出加到压电陶瓷片及发光二极管VD3上;VT1及其它元件组成输入控制电路。
电路原理:在探针A悬空时,VT1无基极电流而截止,时基555集成电路控制端5脚处于+E电位,多谐振荡器电路被抑制,不起振,3脚输出高电位,VD3发光二极管有电流流过而点亮,因多谐振荡器停振而无输出,压电陶瓷片不发声,即有光无声;当探针A输入低电平时,迫使时基555集成电路复位端4脚复位,3脚输出低电位,VD3发光二极管无电流流过而熄灭,压电陶瓷片因多谐振荡器停振仍然无声,即无光无声;当探针A输入高电平时,VT1导通,R2两端压降使时基555电路5脚偏离+E电位,多谐振荡器受控起振,3脚输出频率为1000Hz的音频信号,压电陶瓷片发声,VD3发光二极管点亮,即有光有声。
元器件选择:时基555集成电路选用NE555P;VT1选用3DG8D,三极管β取96左右的;VD3选用φ3mm的红色发光二极管;压电陶瓷片选用HTD27A-1型。VD1、VD2选用1N4;电阻选用0.125W的。
自制的印制电路板图如图16所示。安装完毕要检查焊接无误时才加电,一般是会成功的。
