本文介绍的简易低频频率计,电路结构简单,工作稳定可靠,使用5V单电源供电,最大工作电流小于80mA。它配有4位LED数码管显示,具有0~1kHz、0~10kHz、0~100kHz三档转换量移,低频分辨率为0.5Hz,可以满足业余音频测量的需要。
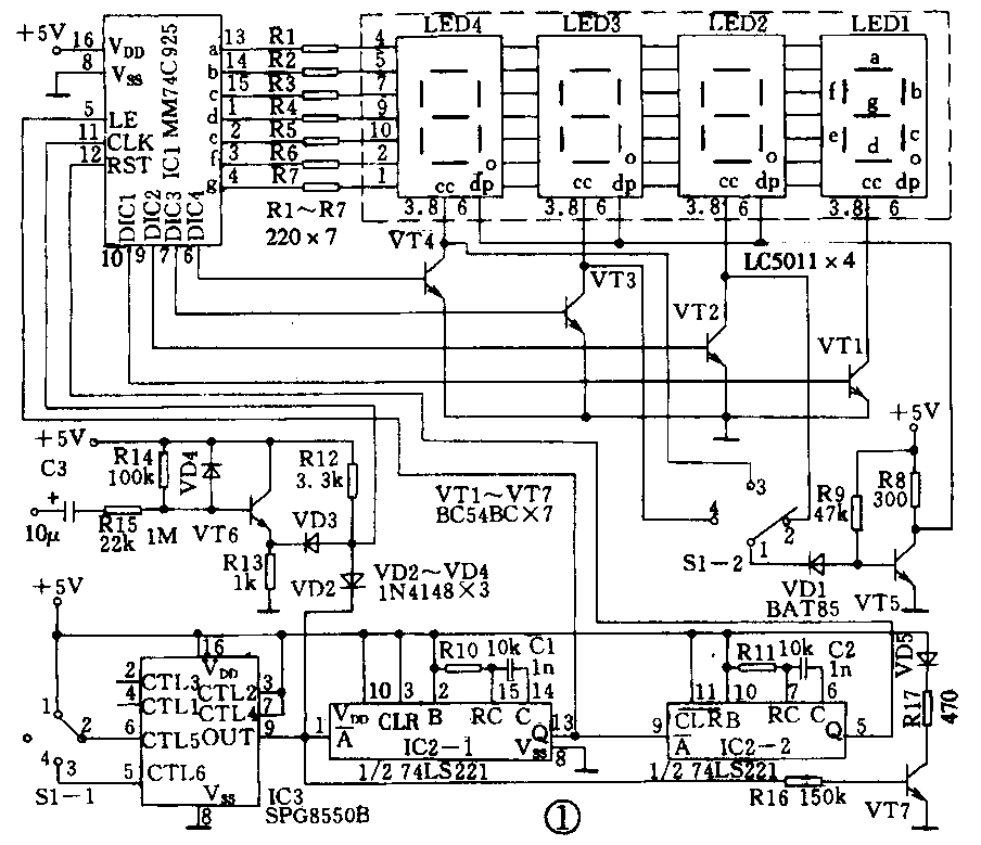
电路原理如图1所示。IC1使用4位扫描输出7段显示译码集成电路MM74C925,它是与TTL逻辑兼容的CMOS电路,采用16脚DIP(双列直插式)封装,内含4个十进制计数器、一个状态存储器、一个多路转换器和一个用于4位扫描输出的7段显示译码器。LE为锁存控制端,CLK为时钟信号输入端,RST为复位控制端。DIC1~DIC4分别为个、十、百、千位扫描码输出端,VT1~VT4为位显示驱动管,分别控制共阴极LED数码管LED1~LED4按时序工作。a~g为译码输出端,接4只数码管的对应笔段,R1~R7为限流电阻。

S1-1、S1-2是联动的量程转换开关,VT5作小数点(dp)切换用,保证小数点显示位置与量程范围相一致。当量程开关置于某位置时,该位的驱动管导通,使集电极输出为0(低电平),对应的数码管工作,同时使VD1正偏导通,VT5截止,正电压经R8限流后加至其dp笔段,使此位数码管的小数点燃亮发光。由于VT5为NPN型硅管,其b-e结电压为0.7V左右,为保证VT5能可靠截止,VD1必须选用正向压降较小的肖特基二极管或锗二极管。
IC3使用标准脉冲信号发生电路SPG8650B,它采用16脚DIP封装,内部含有由高精度晶体振荡器和两个可编程分频器组成的混合电路。OUT为输出端,CTL1-CTL6为编程输入端,输入不同电平,可得到不同的输出频率,详见附表。片内时钟基本振荡频率为100kHz,频率误差小于50ppm。CTL1~CTL6端片内均有下拉电阻,开路时输入电平为0。S1-1量程转换开关作编程用。从表1不难看出,由于CTL2、CTL4为1(高电平),CTL1、CTL3为0(开路),所以当S1-1的1端分别与2、3、4端接通时,IC3⑨脚输出频率依次为0.05Hz、0.5Hz和5Hz。此信号用来为IC1频率计数提供闸门时间。因IC3输出的是占空比为1:1的方波脉冲,而IC1只对高电平进行计数,故计数闸门时间实际上是IC3输出脉冲周期的1/2。即对应于5Hz、0.5Hz、0.05Hz输出脉冲时,提供的闸门时间分别为100ms(0~99.99kHz量程)、1s(0~9.999kHz量程)和10s(0~999.9Hz量程)。

VT7和发光二极管VD5等组成闸门时间显示电路,用来显示D1计数器的准确状态。由于IC3输出电流只有40μA,R16阻值不允许减小,因此VT7应选用β值较高的管子。
IC2使用双单稳态电路74LS221,采用DIP16脚封装,内有两个互相独立的单稳态电路,暂稳时间由外接RC定时元件的时间常数确定(t=0.7RC)。IC3输出的闸门选通脉冲下降沿触发IC2-1,使其产生一个约7μs的脉冲,加至IC1的LE锁存控制端,IC1内部计数内容即被移入状态存储器,并加以锁存。IC2-1输出脉冲下降沿又触发IC2-2,使其也输出一个约7μs的脉冲,并加至IC1的RST复位控制端,对IC1内部译码器输出的位扫描码和笔段输出信号进行清零,从而保证了整个电路协调工作。
VT6等组成缓冲电路,防止输入信号电压过高而损坏计数器IC1,VD2、VD3组成二极管与门,将被测低频信号和闸门选通脉冲相与后,再送到IC1的CLK时钟信号输入端。
为了便于仿制,图2给出了单面印制线路,王板为焊接面,显示板为元件面,其中细虚线为跳线。线路板制成后,将显示部分锯下来,在两块板上分别装好元件,并用硬裸铜线把两块板的对应点一一焊接起来,然后将两板弯成90°,再装入适当的机壳内。

本频率计无溢出指示电路,因此在测量频率未知的信号时,最好先选择频率范围最高的量程。必要时,再逐步降低量程范围。(瞿贵荣)