(李楷)电扇的作用是使空气流动,将人体汗液迅速挥发,吸收身体的热量,使人感觉凉爽。事实上,人感觉热不热,并不是由气温一种因素所决定,当空气相对湿度较大时,虽然气温并不太高,仍会感到闷热,所以相对湿度的影响也不能忽略。本文介绍的自动智能控制器除考虑气温外,还考虑了相对湿度的影响。当空气相对湿度在70%以下,气温在30℃以上,并有人在监控范围内时,电扇将自动启动。气温升高,电扇转速随之增加,送风量加大;反之,电扇转速减小,送风量自动减少。当空气相对湿度在80%以上,气温在28℃以上,且有人在监控范围内时,电扇会自动启动,同样,电扇转速也会随气温变化而变化。当相对湿度或气温低于规定的标准或在监控范围内无人时,电扇不启动,若正处在运行之中时,经延时后即停止转动。
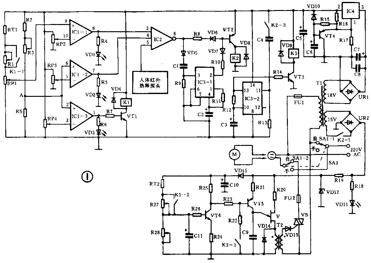
本电扇自动智能控制器电路由6部分组成:1.条件控制电路;2.启动电路;3.调速电路;4.相对湿度控制温度电路;5.延时电路;6.电源电路。电路原理见图1。相对湿度检测电路有两路:一路由湿敏电阻RS、IC1-2、RP3及发光管VD2等组成,相对湿度设定在70%以下。另一路,由RS湿敏电阻、IC1-3、RP4及发光管VD3等组成,相对湿度设定在80%以上。家用录像机中的湿敏电阻可用于本电路,充当RS。它的特性见图2。相对湿度较小时,RS阻值较小;当相对湿度较大时,其阻值骤增,相对湿度达到90%以上时,其电阻值可达50kΩ以上。R2、R3与RS构成分压电路,湿度较小时,RS上的压降小,A点电位较低;湿度较大时,RS上压降增大,A点电位升高。当A点电位低于IC1-2的5脚(也低于IC1-3的3脚)电位时,IC1的7、1脚为低电位;当湿度增大,A点电位升高到高于IC1-2的5脚电位时,7脚电位由低变高,VD2点亮;湿度进一步增大,A点电位继续升高,当高于IC1-3的3脚电位时,其1脚电位由低变高,VD3点亮,VT1饱和导通,继电器K1吸合,K1-1与K1-2常开触点闭合,分别将电阻R1与R27短路,使温度检测电路的温度标准下调,即湿度大时,电扇的开启温度降低。温度检测电路和湿度检测电路工作原理相似,RT1、RT2为2.7kΩ~3.9kΩ的负温度系数热敏电阻。当温度上升时,RT1阻值下降,IC1-1的9脚电位升高,直到高于10脚电位时,8脚电位由低变高,VD1点亮。如果有人在监控范围内,人体红外热释探头输出高电位,此时3个条件都具备,IC2三输入端与非门6脚电位由高变低,VT2饱和导通,继电器K2吸合,K2-1常开触点闭合,接通变压器次级另一组绕组,使电子调压器工作,触发双向晶闸管,电扇得电,K2-2常开触点闭合,由C4、R13组成的微分电路,输出一个正向尖脉冲,启动电路中IC3-2的11脚收到触发脉冲后,单稳延时电路工作,由C3、R12的取值决定延时的长短,IC3-2的13脚电位由低变高,使VT3饱和导通,继电器K3吸合,K3-1常开触点闭合,VT5饱和导通,双向晶闸管VS完全导通,电扇全压启动,单稳延时电路工作结束,K3释放,电子调压器开始工作,根据温度的高低,双向闸流管VS导通角不同,电扇所得交流电压不同,温度高,转速高,风量大;温度稍低,转速下降,风量减少。控制器的延时电路,是在相对湿度或气温低于规定的标准,在监控范围内无人,其任一条件发生时,IC2与非门的输出端6脚电位由低变高,C1、R9组成的微分电路将正向尖脉冲送入IC3-1的3脚,单稳延时电路工作,电扇延时电路启动,C2、R11决定延时长短,2脚输出低电位,使VT2继续导通,直至延时结束,VT2截止,K2释放,风扇停转。电子调压器是由VT6、VT5及其周围元件等组成,RT2随温度增加阻值减小,使VT6基极电位上升,VT6由截止进入放大,VT5基极电位下降,VT5也由截止进入放大,经R21、VT5向C9充电,弛张振荡器产生的尖脉冲触发双向晶闸管。当50Hz交流电压过零时,C9通过V发射结迅速放电完毕,使下半周充电从零开始,触发脉冲出现的时间每半周期内相等。VT5内阻随温度高低变化时,就改变了C9充电的快慢,从而改变了双向晶闸管的导通角,达到调整加在电扇上电压的目的。为了不使主电路带有对地220V交流电压,使用隔离脉冲变压器T2,VD13、VD14用来滤除弛张振荡器产生的负脉冲。慢启动直流稳压电源是考虑到TC3-1在刚接通市电时,不要有启动和延时的误动作而设置的。由于控制电路的直流电源是慢启动,电压没有突变,C1、R9微分电路不会产生触发单稳电路的尖脉冲。刚接通市电时,VT4饱和导通,c、e间内阻很小,将R17短路,IC4输出1.25V,IC3-1因电压低不工作,经R16、R15向C6充电,VT4基极电位随C6充电进程而逐渐升高,VT4退出饱和、放大区而截止,截止后的VT4不再参与IC4的稳压工作,输出电压可由公式1.25(1+R17/R16)计算,R16、R17的阻值已定,可以计算出输入电压值。启动速度由R15、C6的大小来决定。电源变压器T1选8W,次级两组绕组,一组15V~18V,另一组12V~15V。T2可用中型半导体收音机输入变压器。本控制器输出做成插座式,SA1为双刀双掷开关,可以自动也可以手动,原电扇不需要改动,只要将电扇电源开关接通,电源插头插入本控制器的输出插座即可使用。



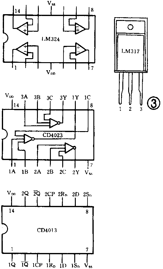
附表是电路使用的元器件符号与规格数值对照。其中电阻都可以用1/8W的碳膜电阻,如果有条件,R11、R12、R16和R17用金属膜的。K1、K2使用有两组常开接点的4098等型号的继电器;K3使用有一组常开接点的4100等型号的小型继电器。K1、K2、K3的线圈电压都用12V。VD4、VD8、VD9用来保护三极管,防止继电器线圈在断电时产生自感电动势击穿管子。在IC4的2、3脚之间,可以接一只保护二极管,二极管的正极接2脚,负极接3脚,可以用1N4001等型号的管子。IC4应加2W以上的散热器。VS也要加较大的散热器。但要注意散热器不要与其它元件或印制板铜箔相碰,防止出现短路而损坏元器件。人体红外热释探头用直流电源12V的成品。本控制器电路的调整分5部分:①先调整温度检测电路,RT1在30℃的水中(防水的情况下,相对湿度在70%以下)时,使RP1中心滑动端处于三分之一的位置,调整RP2使VD1刚点亮。②调整相对湿度检测电路第一路,)为70%时,调整RP3使VD2刚点亮;再调整相对湿度检测电路第二路,在湿度为80%时,调整RP4使VD3刚点亮,并K1吸合。③调整两个单稳电路的延时时间,改变R11的阻值,使延时时间为2分钟;改变R12的阻值,使延时后电扇已启动完毕。C2、C3用漏电小质量好的电解电容器。④在K2闭合后,电扇启动电路启动完毕,再调整电子调压器,在RT1、RT2都浸入30℃的水中(防水的情况下)时,调整R27、R28使电扇转速较低,在温度升高时,转速应加快,可通过调整R27来达到要求的转速;下一步还需在K1也闭合的情况下再调一次R28,使相对湿度较高时,温度刚达到启动标准,电扇为中速。⑤慢启动电源中,R15、C6的选择,启动后达到正常电压所需时间的长短,以8s~10s为参考,也可自定,但最少别低于5s为好。上述的调整元件,RP1、RP2、RP3、RP4、R1、R3、R27及R28等,使用实芯电位器为好,如果用可调电阻时,也要选质量好的,防止使用一段时间后出现接触不良,调整元件安放在控制器的盒内,防止调乱标准。图3是所用集成电路的引脚图。IC1是四运算放大器,这里使用了其中的三个;IC2有三个三输入端与非门,现只用其中的一个。图4是参考外形,人体红外热释探头、湿敏电阻和两个热敏电阻应安装在控制器的正面,并从面板上向前凸出,可在湿敏电阻和两个热敏电阻前装上金属丝网罩进行保护,避免损伤探头,避免控制器本身散发出的热量影响温度检测的精度。VD1、VD2、VD3及VD11是4只发光二极管,安装在控制盒的前面板上,VD1和VD3是红色,VD2为黄色,VD11用绿色,它们分别指示温度、湿度1、湿度2和电子调压器的工作状态。控制器输出插座,安装在控制盒的后面板上。控制盒安放在1.2m的高度,与电扇保持一定的距离,电扇的风不能吹到盒上。控制器发热量较大的元器件,应尽量安放在盒的后部,并在控制盒适当的位置开有通风孔,以利散热。

