晶体管扩音机以它的优越性能及节省电耗,被工厂、矿山及广大农村广播台(站)采用,取得良好的效果。笔者根据日常检修经验,将晶体管扩音机经常出现的声轻、无声故障的排除方法作些介绍,以飨读者。
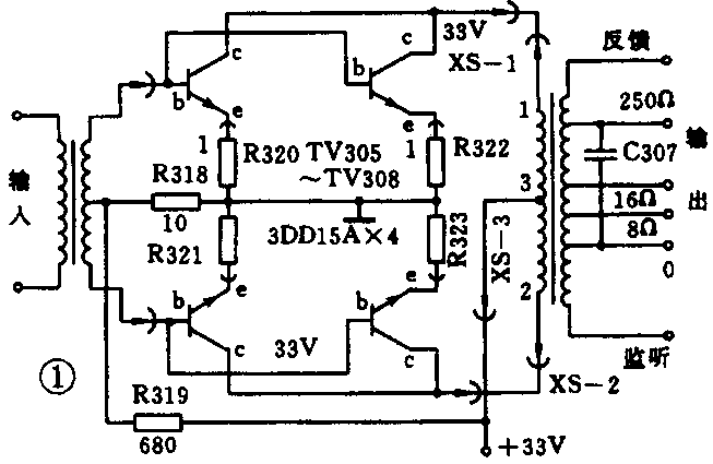
1.长沙产JKL4—50型50W高保真晶体管收录扩音机一台,开机无声,过后机内冒烟,变压器发热。打开机盖观察,4只功放管的发射极电阻R320~R323(见图1)均已烧焦变色,用三用表测阻值均为1Ω,可用。测4只功放管TV305~TV308(3DD15)全部烧毁,然后配对换新。再拔下插座,测输出变压器的阻值,初级1-3为0.4Ω,3—2为0.4Ω,基本正常。测初次极间的电阻值为无穷大,说明变压器的初、次极间无短路现象。测次级0~8Ω绕组为0.7Ω,0~16Ω为1Ω,0~250Ω为1Ω,显然此组不正常了。断开C307涤纶电容,测阻值为0说明电容器已击穿,更换1只0.015μF(630V)的金属化电容后,测变压器的各绕组的阻值均正常,接上负载,插好话筒,开机一切正常。

2.机型同上,开机音轻,逐渐无声,电源变压器和输出变压器开机10分钟后发热。开机首先测功放管TV305~TV308,4只管子中,已烧毁2只,按原型号管换新后,又测变压器的初、次级各种数据完好。接假负载,加电测4只管的集电极电压33V,正常,测基极偏压,两管为0.5V,另两管无偏压而不工作,使话筒与前级放大信号全部加在完好的两只管子上,故被烧毁。测输入变压器次级电压分别为0.5V,正常,再测插座上无电压,原来此种插座易发生接触不良。修理方法:把线从插座上焊下来,直接焊到插头上,使其保证接触良好,尔后开机,一切正常。
3.长沙科教仪器厂生产向东牌50W收录扩音机一台,故障现象是无声,易烧功率三极管,该机使用的一只25W16Ω高音扬声器,未接其他负载,声音洪亮,但开机数十分钟后,突然无声,几次送修检查,都是烧毁三极管。打开机盖,参看图2所示电路,先测功放管3TV7~3TV10,已全部烧毁。测量输入、输出变压器,阻值正常。各电阻电容器均完好。据用户反映,该机长期将1只25W的扬声器接在这台功率为50W的机子上,显然功率不匹配,负载比较轻,所以当音量开足时,会使电压升高,功率增大,加之晶体管过载能力差的弱点,故多次烧坏功率管。为了增大电流和过载耐压值,更换了4只耐压高且价廉的BU326大功率管,再把负载重新配置,就是在输出端并接一只30W16Ω的线绕电阻,如找不到同功率的电阻的话,可用一段500W的电炉丝截取16Ω代替,与扬声器并在一起,再接到扩大机的8Ω端子上,使阻抗和功率均达到完全匹配。已工作半年,没再烧管子了。提醒读者注意,扩大器和扬声器配接时,一定要考虑阻抗、功率的匹配问题。

4.一台向东牌50W多用机,故障现象是音轻,且有严重的失真。打开机盖,不加电测4只功放管正常,输入和输出变压器的内阻正常,接上负载(从0~250Ω处接40W白炽灯一只),把音量放在较小位置。开机,测各发射极电压为-31V,基本正常,基极电压3VT7、8为0.6V正常,3TV9、10,电压为0。关机后断开电阻3R31,测阻值正常,再断开3R27,测电阻阻值无穷大,更换1只1.5kΩ的电阻后,故障排除。(游东清)