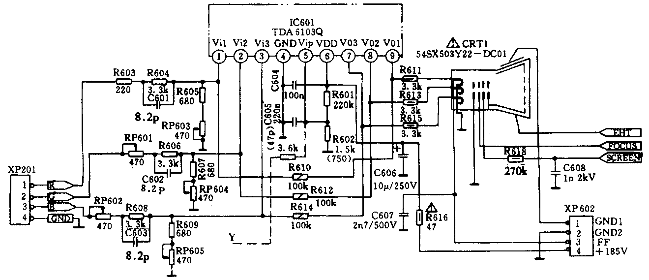
TDA6103Q是荷兰飞利浦新推出的一种内部含有RGB3路信号的集成化单片视频末级放大器或称末级视放矩阵电路,这是一种新型CRT尾板视放,它采用了DOMOS新技术,可直接驱动显像管3个阴极,比以前传统的分立件视频放大器优越的多,该电路主要特点是具有高视频带宽(7.5MHz)、高增益和良好的过渡沿特性,使图像质量能得到较大改善,图像清晰度进一步提高,并且它有各种自我保护措施,如过热保护和显像管打火保护,所以可靠性高且一致性好。TDA6103Q采用SIL9MP封装,外围元器件少,在现代电视机尤其是大屏幕彩电及I2C总线控制的彩电中应用越来越广泛,TDA6103Q的各脚功能及电压数值如附表所示,应用电路如附图所示。

附表:各脚功能及电压数据
管脚 功 能 参考工作电压
1 R(红)信号输入端/(R-Y) 1.3V
2 G(绿)信号输入端/(G-Y) 1.3V
3 B(蓝)信号输入端/(B-Y) 1.3V
4 地 0V
5 参考电压取样/Y信号输入 1.3V
6 电源电压 185V
7 B信号输出 111V
8 G信号输出 112V
9 R信号输出 114V
电路应用原理:当TDA6103Q用于RGB输出型的彩色解码器时,R、G、B信号分别送至①、②、③脚,经内部处理从⑨、⑧、⑦脚输出放大的视频信号,直接驱动显像管阴极,使显像管产生图像,RP601、RP602为亮平衡调节电位器,RP603、RP604、RP605为暗平衡调节电位器,⑤脚外接分压电阻产生固定偏压,R610、R612、R614为反馈电阻;当用于色差输出型的彩色解码器时,R-Y、B-Y、G-Y信号分别从TDA6103Q的①、②、③脚输入,而⑤脚输入亮度信号-Y,电路中应串接一只3.6kΩ的电阻,同时电容C605应改为47pF,R602改为750Ω,在内部完成矩阵变换,从⑦、⑧、⑨输出脚得到G、B、R视频信号,从而驱动显像管输出正常图像。
在应用中注意以下几点:
a.采用通常的MOS器件保护措施;
b.集成电路TDA6103Q需加一散热片;
c.⑦、⑧、⑨脚至显像管阴极应串接一个1.5~3.3kΩ的优质高压电阻,并需要一个2kV的火花距离;
d.电源电压应在180~210V之间,必须退耦,且TDA6103Q必须置于显像管的尾板上。(张玉香)