在数字系统中,译码器的功能是将一种数码“翻译”成另一种数码。译码器的输出状态取决于输入变量各种可能的组合。利用译码器可操作成控制系统的其它部分,也可以驱动显示器,实现数字、符号的显示。
译码器是一种组合逻辑电路,工作状态的改变无需依赖时序脉冲。一般译码器可分为数码译码器和显示译码器两大类,其中包括一些多功能译码电路。
数码译码器主要是将输入的BCD代码译成十进制码,用以产生0~9的时序脉冲,如CC4028和C301就是这种类型的译码集成电路,图1为该集成电路的引出端功能图和真值表。数码译码器还能将输入的十进制码转换成BCD码输出,C304是十进制码-BCD码译码器,图2为该集成电路的引出端功能图和真值表。


显示译码器主要是将输入的数码还原成数字或字码形式,使用较多的是7段显示译码器。显示译码器的逻辑设计要考虑到显示器的字形,显示器的各显示段可以组合成0~9十个数字或其它符号(见图3)。

显示器件有多种类型。液晶显示器的驱动电流较小,LED数码管的驱动电流约需10mA左右,荧光数码管的驱动电流虽然只需几百微安,但它的阻极工作电压较高,可分为低压(12V)和高压(20V)两种,并需施加灯丝电压。
下面以双向流动灯为例介绍译码器的应用。
整机电路见图4,本电路由时钟电路、可逆计数电路、显示电路等组成。IC1、IC2组成多谐振荡器,用以产生时钟脉冲信号。可逆计数电路由IC3、IC5等组成。IC3为可逆计数器,从多谐振荡器送来的时钟脉冲上升沿输入IC3的CP端,其输出端QO~Q3输出四位二进制BCD代码。在U/D为高电平时,计数器作加法计数;U/D为低电平时,计数器作减法计数。IC5为双稳态电路,它的CP端每接收到一个上升沿脉冲信号,电路就翻转一次,其输出直接控制IC3的U/D端,显示电路由IC4、发光二极管等组成,IC4为BCD-十进制译码器,由IC3计数器输出的BCD码,经译码后在其YO~Y9输出端依次输出高电位,使发光二极管依次从VD0→VD9或VD9→VDO发光

元件选择及调试:
IC3可逆计数器选用CC4O29可预置数的二-十进制加/减计数器,它只有一条时钟通道,加/减计数的转换由控制线的电位或脉冲来决定,用脉冲的上升沿来触发。电路具有预置级、加计数和减计数等几种基本功能。
译码器选用CC4028BCD码-十进制译码电路,它可将BCD码译成十进制码,用以产生0~9的时序脉冲,输出驱动发光管,显示相应BCD的十进制数字。
IC1、IC2、IC6、IC7选用CC4001四2输入或非门集成电路。IC5选用CC4013双D触发器。集成电路引出端功能图见图5。

图6为印制电路板图。调试时将电路分成三部分来进行。

振荡器部分:可用发光二极管正极接IC2的4脚,负极接电源负极,如能闪烁说明振荡电路工作正常。也可用万用表检查,红表棒放IC2的4脚,黑表棒放电源负极,若表针晃动说明电路工作正常。
可逆计数器、译码显示器部分:可将计数器和译码显示器两部分联合调试,先将IC3的U/D端人工控制,当接高电平时(可接电源正极),计数器应作加法计数,也就是说,在CP端输入时钟脉冲后,发光二极管应从0→9流动闪光。U/D端接低电平时(可接电源负极),在CP端输入时钟脉冲后,发光二极管应从9→0流动闪光,作减法计数。如果不正常,可检查集成电路是否完好,发光二极管有无损坏或接反。
双稳态电路部分:我们可用发光二极管正极接Q端(1脚),负极接电源负极,将IC6的二输入端并联接IC2的输出端(4脚),发光二极管若随时钟脉冲一闪一闪,说明电路正常;如不闪,说明集成块有问题,应予调换。再以数字钟加星期显示为例介绍译码器的应用。
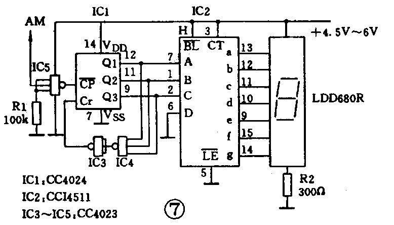
整机电路(见图7)可分为两部分,即七进制计数器部分和译码显示部分。集成电路IC1构成七进制计数器,由数字钟送来的“AM”脉冲信号,输入七进制计数器的时钟输入端CP,计数器进行计数。在计数中,只要输出端Q2、Q1、Q0中有一位为0电平,通过IC3、IC4组成的与门电路,使计数器的清零端Cr为零,计数器将继续计数;只有当Q2、Q1、QO的输出全为1时,与门电路才产生高电平复位信号,使Cr端为1,计数器回复到0状态。集成电路IC2构成译码/显示部分,由IC1送来的BCD码,在IC2中进行译码,译成七段显示代码并驱动共阴数码管显示。

元件选择与调试:
IC1集成块选用CC4024七位二进制串行计数器,它有两个输入端,一个是时钟输入端CP,一个是清零端Cr。当Cr加上“1”电平时,各输出端都为“0”;当Cr为“0”电平时,在时钟脉冲下降沿的作用下,作增量计数。
IC2选用CC14511 BCD-锁存/7段译码/驱动器,它把从IC1处编码后的BCD码译成七段显示代码,并驱动共阴数码管。
IC3~IC5选用CC4023三3输入端与非门,数码管可选用LDD-680R共阴极的,图8为各引出端功能图。

整机安装在图9所示的印制板上,本器安装时注意“AM”输入端,因为IC1的CP端是下降沿脉冲触发,要看清数字钟是共阴还是共阳极的,对于共阴数字钟,接“AM”信号,而对于共阳数字钟,需接“PM”信号,本器中“4代表星期日。本译码器如果输入端不接数字钟,可以装制成人工控制,在“AM”处接一只手动开关,输入上升沿脉冲就能改变日期。(程国阳)
