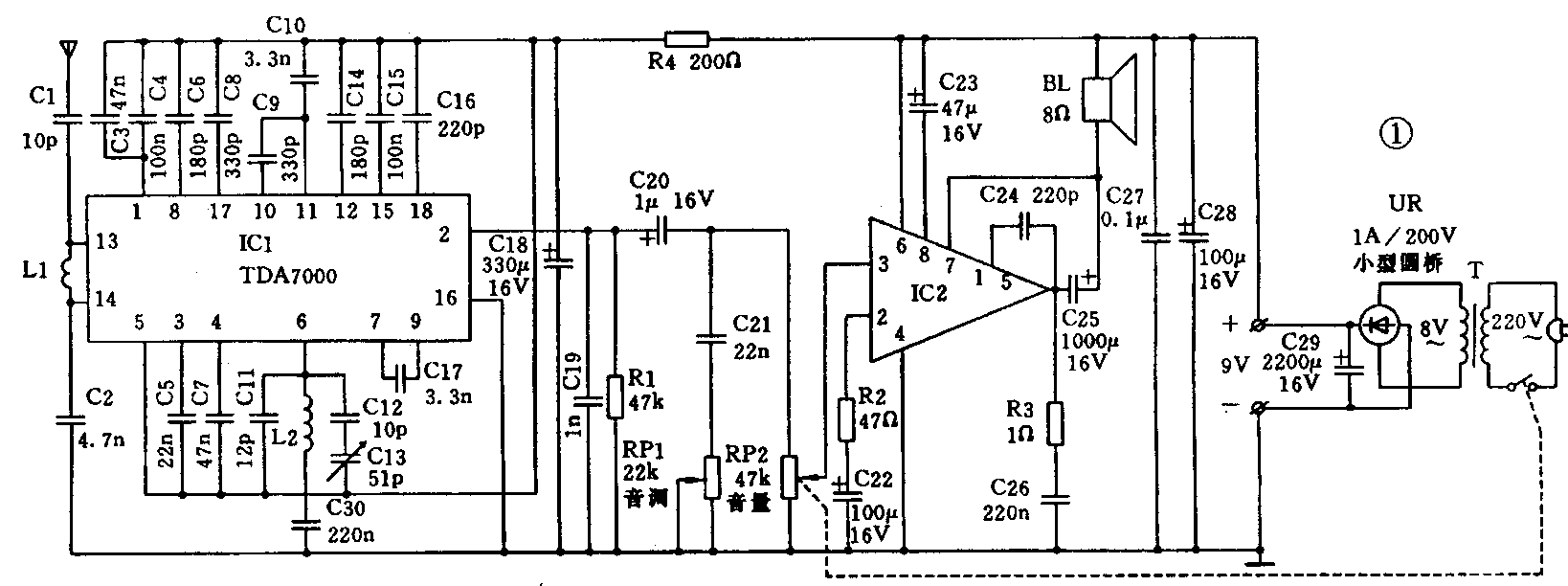
该收音机电路见图1,核心器件是飞利浦公司生产的单片调频收音机集成电路TDA7000,图2为其内部结构方框图。TDA7000内部包含本机振荡器、混频器、两级有源滤波放大器、中频限幅放大器、鉴相器、校正器和静噪电路等。TDA7000的中频频率设计为70kHz,因此可用两级有源滤波放大器来代替常规调频收音机中的10.7MHz中放电路,避免使用调试、安装均显繁杂的中频变压器,使问题大大简化,可谓是中频免调的调频收音机。


天线收到的调频广播信号经C1加至L1,由L1馈至IC1的13、14脚。L2、C11~C13与IC1内电路组成本机振荡器,调节C13可改变本机振荡频率,从而实现选台。输入的调频广播信号与本振信号在IC1内部经混频后,差出70kHz的中频,经中频放大、鉴频后从2脚输出音频信号。此音频信号经C19、R1去加重后,经C2O耦合至音量电位器RP2,经RP2分压衰减后,再送入IC2低频功放电路放大,最后推动扬声器BL发声。C21、RP1组成衰减型RC音调控制电路,可改善听音质量。
电路中,C2、C30为高频旁路电容。C6、C8~C10、C14~C16、C17等同IC1内的电阻一起,组成70kHz、RC型中频选频网络。C7用于消除解调输出端的中频谐波,并使锁定频率的锁相环时间常数恒定。C5用于检出电台间的噪声,进而触发静噪电路,实现调谐静噪。R4、C18、C30组成RC型退耦电路,防止IC1工作时产生自激。低频功放IC2的2脚为负反馈输入端,R2决定IC2的闭环增益,R2增大时增益下降,反之则升高。C22为负反馈电容,它决定着IC2的低频响应,一般应大于100μF。C23为IC2的自举电容,它可使IC2增大输出功率并扩展动态范围。C24及R3、C26组成消振网络,防止IC2发生自激振荡。C27~C29为电源滤波电容,用来改善电源的纹波系数,防止发生高、低频自激。
本机采用交流供电,市电220V经T变换成8V的低压,然后经UR全桥整流、C29滤波后,供收音机使用。本机的输出功率可达1.5W。
制作时,IC1、IC2采用进口集成电路TDA7000及TBA820M。RP1、RP2均使用普通的碳膜电位器,但RP2应带有开关,以便控制收音机通断。UR选用1A/200V小型圆桥。T选用功率3W、次级电压6~8V的小型工频变压器。扬声器BL使用8Ω/1W的5英寸电动式扬声器。天线可使用一段2m长的塑料软电线,也可使用0.8m长的拉杆天线。C13使用CBM-223小型差容式密封双联可变电容器,其容量小的一联正好为51pF左右,另一联短路不用。L1用φ0.51mm漆包线在φ5mm钻头上密绕3匝后脱胎。L2用φ0.51mm漆包线在φ5mm钻头上间绕5匝后脱胎。电阻R1~R3使用1/8W碳膜电阻。所有无极性电容均使用小型瓷片电容。电解电容的选用已在图1中标明。
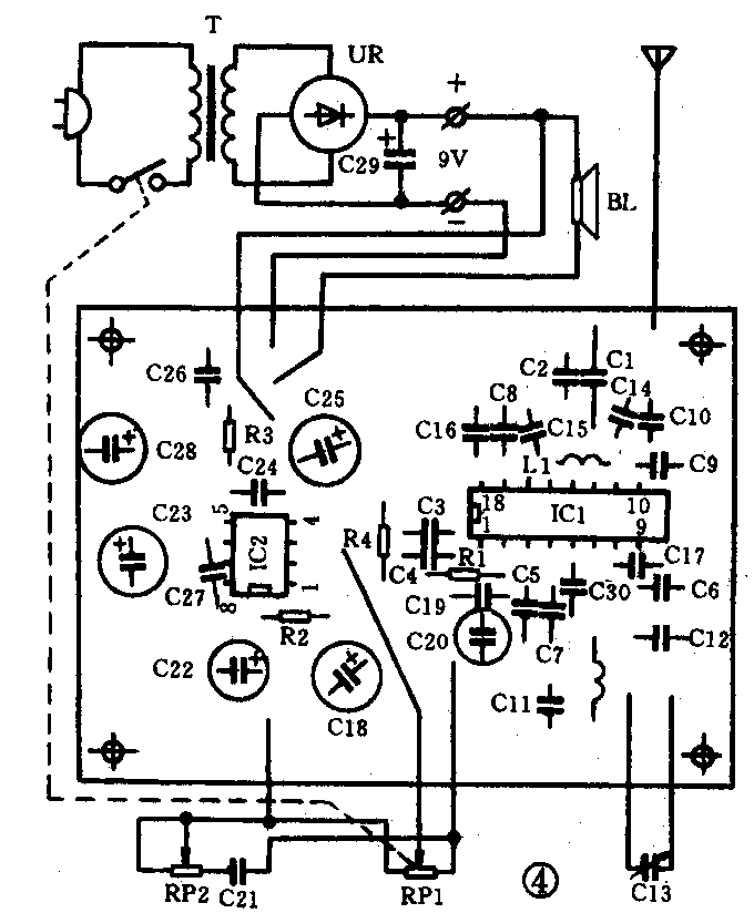
整机安装在图3所示印板上。图4为元件安装示意图。变压器T可用热熔胶直接固定在收音机的机壳内,滤波电容C29也用热熔胶固定,将小型全桥UR直接架在C29上用焊锡焊牢如图5所示。



安装完毕后,仔细检查无误即可通电调试。旋转RP2可听见扬声器中有“咝、咝”声发出,此时电路工作基本正常。旋转C13即可收听到调频电台广播。仔细调整L2(拉开或压缩L2)使收到的电台位置与刻度盘相符。若调L2后刻度仍不符,可酌情调整C11使之符合。需注意的是,此机的AFC(自动频率控制)范围较宽,因此调整时一定要将指针调到AFC范围的中心位置。最后,给本机配上一个美观的小台式外壳后即可投入使用了。外壳可以用有机玻璃制作,也可以用木板制作。(周兴华)