本文介绍的电容充放电演示仪,是采用灯光移动的方式,显示电容器在充电或放电过程中电容端电压和电容中电流随时间变化的曲线,非常直观有趣,容易产生深刻的印象。
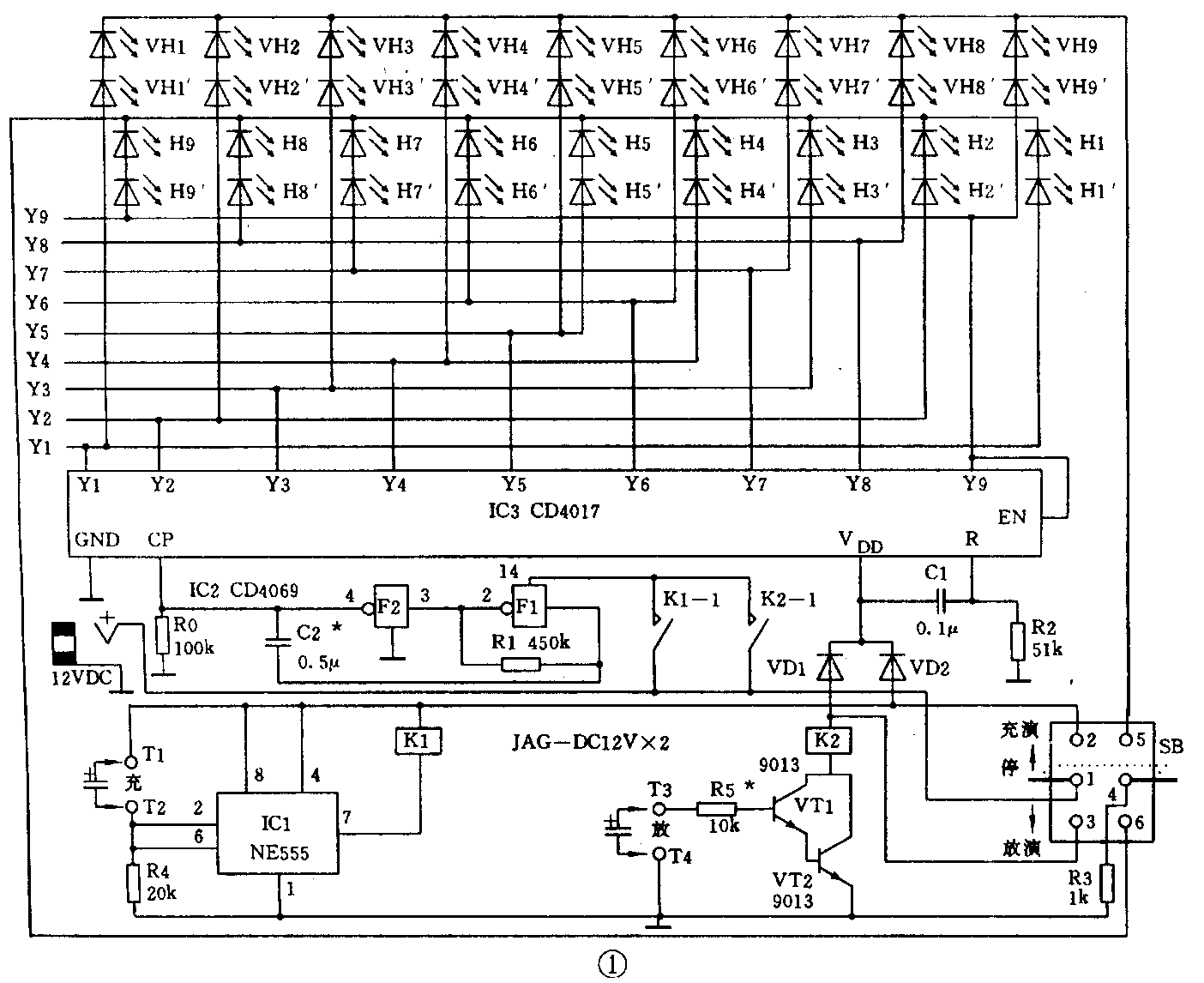
电路见图1,R4、时基集成块IC1和继电器K1构成电容充电电路。R5、VT1、VT2和继电器K2构成电容放电电路。K1-1和K2-l分别是K1、K2继电器各自的触点。T1、T2和T3、T4是电容充电和放电的选择位置。SB是一只三位开关(具有上、中、下三挡)用于“充演”(充电演示)、“放演”(放电演示)、“停止”三种状态的选择。IC2(F1、F2)组成典型的与非门多谐振荡器。IC3为十进制计数译码集成电路。C1、R2组成断电后的调电复位归零电路。VH1(VH1′)~VH9(VH9′)是电容充电曲线显示发光管。H1(H1′)~H9(H9′)是由容放电曲线显示发光管。R3是充电、放电发光管的共用限流降压电阻。VH1(VH1′)~VH9(VH9′)应根据电容充电时的端电压(u)随时间(t)变化和电流(i)随时间(t)的变化规律依图2方式进行排列。H1(H1′)~H9(H9′)应根据电容放电时的端电压(u)随时间(t)变化和电流(i)随时间(t)的变化规律依图3方式进行排列。



1.电容的充电演示
将SB拨到“充演”位置,此时IC1、IC3集成块均获得工作电源,且VH1~VH9发光管的负极与R3接通。由于C1、R2的作用,IC3复位归零,只有YO端输出为“1”(电路中未用),其它“Y”输出端皆为“0”。在待充电容未插入T1、T2位置,IC1的2、6脚为低电平,内部三极管截止,使7脚对地开路,K1继电器不动作。当将不带电的电容插入T1、T2充电位置,由于电容具有端电压不能突变的特性,IC1的2.6脚为高电平,内部三极管导通使7脚为低电平,K1继电器得电动作。K1-l触点闭合,振荡器启振,输出的脉冲信号推动IC3工作使VH1(VH1′)~VH9(VH9′)依曲线排列方向升位(u/t)或降位(i/t)发光。从图2发光点的走向可看出:电容的端电压随时间的增长越来越高(直至不变);电容中通过的电流随时间的增长越来越小(直至为零)。为了确保充电演示完毕最后的显示状态得以保持,电路中将Y9和EN连接,以达到只要Y9为“1”,对电路实现状态保持。电路工作时,当电容上的电压充至2/3VDD时,K1就已失电释放。由于电容在充电过程中老师对学生会不停地讲解,持续时间一般较长。讲述占用较长的时间正好给电容提供了充满电荷的良好机会,故不要顾虑电容充不足电。
2.电容的放电演示
先将充足电的电容拔下;将SB从“充演”位置转换到“放演”位置。由于在过渡过程中SB必经“停止”位置使IC3失电。当在“放演”位置时,C1、R2的作用使IC3复位归零。同时H1~H9发光管的负极与R3接通。将充足电的电容按插到T3、T4放电位置上。此时电容上的电荷将经R5和VT1、VT2的b、e极放电,K2得电,K2-1闭合,振荡器再次启振。H1(H1′)~H9(H9′)依次发光。由图3的发光点可看出:在放电过程中电容的端电压和电流均随时间的增长越来越小,直至为零。
说明:(1)充放电电容选用50μF/16V的CD-11铝电解电容,要求漏电小。(2)电容在充电时其端电压达到2/3VDD时,K1继电器就失电释放了,应通过调整C2的容量或R1的阻值改变振荡频率,确保VH9(VH9′)在K1释放前发光。(3)放电可通过调整R5确保H9(H9′)在K2释放前发光。
演示充放电时,可在中途拔下电容,则电容充放电的当前状态被保留(灯光显示)以方便老师讲解。当将电容再插上去,电路会在原基础上继续工作。
另有一点提醒注意:充放电电容接入电路一定要注意极性,切不可搞错。(金有锁)