本文介绍一种在豪华型吊扇上使用的调光、调速组件,它有两种功能;可以开启灯光并实施无级调光,且亮度可以记忆下来;开启风扇(吊扇),并可以分高、中、低三挡调速,以及风扇的正转和反转。它不仅适合改装家庭的吊扇和座扇,稍加改动后还可以控制窗帘的启闭及音响室背景灯的亮度,它带有精美遥控手机,使用非常方便。
一、工作原理
1.发射部分:参见图l。它使用三菱公司的录像机、电视机上专用的三十功能红外线遥控发射专用大规模集成电路M50110BP,其内部由键盘输入编码器、指令译码器、振荡器、定时信号发生器、扫描信号发生器、编码调制和输出缓冲器等部分组成。此芯片使用低电压(3V)供电,且振荡器在未按下任何键之前不起振,可以节省用电。本电路有6×5键盘矩阵,共可发射30条指令。

在图1中,由2、3脚及外围电感、电容构成LC谐振电路,用以产生调制指令所需的载频。4~14脚构成6×5键盘,本电路只用其中的7个功能。指令红外载频信号由15脚输出。经VT8、VT9组成的达林顿放大电路放大后,由红外发射管VD4、VD5(并联)发射出去。
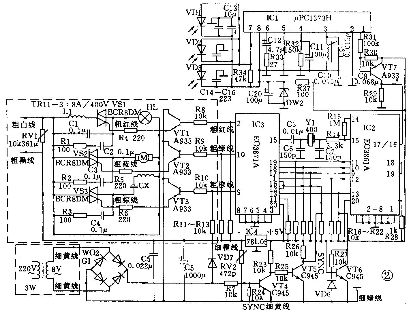
2.接收、解码、驱动、执行部分见图2。其中IC1为红外线遥控接收专用前置放大电路,内部由前置放大、自动偏置电平控制、限幅与电平补偿、峰值检测及脉冲整形部分组成。该电路的最大特点具有自动偏置电平控制电路,可以控制前置放大电路的增益,当风扇旋转时,进入红外接收管的信号会忽大忽小,此时自动(宽范围)的调整增益具有非常重要的意义。从图2中可以看到红外接收管有3只,以保证电路板随吊扇一起转动时能随处检拾到遥控信号。DW2用以稳定IC1的供电电压。经处理后的脉冲方波由IC1的第1脚输出,然后送到IC2解调。

IC2、IC3为专用红外遥控的解调、译码、驱动芯片。脉冲方波由IC2的16脚输入,经IC2解调的四位二进制码由9~12脚输出,直接送至IC3的1脚及17~19脚进行译码,得到三路控制信号由2、9、10脚输出,其中2脚用以控制灯光的开关及调光,9、10脚用以控制吊扇的转动线图及直动线圈,调速主要是改变转动线圈的电压,而转向(正、反转)主要是控制起动线圈的电流极性。其执行的元件都是8A双向晶闸管,由VT1~VT3分别进行驱动。图中粗线框为主电流的流向(强电220V),而其余均为弱电(低压),这里高低压电是连通的,亦即低压回路也带高压,主要是给VT1~VT3提供直流通路。因此在电路工作过程中或带电检修时应特别注意。
图2中的变压器约3W,需另配。由变压器提供的交流电经桥堆整流,通过VD7给予VT1~VT3供电,并向IC4(5V三端稳压)供电。IC4分别给IC3、IC1提供+5V的工作电压。而IC2则由VT6滤波后提供。
值得一提的是VT4、VT5,它们从桥堆整流后取出脉动直流电(未经滤波)经放大后给IC3的12、16脚提供同步信号,凡是双向晶闸管都必须由同步信号来控制其开闭,在这里则主要与控制指令一起作用于VT1~VT3,使其准确地控制晶闸管VS1~VS3的开闭及导通角。其中VS2更有正半周导通或负半周导通的功能,以控制风扇的正转或反转。
二、使用
本电路套板已安装调试好,其中遥控器含精美外壳,装上3V(2节五号)电池即可使用。而红外接收及控制板由两块直径9.5cm的圆形电路板组成,板上装有3只双向晶闸管及散热片,压敏电阻及C1~C4、R1~R3等阻容吸收回路,而下板则装有红外接收、解码、译码等电路,3只红外接收管在下圆板中的边沿相隔120°放置,且外部有铁屏蔽罩,减少干扰。电流部分的小电源变压器(8V/3W)是需另配的。读者可以利用以上的原理,自己在3个晶闸管的输出端接上相应的继电器等元件,便可做出适合自己的控制单元来。(通途)
广州通途电子有限公司供上述组件25元邮费8元/个,百个起20元。电话:020-83592575。地址:广州市麓景西路狮带岗中7号101,邮编:510091。