BA1530是一种可录放20s的高质量单片语音录放模块,它的主要特点有:采用独特的双向模拟I/O语音转换技术,可利用放音扬声器作话筒录音,组成最简单的录放电路;可以采用话筒录音或采用线录,采用话筒录音的灵敏度较扬声器高,采用线录有更好的质量;采用模拟/多电平存储技术,可避免一般A/D、D/A变换过程因量化和压缩所引起的失真;采用先进的非挥发闪速存储器,不怕掉电,录入的信息可保存100年,并可反复录音达1O万次(典型值);功耗低,工作电流为25mA(典型值),录放完毕后自动转入备用状态,在备用状态时耗电仅1μA,这不仅可延长电池的寿命,并且可不设电源开关;单电源5V工作,外围元件少、制作容易、使用方便。
由于该模块有上述特点,因此可开发出各种用途的便携式录放产品。例如,语言学习机、家用留言器。防盗报警器、高档会说话的玩具及贺卡、工业及消费类电子产品(如故障时用语言告警及操作提示、留言电话等)。
封装与管脚功能
应用电路
1.MODE脚的用法
MODE脚的接法不同,其功能不同,如表2所示。

2.三种录入方式连接
AIN及AOUT两管脚的接法与录入方法有关,如表3所示。

BA1530的用途较广,有不同的应用电路,这里仅介绍一些典型应用电路。
1.基本应用电路
基本应用电路如图2所示。利用扬声器作话筒录音,录音时按住录音按钮不放,VD1亮可开始录音,VD1灭录音结束(VD1为录音指示灯)。放音时按一下放音按钮,VD2亮即开始放音,将录入的信息全部放完,放音结束时VD2灭(VD2为放音指示灯)。在放音过程中若再按一次放音按钮,放音立刻停止,并自动“倒带”到起始端。

2.线录电路
3.话筒(MIC)录入电路
采用话筒录入电路如图5所示。采用话筒录音的音质比扬声器录入的好,并且音量大。

4.能改变录放时间的电路
在MODE脚接一个l00kΩ电阻接地,改变阻值时改变了振荡器工作频率,从而改变了录放时间,如图6所示。

5.全功能电路
一种具有快速向前及暂停的电路如图7所示。

6.防盗报警电路
一种防盗报警电路如图8所示。传感器可以是多种多样的(如干簧管、微动开关、振动传感器等),当传感器因移动、振动使传感器动作,③脚接地,触发放音进行报警。图中⑨脚输出的高电平经二极管输送到③脚,并通过10μF充电,使③脚保持高电平(锁定),不会受传感器再触发,使③脚接地时而中断报警。

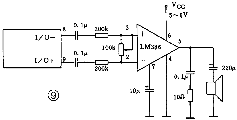
7.增加功放电路
外接一个LM386功放集成电路可增大输出功率,如图9所示。图中100kΩ电位器作为音量调节。

8.由微处理器控制录放电路
一种由微处理器控制的录放电路如图10所示。它可用作工业设备有故障时的语言报警或用语言进行操作提示。pxo=l时,语音IC得电工作;px1=l时为暂停;px2=0时为录音;px3=0时为放音;px4由0变成1时结束录音。模块BA1530供货消息可参见插页广告1999-4-5第一个广告。(方波)




