LQ1600K打印机线路分为主控板、操作面板、电源。其中电源部分故障率较高,LQ1600K打印机有两种电源结构,一种工作于100V~120V,型号为MONPS,一种工作于200V~240V,型号为MONPSE,两种电源工作原理基本一样。这里只介绍MONPSE电源板的工作原理与常见故障检修。
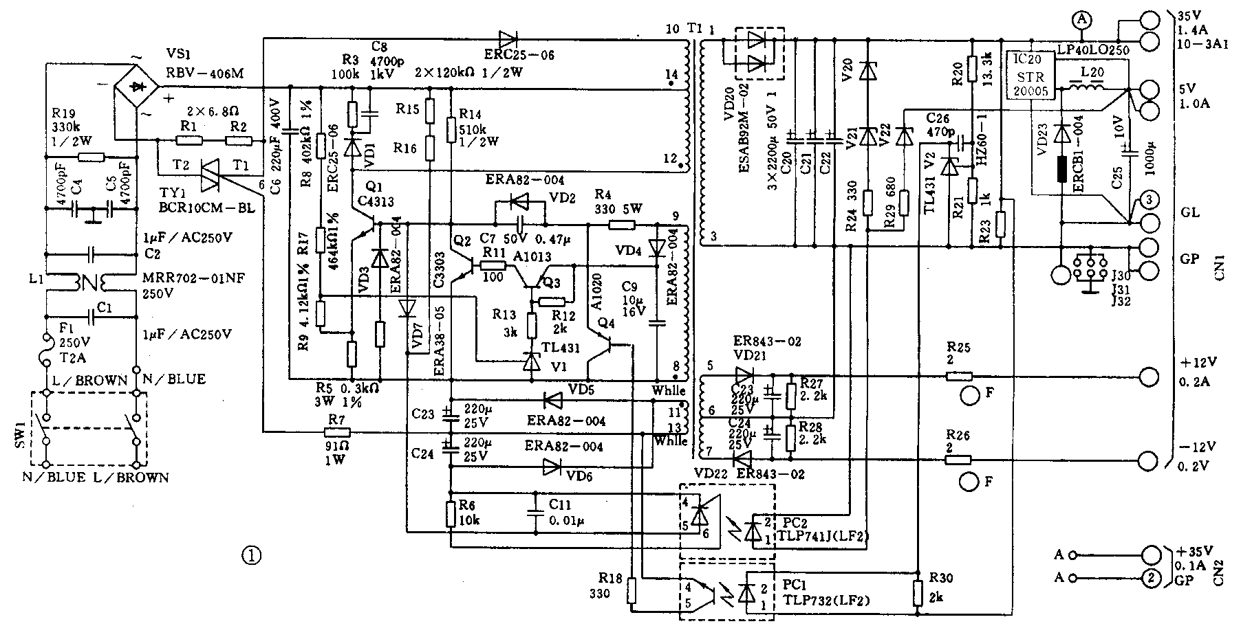
MONPSE电源板共有三组电源输出(参见图1):+35V/1.4A,用于字车电机、走纸电机、打印头、压纸连杆电磁铁和风扇的供电;+5V/1.OA用于主控板逻辑电路、各种检测电路、传感器、走纸电机和压纸连杆电磁铁的锁定电压的供给;±12V/0.2A用于选配接口板。另外还有一组+5V电源是在控制板上产生的,用于复位电路、蜂鸣器电源和打印头驱动电路,针数据输出端H\(_{1}\)-H24的上拉电源。

电源各部分电路的工作原理如下:
一、低通滤波
由电感L1电容C1、C2、C4、C5和R19成交流滤波电路,其作用一是防止高频干扰信号通过电源线对打印机产生干扰,二是防止机内脉冲信号串入市电造成对电源的污染。
二、整流滤波
由桥堆VS1电容C6组成整流滤波电路。回路中R1、R2、可控硅TY1能起到抑制浪涌电流的作用。当开机瞬间,TY1由于没有触发电压而截止,R1、R2限制了大电流的产生,当开关变压器T1中有电流流过时,在绕组中感应出电动势,经VD5整流,C23滤波后经R7给TY1提供触发电压,使其导通,将R1、R2短路,电源正常工作。
三、自由振荡
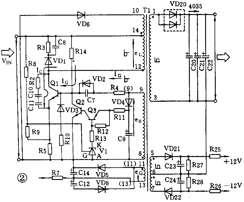
当打印机加电后,起动电流I\(_{G}\)(参见图2)流向三极管Q1的基极,使Q1导通,集电极电流IC开始流过变压器T1的组,于是就产生了正、端负的感应电动势e\(_{L}\),绕组⑧⑨上也感应出⑨端正⑧端负的电动势eB,e\(_{B}\)通过R4,VD2抬高了Q1的基极电位,使其进一步导通,形成正反馈;当Q1趋于饱和时,其集电极电流增加量变小,T绕组中感应出方向相反的电动势-eL,T⑨-⑧绕组中也感应出-e\(_{B}\)并通过二极管VD3使Q1的b-e极之间受到反偏而截止,VT1截止后在IG的作用下重复上述过程,形成自由振荡。

四、稳压电路
由R20、R21、V2、PC1、Q4组成;取样电阻R20、R21监视+35V电压的变化,当+35V电压升高时,V2的G极电压升高,K极电压升高,使光电耦合器PC1的②脚电位升高,④⑤脚间导通电阻增加,抬高了Q4的基极电位使Q1的基极电位也升高,从而使Q1导通时间变长,振荡变慢,使输出电压下降,反之亦然,起到稳压的目的。
五、保护电路
分过压保护和过流保护两种。过压保护电路由稳压管V20、V21和V22、光电耦合器PC2,二极管VD7以及R15、R16组成;过流保护由R5、R8、R9、R17、基准稳压电路V1以及Q2、Q3组成。其工作原理如下:当+35V电压升高超过极限电压40V、+5V电压超过+6V 时,稳压管V20、V21或V22中有电流通过,继而使光耦器PC2导通,VD7随之导通,Q1基极被钳位在低电平而截止,电源停止工作,起到保护作用。当出现过流故障时,接在Q1发射极的取样电阻R5上的压降升高,使B点电压升高,基准稳压源V1的G极电位升高,K极电位也升高,控制Q2导通,使Q1截止,电源停止工作,起到保护作用。
电源故障的检修:
1.电源保护
现象为开机瞬间电源指示灯一闪即灭、随即整机无任何反应,这种现象通常是电源保护电路起了作用,检修时应首先区分是过压保护还是过流保护,方法是先将插件CN1拔下,将电源与负载分离,此时测量输出电压,若正常,则是过流保护,若故障依旧则是过压保护。若是过压保护,可以将二极管VD7负端撬起,使过压保护电路失效,此时接通电源,用万用表测量+35V、+5V电压是否正常,如果输出电压均正常,则故障出在保护电路本身,依次检查V2O、V21、V22、PC2、VD7是否正常。检查稳压管V20、V21、V22时不能单纯测量它们的正反向电阻来断定好坏,应检查他们的稳压值是否已经变化,因为它们的稳压值决定了保护电路的阈值电压,所以当它们的稳压值变化尤其是变小时就会产生误保护。如果+35V电压超过+40V,应检查取样电阻R20、R21是否变质,V2、PCl是否损坏,Q4是否击穿短路等,如果+35V电压正常而+5V电压超过+6V则通常是稳压集成块IC20(STR20005)损坏,更换即可。
如果是过流保护,则检修方法与上有所不同,因为过流保护通常是因为负载短路引起,但也有是因过流保护电路本身故障而引起的误保护。检修方法是:截取一段阻值约为20Ω的电热丝作假负载,接于+35V输出端,此时接通电源,测量输出电压,若恢复正常,则故障是由负载短路引起;如故障依旧,则多半是因过流保护电路本身个别元件损坏或性能变劣引起,应顺序检查取样电阻R5是否变大,V1、Q2、Q3是否损坏等,然后将损坏的元件更换即可。
2.电源没有输出
在排除电路保护故障后应重点检查Q1是否击穿短路,R1、R2、R5、TY1是否开路,这些元件因长期工作在大电流状态下,极易损坏。
3.+35V电压降低
重点检查检整流堆VS1是否良好,C6容量是否减小或失效,R4阻值是否变大,TY1是否开路或导通电阻增加等。
4.元器件更换
电源开关管可以用V\(_{CEO}\)≥1000V、IC≥6A、P\(_{C}\)≥80W的开关管代换。如市场上常见的C3505、BU508A、D1403等,更换时应注意散热和绝缘。电阻、二极管、可控硅的更换除数值一样外重点考虑其功率,更换电容时注意其耐压值。(韩勇)