我国早期从日本进口的索尼KV-209CH彩色电视机,受到用户好评。近几年来,这一机型相继出现一些通病,本文仅对预调电视频道不能存储进行分析。预调电视频道不能存储,这种故障很容易被维修人员误诊,走弯路。由于这类电视机进口时,索尼公司向我国提供的有关维修资料也不全,这就给维修带来一定的困难。现将本人对该机型的上述故障维修经验介绍给读者,并绘出原机图纸中未提供的视中频电路板接口及内部电路(见图1、2),供参考。


故障现象:电视机不能存储预调电视频道信号。对于已存入电视机的电视频道可以通过遥控器上电台号码按钮或机上电台号码寻找钮选出你所需电视频道,但新增频道或你想对原电视频道重新调整时,发现电视机半自动预调,可以选出电视频道信号,但不能存储;选用自动预调时,能逐个选出电视节目,但屏显频道数不自动相应增加,自动预调所选出的电视频道也不能存储。正常情况下,每选出一个频道信号,屏幕显示自动增加一个号码数,即表示所选频道存储于屏显导码数内,原电视机频道信号也不能覆盖。
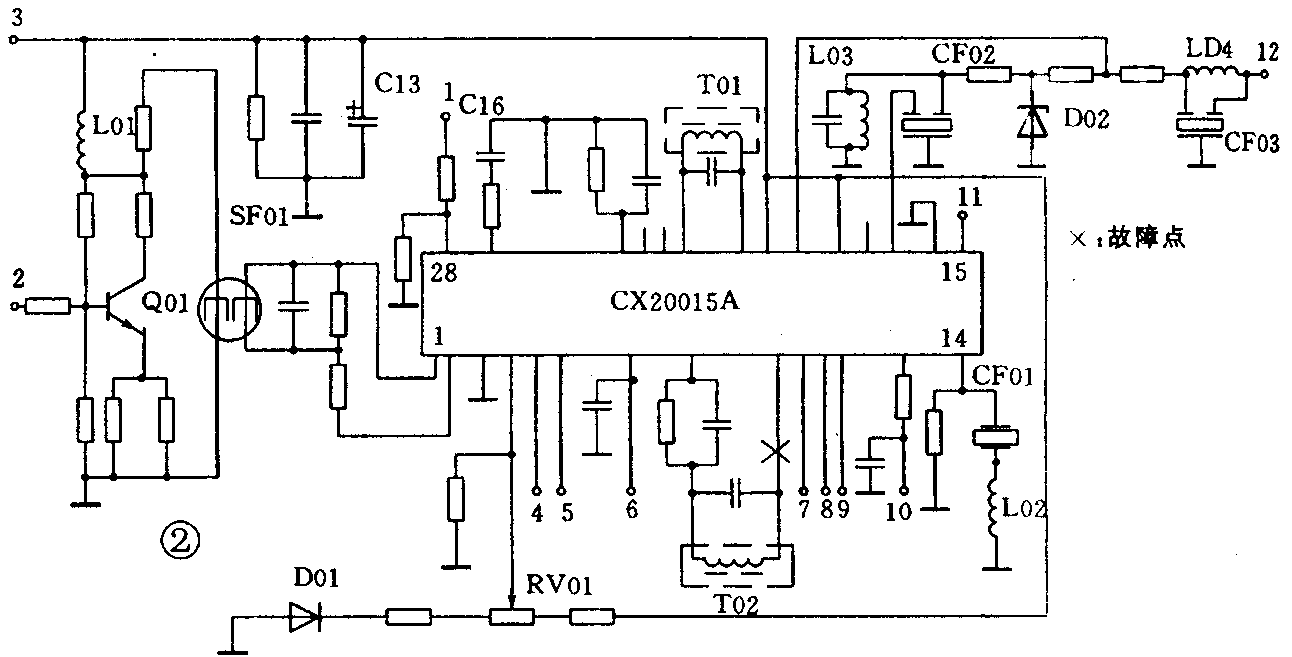
故障分析:根据故障现象分析,自动或半自动预调,能选出电视信号,说明选台调谐电压和信号通道是好的。按常规先检查记忆电路和中央处理器,经检查,记忆集成块(IC002)CXK100lP和外围元件、中央处理器集成块(IC001)CX552CPU和外围元件均没有问题。为了找出故障部位,我们来分析该机选台与存储工作过程。当选用半自动预调时,按下半自动预调按钮,中央处理器输出调谐电压给波段开关(IC006)LA7920至调谐器(高频头),直至选出电视信号,调谐器输出中频信号,由视中频电路板2脚(见图2)输入至图像及伴音中放CX20015A。在预调过程中,CX20015A除输出全电视信号、音频信号、高放AGC信号外,还输出自动频率微调信号AFT给中央处理器。如果AFT电路有问题,中央处理器无法得到选台信号,也就不会有存储指令给记忆电路CXK100lP,因此,存储器就不能存储预调电视频道信号。根据电路工作过程分析,故障很可能在AFT电路,选台过程中,测量AFT输出电路确无信号输出。打开视中频电路板屏蔽盖检查,发现AFT谐振回路电感T02引脚脱焊,因此AFT电路无法正常工作,AFT电路无输出。重新焊接后,电视机恢复正常。
综上所述,自动预调或半自动预调,能选出电视信号,但无法存储的故障,应重点检查AFT电路。而一般维修人员遇到这种故障时,往往都是检查中央处理器和记忆电路,忽视检查机中频电路板中的AFT电路。由于这种机型的这一故障具有普遍性,如果读者遇到类似故障,保证一焊即灵。
该机型生产时,视中频电路板焊接质量不好(该机型其他电路板焊接均较好),由该电路板焊接引起的故障率也较高,除T02容易脱焊外,还有声表面滤波器SF01、T01、001、晶振CF01等元件也容易脱焊。当然,这些元件脱焊后的故障现象就不一样了,这些故障也容易判断好检查。总之,修理该机型时,视中频电路板应予检查补焊,以防隐患。
如果原来存入电视机的频道信号已丢失,新的频道信号也不能存入,请重点检查记忆集成电路IC002(CXK100P)的外围元件D003稳压管(-35V)和R098(3.3k/0.25W)限流电阻以及L007(10μH)。一般是稳压管或电阻、电感损坏使IC002得不到-35V电压而不能存储信息造成这种故障。(张超)