有一位发烧前辈的话传神地阐述了声音各频段的作用:低频是基础,中低频是力度,中高频是明亮度,高频是色彩。低音作为声音的基础,作用重大,但现今许多家庭音响系统的低音重放效果是不合格的。用音质评价术语描述存在三种典型问题:
1.低音轰鸣。一般是音箱的Q值偏高、瞬态响应差。现在市场上的AV箱产品为了追求所谓“拳拳到肉”的力度,普遍将箱体Q值设计得较高,力度确是上去了,但负面效应是低音的瞬态响应变差,频响下限指标也变差。改善办法是适当增加倒相筒长度及增加箱内吸音棉来降低Q值。
2.低音单薄。指声音200Hz以下分量偏少,超低频缺少。
3.低音发硬、发紧、无弹性。声音100Hz~200Hz能量充足,100Hz以下频响特性衰减陡峭,听感上低音消失得太快。
除以上典型情况外,还有一些因认识错误而造成的问题,例如感觉低音下潜不好而用音调调节钮大幅提升低频,殊不知一般的音调均衡网络低音调整的中心频率是100Hz,在这个频率附近作提升并不能使低频下限进一步延伸,得到的必然是不自然的低音;还有的发烧友使用6.5英寸的小口径单元音箱,自己感觉低音很好,下潜也足够低。其实只能说声音较均衡,因为一般的6.5英寸低音单元做得好的下限(-3dB)也就在50Hz左右,用8英寸单元的也就是45Hz左右,音乐达到整体平衡并不等于声音信息就完整。
正确的低音应该自然、清晰、延伸良好、量感适中。就低音频域划分而言,80Hz以下超低音区的量感应与80Hz以上低音区量感维持适当比例,且超低音区的频率下限应尽可能向下延伸。如果一套音响系统的频响下限(-3dB)能够做到25Hz~30Hz左右,无论对重放音乐还是欣赏家庭影院,其氛围感及声音信息的完整性都将达到空前的水平,尤其是耳膜与皮肤同时感受超低频声波的冲击、浸润、对欣赏者心灵的震撼可谓刻骨铭心。
那么怎样在普通家庭音响系统中实现超低音重放呢?这是不少音响爱好者很关心的问题。下面介绍两种方式,一种在原功放前加入“超重低音激励器”,另一种是自制超重低音有源音箱。
一、超重低音激励器
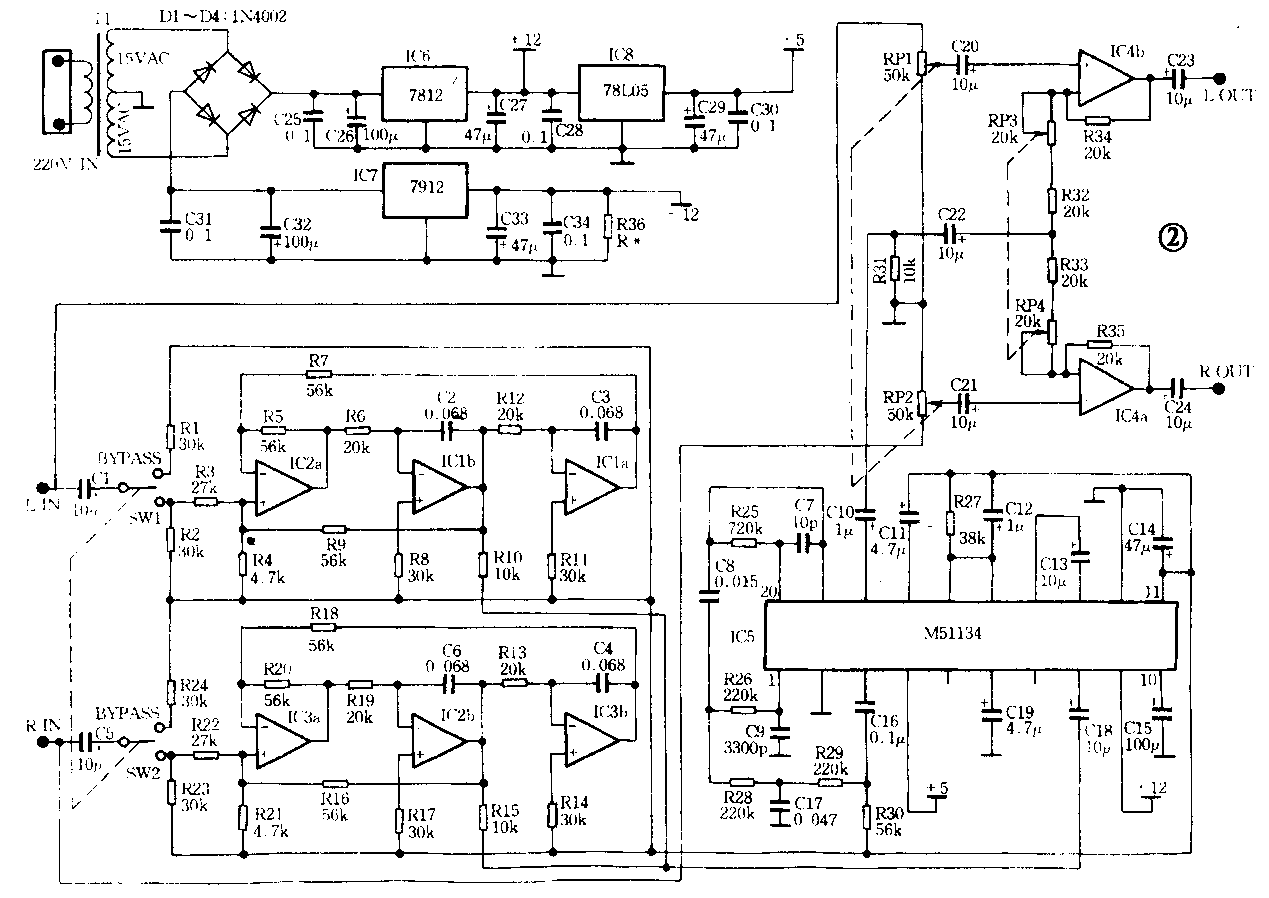
日本三菱电子公司推出的超重低音专用芯片M51134工作原理与众不同,它采用了数字低八度音补偿法,将经过带通滤波器选定补偿的低音频率信号处理成低八度音(一个倍频程)的超低频信号,可大大加强80Hz以下的信号分量,原理框图见图1。产生的超低音信号与带通滤波器所选定补偿的原低音完全和谐,并包含有音乐源在录制等制作过程中丢失的原音中的超低音成分。超低音幅度由原低音幅度自动调控在一适当振幅上。将M51134输出的超低音与原音信号相加后,可以恢复及强调原音中低音部分,从而获得更加强劲、富有弹性、干净、真实的超重低音。超重低音激励器全电路见图2。使用时,将其连接在音乐源与功放之间,通过调节主音分量电位器RP1、2和超低音补偿RP3、4电位器,达到使系统总频率特性均衡、低音延伸下潜的目的,享受崭新技术带来的听觉震撼。


二、自制超重低音有源音箱
图3是一款设计较为考究的超重低音有源音箱电原理图,电路由扬声器输入衰减网络和线路输入混合网络、音量控制、补偿网络、可调式低通滤波器、功率放大器、倒相开关、电源等组成。

该音箱能接收扬声器输入和线路输入两种信号。扬声器输入的衰减网络能适应OCL、BTL、DFT及电流反馈等工作方式的功放级,使用时只需将左右声道功放的输出信号接至SPEAKER输入,此时超重低音有源音箱的输出音量便受控于原功放的音量控制,而超重低音有源音箱的音量电位器RP1用于调整它与原左右声道音箱音量的相对比例。调定后不再改变。线路LINEIN输入端子适合具有超低音输出接口(SWOUT)的AV功放使用,这时超重低音音箱的音量亦受控于AV功放的音量控制。超重低音有源音箱下限频率为25Hz,上限低通滤波器转折频率调节范围为80Hz~200Hz,能使其与不同频响下限的主音箱配合至最佳状态。倒相开关的作用是使超低音单元纸盆与主音箱低音单元纸盆的运动方向一致。电路中最具特色的是林克威茨补偿器(IC2a及外围元件构成),能将箱体自然频响下限向下延伸约一个倍频程,且能控制系统的总品质因素。图3中林氏补偿器的元件参数值根据以下条件确定:单元用银笛YD310-43或南鲸YD315-8XA,封闭箱内部净容积为50升,充填300g晴纶棉,补偿后总频响下限为25Hz(-3dB),Qt为0.7。功率放大器用欧洲SG公司DMOS大功率集成功放IDA7294,连续输出功率可达70W。放大电路不用普通电压负反馈电路,因为扬声器单元在极低的谐振频率上阻抗可达20~30Ω,根据P=U\(^{2}\)/R,得到的有效功率会很小,采用电流负反馈电路能使功放输出电压随扬声器阻抗变化而变化;加上用精密运放OP249做功放DC伺服,其低音效果较普通电路改善极大。按图4结构尺寸自制超重低音有源音箱时,箱体材料可用18mm中纤板;将面板、增益与频响电位器、线路输入与扬声器输入插口、扬声器倒相与电源开关同印制电路板做成的一体化组件直接固定在音箱下部独立小腔的背面,既美观又操作方便。此超重低音有源音箱与零售价约4500元的英国KEFMODEL 20B超重低音有源音箱作放音对比发现,在力度、气势、速度感上两者相仿,论下潜深度本箱还略胜一筹。

需要本文介绍的超重低音激励器M51134P成品板和超重低音音箱电路组件者,请看本期插页广告1999-4-4第4个广告。(朱广皓)