我国NICAM/D制电视广播已于1998年5月在北京电视台正式试播。国内一些电视机厂家生产的能接收NICAM数字伴音的彩色电视机也相继面市。
什么是丽音?简单讲,就是在现有电视信号的基础上再增加发送一路数字伴音信号、此数字伴音信号可同时传送两路声音信号、如R/L立体声方式或双语言方式(如一路普通话、一路粤语)。目前,全世界的丽音发送制式共有3种,分别是:NICAM/D、NICAM/I、NICAM/BG。
怎样接收丽音信号?简单的方法就是买一台带丽音接收功能的电视机。但已买电视机的用户又怎么办?在此我想介绍一种新的NICAM接收机,它可以接收中国、香港地区以及B/G的丽音信号(俗称全球通)。可方便那些已购买了电视机,但又没有丽音接收功能的用户使用。此接收机独立于电视机外,通过AV端子与电视机相连即可使用。
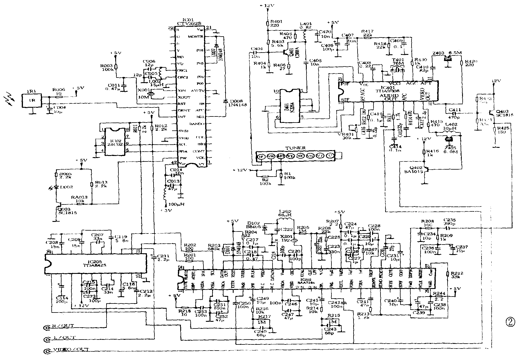
现将其原理做一简单介绍。原理框图如图1所示。

从图1看出由调谐器输出的中频信号经声表面滤波器取出图像中频和伴音中频信号分别送到中频ICTDA9808的①、②及,TDA9808为伴音准分离中频处理电路,它可以减小图像对伴音的干扰,提高NICAM的接收灵敏度。中频信号经TDA9808处理后,分三路信号输出;第一:从TDA9808的⑨脚输出全电视视频信号,再经加法器与CPU的OSD字符脉冲相加,直接送至AV端口输出;第二:从TDA9808的⑥脚送出经鉴频后的FM音频信号,送至SAA7284的⑦、脚,在SAA7284解调丽音失败时自动切换到FM音频信号输出;第三:从TDA9808的⑩脚送出的QPSK伴音中频信号;送至SAA7284的进行丽音的解调、解码用。
本接收机所采用的丽音解调、解码IC是飞利浦公司最新推出的SAA7284,它可自动识别并解码NICAM/D、NICAM/I、NICAMB/G信号,俗称全球通功能。CPU采用飞利浦CTV322S,此CPU已有NICAM控制软件,通过I\(^{2}\)C总线控制SAA7284进行NICAM信号的解调、解码。现就其NICAM信号解调、解码过程做一简单介绍。中放TDA9808及SAA7284周边电路如附图2所示。

由图2可见,从中放送来的丽音QPSK信号,经简单的带通滤波器后送至SAA7284的,此带通滤波器主要是用来滤除残余的图像信号以及高于丽音载频的音频杂波,QPSK信号进入SAA7284内部后,经带通滤波器取出NICAM信号,再经AGC增益调控后,与IC内部VCO产生的基准载波在正交同步解调器相乘,得到I、Q数据流,再经IC内部并/串转换,从输出数据流信号。是基准数字载波锁相环的低通滤波器端子,经LPF平滑后的直流电压通过电阻R212加在上控制基准载波VCO。
从输出的数据流信号,再从送入IC内部的NICAM解码电路,脚外围所接的晶振和其它器件构成VCO振荡电路,产生丽音解码所需的时钟脉冲。解码过程通过CPU的I\(^{2}\)C总线控制,再经去加重、数/模转换最后从⑧、脚输出R/L音频信号。从中放IC⑥脚鉴频出来的FM音频信号,经电容耦合加至IC7284的⑦、脚,由SAA7284内部控制切换开关,当丽音解调失败时,SAA7284的⑧、脚输出FM音频信号。
从SAA7284的⑧、脚输出的R/L信号再送入TDA8425音效处理电路进行处理,音量、高低音的调节也通过I\(^{2}\)C控制TDA8425实现,此处不再详述。(彭秀峰)