可编程序控制器(PLC)一般应用于工业控制领域。它具有现场编程、现场调试、高可靠性的特点,通过输入不同的程序使它在不改变硬件的基础上能够控制各种不同类型的目标。但是美中不足的是它的价格太高(一般需几千元),这样就妨碍了它在民用领域的应用,为此我们利用新的思路开发了一种性能价格比很高的能在玩具、家电等民用领域中广泛应用的可编程序控制器——PROG-110。
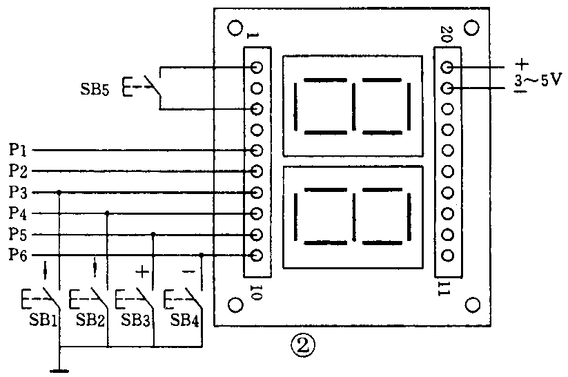
一、外部介绍(图1)

1.端子1和20为电源正极(3~5V);端子2和19为电源负极;端子5~10为P1~P6口,这些端口即可当输入口,也可当输出口,作为输出口时每个口输出高电平可驱动四个TTL门,每个口输出低电平可吸收20mA电流,P6口还具有音乐输出功能;端子3是复位口;其它端子无用。
2.LED数码显示器用于在编程序时显示用户程序。
二、基本电路连接及编程序操作(图2)

1.SB1~SB4仅在编程时用。
2.SB5为复位键,如不需要外部复位可取消。
3.在断电情况下接通SB4并保持住,再接通电源,然后断开SB4即可进入编程状态。
4.在编程状态下通过操作SB3和SB4可改变指令,操作SB1和SB2可实现编程内容的上下翻页。
三、指令介绍
1.输出指令(单字节)
“10”表示P1端子输出低电平,以此类推,“20”、“30”、“40”、“50”、“60”分别表示P2~P6端子输出低电平。
“11”表示P1端子输出高电平,以此类推,“21”、“31”、“41”、“51”、“61”分别表示P2~P6端子输出高电平。
2.输入指令(双字节)
“01N”表示如果P1端子输入为低电平就执行01后的“N”指令(“N”为所有单字节指令),然后跳过一条指令继续向下执行,否则(输入为高电平)就跳过“N”指令继续向下执行(图3)。以此类推,“02 N”、“03 N”、“04 N”、“05 N”、“06 N”分别为P2~P6端子的输入指令。

3.延时指令(单字节)
“70”表示延时0.5秒,“71”表示延时1s,以此类推,72~79分别表示延时2s~9s。
4.音乐指令(单字节)
“80”表示音阶5·,“81”表示音阶6·,以此类推,82~92分别表示音阶7·~3·。
5.返回指令(单字节)
“00”表示跳回到第一条程序处继续向下执行。
6.停止指令(单字节)
“09”表示程序执行到该处就停止不再向下执行。
四、应用实例
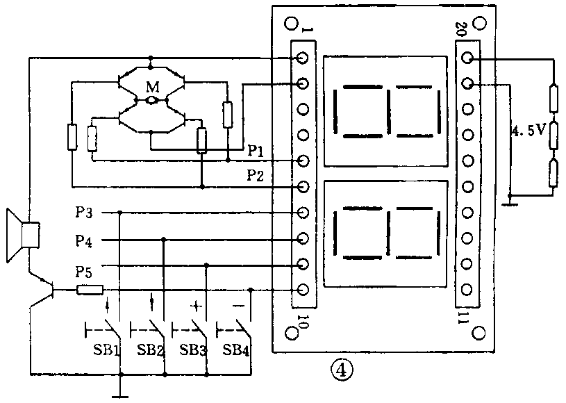
图4是PROG-110在车、船模中的一般应用。

1.硬件功能
P1低电平、P2高电平时电机M正转,车前进;P1高电平、P2低电平时电机M反转,车后退;P1、P2均高电平时电机M停转,车停止。
P3、P4与舵机相连,P3低电平、P4高电平时车左转;P3高电平、P4低电平时车右转;P3、P4均为高电平时车直行。P6输出音乐。
2.软件设计
接通电源,车直行10s,然后左转1s再直行5s,再左转1s直行10s,再左转1s直行5s停车,此时车已回到起始位置同时广播音乐。行车路线见图5。

3.程序清单
以上实例仅是一般应用,在实用中还要根据车速、路况修改程序,广大电子爱好者还可以设计出更复杂更好玩的应用程序,如遇障碍绕行、对撞以及走迷宫等。玩具厂家更可以开发出可由玩者自己编程的智能化的、学习型的、竞赛型的新一代玩具。有关该产品的供货信息见本期广告1999-3-5页第3个广告。 (柏青)
