问:一台索尼KV-K29MH11型彩电,使用一年多后发生开机后音量最大且失控的故障,调整音量键时,发现竟变成了频道节目键功能,几经检修未能解决问题,不知何故? (广东 梁明弟等)
答:这种故障在索尼KV-K29等型彩电中时有发现,根据电路分析及维修经验,大都是主控微处理器CXP85224A-006S受到高压等冲击损坏而引起的,只要掉换新件就能排除故障。购买微处器理时,特别要注意型号全部要与原件一致,否则代换可能无效或不能使彩电完全恢复正常。实践中经常有人购了尾缀不一样的器件而不能使用,结果十分被动。另外,若发现机内高压有打火现象,务必予以排除,以免新换的集成块被再次击坏。(王德沅)
问:一台松下NV-HD100型录像机,按下放像键PLAY后,磁鼓旋转,磁带能加载但加载不到位,便自动卸载保护停机,请帮助分析原因。 (佳木斯 袁舍)
答:根据故障现象分析,该机系统控制电路、方式选择开关、带仓驱动机构等都没有问题,能加载但不能加载到位,应从两个方面找原因。一是在断电状态下,用手动加载看是否能顺利使磁带加载到位,如果不能加载到位,应检查并更换损坏的部件,或重定位安装机芯。二是在加电状态下,按重放键,测量加载电机驱动电路IC2001(BA6219B)⑦、⑧脚的供电电压,正常应为+18V,再测加载电机两端的电压,看是否低于正常值3.1V很多。若是,应更换BA6219B。(聂元铭)
问:一台NV-L15录像机,录、放像各功能均正常,接收U波段和VH波段电视节目正常,但接收VL波段电视节目时,图像信号差,伴音基本正常。应如何修理? (济南 陈军)
答:此故障系高频头不良所致。小心拆下高频头,从高频头后面将屏蔽盖拆下来,仔细观察即可发现靠近信号输入、输出端的小间隔内,高通滤波器的耦合元器件有脱焊。认真焊好后,重新安装,就可以排除故障。(聂元铭)
问:一台黄河牌54cm平面直角彩电,电路采用TA7698及TA7680做主电路,其故障现象为在图像的中上部出现大约5cm宽的带状回扫线,我对场输出及反馈电路都进行了检查并代换了有关的元器件,仍不能消除故障,问故障的产生原因?(陕西 杨富生)
答:简要的讲,回扫线的产生是由于显像管阴极发射的电子束在逆程扫描期间因无场消隐脉冲注入到末级视放管基极,导致视放管不能截止故而在此期间阴极继续发射电子而表现出的现象。对于本例中局部出现回扫线且有图像显示,说明场消隐脉冲是存在的,并注入到了视放电路,只是脉冲的幅度及相位发生了畸变。此故障的原因大多是由于场、行消隐信号形成电路中的12V稳压二极管D250损坏,检修时,若无同规格稳压管,可用普通整流二极管反向接在原稳压管的位置上。 (陈克军)
问:一台松下NV-L15MC录像机录、放像等各项功能均正常,就是显示屏不亮,该如何检修? (上海 郝江)
答:维修实践表明,这是主板上插接件P1001的引脚(13)周围有裂纹(用放大镜可以看出)而脱焊之故。P1001的(13)是显示屏DP7501的灯丝电压(HEATER—)引脚,(13)开焊则使DP7501的(32)脚得不到灯丝电压,故显示屏不亮。焊好此(13)脚即可使显示屏正常显示。 (汤志成)
问:一台索尼KV-2181DC彩电,开机一段时间后,图像会变大,不知如何检修?(北京 赵格律)
答:工作一段时间后图像变大,即说明开关电源输出的主电压已经升高了。维修实践表明,该机此故障是电源厚膜电路IC601(STR50115B)中的取样放大电路热稳定性不良所引起,取一只优质STR50115B代换原IC601,即可排除故障。(汤志成)
问:LAG665各引脚有何功能? (福建 温茂晖)
答:LA665的(1)电源、(2)前置输入、(3)补偿、(4)反馈、(5)前置输出、(6)缓冲输入、(7)和(8)音量控制、(9)功放输出1、(10)功放地、(11)电源、(12)电机地、(13)电机电压、(14)空、(15)速度调整、(16)转矩常数、(17)电机电压+、(18)空、(19)功放输出2、(20)电源、(21)前置电源、(22)空、(23)缓冲输入2、(24)前置输出2、(25)反馈2、(26)补偿2、(27)前置输入2、(28)前置地。(汤志成)
问:家用摄像机蓄电池闲置不用时有些人说应放电存放,也有一些人说要充电存放,请问那一种说法正确?(山东 刘平)
答:究竟是放电存放还是充电存放,这要看蓄电池的特性而定。家用摄像机使用的电池一般有两种型式,一种是镍—铬蓄电池(广播级或掌中宝型摄像机常用这种电池);另一种是密封酸性铅蓄电池(NV-M7、M5、M1000、M3000、M8000和M9000摄像机常用这种电池)。这两种蓄电池在特性上有很大差别,镍—铬电池应在放电状态下存放,使用前充电。铅蓄电池宜在充电状态下存放,用毕后应及时充电存放,否则电池内部会产生记忆效应,时间一长造成充电时一充即满,一放即完的现象,这种现象一经出现,说明该蓄电池已报废。(黄福森)
问:康佳2119彩电,L、H段收看正常,而U段收看30分钟后,调谐好的节目慢慢消失。关机冷却一段时间,U段又正常,30分钟后故障重现,请问该如何检修? (江苏 张海东)
答:此机故障系典型的器件热稳定性不良。故障发生在高频头内部的U段接收解调部位。你可拆开高频头,仔细测量U段30V调谐支路中片状电容和变容二极管有否漏电或变黑现象。高频头体积小,检修不便,若要快速排除故障,可用一优质增补高频头替换。 (刘福胜)
问:昆仑18英寸彩电,经别人修理后,色彩、声图均正常,就是在彩色、亮度、对比度电位器都关小时,在显像管左边有一约10厘米宽垂直的红色亮带,右边也有约2厘米宽相同的红色暗亮带,测μPC1403各脚电压无异常,请告知如何检修?(湖南 沈金荣)
答:上述故障在三洋83P机型彩电中较常见。因这台彩电的此现象是经别人修理后出现的,所以人为故障的可能性是存在的。一般来说,该机在新换行输出高压包后,高压线离色解码电路过近,显像管接地线接地不良,加速极电位器内部不良均会造成上述故障,经依次检查处理即可排除。 (刘福胜)
问:汤姆逊5114DK彩电,发生故障修理后,屏显正常但开关电源输出电压均很低,LM317输出只有8V。U\(_{1}\)、U2处电压分别为70V和10V请问该如何检修? (广西 李庆国)
答:根据你介绍的情况分析,该机电源已经正常。你可以用万用表电阻挡测量TEA2026T第8脚与地之间的阻值,如果较大,无明显短路,那么,故障可能发生在U\(_{4}\)电压发生处,即DL66击穿及RL66烧断,换新即可修复彩电。 (刘福胜)
问:一台L601型录音机,常出现刚开机时工作正常,运转一小时后便不走带了,检查电路及机械部分均无故障,怎样检修? (横桥站 刘平)
答:这是由飞轮轴与飞轮配合不紧密而引起飞轮转而飞轮轴不转,导致不走带。此故障一般不易觉察到,要仔细观察才可发现。检修时,将飞轮从机器上拆下来,用木锤或木块将飞轮与飞轮轴砸紧就行了。如果仍旧松动,那就得更换一套新飞轮组。(倪耀成)
问:晶体三极管2SC1740、2SA1015损坏、市场没有这种管子出售,请问可用国产什么型号三极管代换?(江苏 端木杰)
答:2SC1740和2SA1015三极管是日本生产的,2SC1740是硅材料NPN型管,常用于高频放大和振荡电路。其主要电参数V\(_{CBO}\)=50V,ICM=100mA,P\(_{CM}\)=300mW,fT≥180MHz,一般可用国产3DG120D代换。2SA1015是硅材料PNP型管,一般用于高频放大电路。其主要电参数V\(_{CBO}\)=50V,ICM=150mA,P\(_{CM}\)=400mW,fT≥80MHz,一般可用国产3CG130B或3CG130C代换。(倪耀成)
问:一台国产SLX-1A型袖珍放音机中的集成电路19A100损坏,请告知主要参数与可代换的集成电路?(江苏 杨正)
答:19A100是上海无线电19厂生产的音频功放集成电路,其主要参数为:电源电压6V(最大9V);静态电流15mA(最大25mA);输出功率1W(R\(_{L}\)=4Ω)和0.6W(RL=8Ω);电压增益45dB(闭环);输入电阻20kΩ。19A100可用D4100、TB4100、SF4100、DG4100及日本三洋的LA4100直接代换。 (倪耀成)
问:一台雅马哈牌汽车收放机,功放集成电路TDA1555Q损坏,查很多资料都没有介绍,不知有关参数及各引脚功能是什么? (山西 苏建科)
答:TDA1555Q,音频功放集成电路,单侧双列17脚封装。V\(_{CC}\)= 6~18V,典型应用值VCC=14.4V。当V\(_{CC}\)=14.4V时,单端应用:RL=4Ω,P\(_{0}\)=6W×4;RL=2Ω,P\(_{0}\)=11W×4。BTL应用:RL=4Ω,P\(_{0}\)=22W×2。各引脚功能如下:①正相输入1,②反相输入1,③信号地,④纹波滤波,⑤正电压1,⑥输出1,⑦功放地1,⑧输出2,⑨空脚,⑩输出3,功放地2,输出4,正电压2,音、待机开关,失真检测,反相输入2,正相输入2。(韩家明)
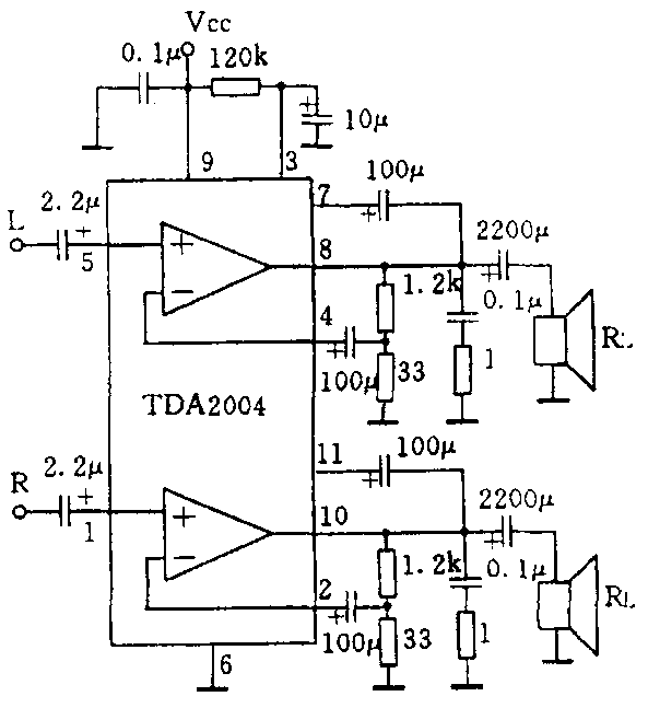
问:打算用集成块TDA2004制作功放,查不到主要参数及实用电路图,不知能否提供? (江西 黄鑫)
答:TDA2004,音频双功放,单列11脚封装,输出电流大,负载阻抗低。电源电压8~18V。当V\(_{CC}\)=14.4V,RL=1.6Ω时,输出功率P\(_{0}\)=11W×2,RL=4Ω时,P\(_{0}\)=6.5W×2。典型应用图如下:

(韩家明)