开关电源为了保证可靠的稳压性能,简化电路,减少干扰,常用行扫描脉冲与振荡频率同步,或用扫描脉冲代作振荡源。因此,一旦开关电源出现故障,首先要判断是自身故障,还是行扫描电路故障。
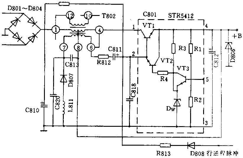
对非行频同步开关电源,在开关电源出现故障时,常采用去掉行负载,接入假负载(60W/220V白炽灯泡)。如果电源恢复正常,说明故障在行扫描部分;否则,是在电源本身,这是按正常思路进行检修。对行频同步开关电源,现象恰恰与此思路相反如东芝Ⅲ型机心开关电源(采用此机心的电视机有东芝、北京、长城、黄河、华日、星海、西湖等30余种),该机心开关电源电路如下图所示。

当行扫描电路出现故障时,开关电源+B输出会降低为50V左右,并伴有“吱吱”声。如果断开行负载,接入假负载,输出电压还会有所下降。此现象并不能说明开关电源自身有故障,因为此电路中行同步脉冲支路不仅为开关电源提供同步脉冲,还有另一个作用是开关管截止期间作为C811的主要放电途经,如果该支路断开,C811只能经R811(200kΩ)等放电,这就大大延长了其放电时间,开关管的截止时间随之也明显增加,振荡频率也明显降低,于是输出电压大幅度下跌,同时开关变压器发出振荡叫声。因此,此时应检查行扫描电路和行回扫脉冲供给支路的D808和R813。
其它机心的开关电源,对行扫描电路引起的电源故障现象虽然会有所不同,但有个共同特点就是当行脉冲丢失时,开关变压器都伴有“吱吱”声。(卢东鹏)