夏普牌系列彩电的型号较多,其派生机型品牌如天鹅牌、熊猫牌、虹美牌等都与其有相同、相关之处,有些机型特别是略早期产品大多已到了维修期,其故障现象多种多样,维修方法也各有不同,本文以常见的几种机型为例,对一些既有普遍性的故障又有特殊性的故障进行具体的分析。
〔例1〕机型:C-1803DK
故障现象:伴音正常,图像模糊,清晰度下降、对比度低,红色为粉红色。
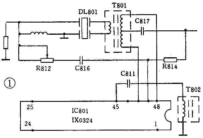
分析与检修:由电视原理可知,图像清晰度不良来源于两个方面,其一是显像管电路即电子会聚情况不好。其二是图像亮度通道增益不足。首先检测显像管电路,测其各极供电正常,调整聚焦电压但图像清晰度无明显好转,说明故障并非来源前者而是属于后者。该机的亮度信号处理电路由集成块IC801(Ⅸ0324)及外接元件组成(见图1),检测IC801的各脚工作电压均正常,表明其直流状态良好,应重点检查亮度信号的传输和调控环节即交流通路是否正常,如带通滤波、亮度延时等电路。检测发现延时线DL801下端可变电阻R812(2kΩ)开路,更换一个同值电阻后,通电试机,图像清晰度、对比度正常。第一个故障消除。接下检修第二个故障“红色变成粉红色”的问题,分析其现象可知:其他颜色正常,而只有红色偏色,说明解码电路是正常的,可以解出三基色信号,只是R信号(红色)的相位不准确,略有偏差,造成红色偏色,因此应检查与色相位有关的电路,经分析电路原理,对解码补偿调节线圈T802进行了微调,粉红色立即恢复为纯红色,故障完全消除,说明T802失谐是造成故障的原因。

总结:①亮度延时电路的作用是对彩色全电视信号中的亮度信号进行约0.6μs的延时,以保证亮度信号与色度信号同时到达原色矩阵电路,完成图像的还原。在本例中由于延时线下端电阻R812开路,使得延时电路对亮度信号的延时时间发生变化,即亮度成分迟于或超前于色度成分到达矩阵电路,甚至亮度信号因此而无法通过。因为图像的清晰度取决于亮度信号的增益,无亮度信号或亮度信号与色度信号的不同步时,都将造成图像清晰度的下降和对比度不良。
〔例2〕机型:C-1804DK
故障现象:图像良好,伴音声小且失真。
分析与检修:当图像正常而只有伴音不良时,说明中放电路正常,故障出在伴音低放及伴音鉴频回路。故此首先判别这两个故障点,当在空频道无信号输入时,噪音声音很大,由此说明伴音低放、功放电路工作正常,判断是鉴频回路的鉴频线圈T301失谐。微调此线圈磁芯,伴音质量有所好转但仍不理想。拆下线圈检查发现其内部谐振匹配电容变质,换上一个6.2pF瓷片电容后再重新调整磁芯,伴音声音宏亮,无失真现象,故障消除。
总结:本例的故障原因及故障处理并不复杂,但关键是正确判定故障范围。由于鉴频谐振回路电容变质损坏,造成了鉴频S曲线偏离,分离出的伴音中频不能谐振于6.5MHz上,这样就使得中频输出信号幅度下降,检出的音频信号电压幅度也随之下降,最终导致伴音声小且失真的故障。
〔例3〕机型:C-2001DK
故障现象:开机后偶尔出现全无故障,偶尔又出现声像,但经常出现无规律的自动关机。
分析与检修:以故障现象分析,故障范围是在电源部分。当出现全无故障时,检测电源集成块IC701①脚供电端电压为300V,正常,表明整流及滤波电路完好(见图2)。再测开关电源振荡启动端即IC701②脚电压为0V,正常应为0.3V左右,由此分析为电源处于停振状态,其停振的原因是②脚无启动电压输入。从开机后偶尔声像正常即能启动这点分析,说明启动元件可能存在温度特性不良或稳定性差的问题。检查IC701②脚外接的电容C715(10μF100V),发现其表面较热。拆下测试容量,发现容量变小近于开路。更换一同规格电容后,再开机并反复长时间通电考验,未出现故障,证明是C715不良造成了本例故障。

总结:C715的作用是当接通电源的瞬间将整流后的直流电压加到IC701的②脚,使开关电源振荡,当C715不良时,IC701不能建立起正常的工作点,无法满足振荡的振幅平衡条件而停振,导致无电压输出而无光无声。
〔例4〕机型:C-2102MK
故障现象:全无。
分析与检修:打开机壳检查,发现电源保险已烧断,由此说明电源部分有过荷现象。不可冒然通电,先检查易损元件如整流二极管、电源开关管等均无短路现象,然后更换保险重新通电,声像出现,但只工作几分钟,限流电阻R701(6.8Ω8W)就冒烟烧断,说明其负载有慢性短路,检查电路元件发现电容C706表面温热。C706是整流主滤波电容(400V150μF),损坏可能性大,拆下测之,有轻度短路现象。更换C706、R701后再通电试机,声像正常,故障消除。
总结:C706的作用是平滑整流后的直流电压,直接接在电源与地之间,长期工作在高温、高压状态,其损坏率较高,当其绝缘度下降时,就将造成电源负载加重而烧断保险。
〔例5〕机型:C-1827DK
故障现象:有图像但个别频道无彩色。
分析与检修:接收电视信号时有的台(频道)有色,有的台无色,这说明解码电路已经工作,而影响彩色不正常的重要因素是色同步信号及自动相位控制电路(APC电路)是否正常,如果APC电路捕捉信号范围变窄或中心控制点偏离都将造成图像瞬间无色,因此重点检测APC及相关电路。先将电视机打在无彩色的频道,调整APC控制电位器3RP09,彩色时有时无。拆下此件检查,其电位器内氧化严重,重新更换一新电位器,仔细调整使彩色稳定,然后再将电视机打到原来就有彩色的频道,使其保持彩色不变,反复变换频道,各个频道彩色正常,故障消除。
总结:此故障是由于3RP09变质,阻值发生变化,导致APC控制电压发生变化进而相位失控,对某个频率的色度信号捕捉控制能力下降,最终造成个别频道无彩色故障。
〔例6〕机型:C-1411DF
故障现象:行同步不良,收视中经常失锁。
分析与检修:故障出于行扫描电路,检查行扫集成电路IC501(Ⅸ0065CE)的⑨~脚电应均正常,说明行振荡电路已经工作,直流工作状态基本正常,当调整行频电位器R611时,行频随之而变且行能够短时间同步,但不能长时间稳定工作,由此分析为行振荡频率基本正常,但行AFC电路工作失常,对行频的自动控制能力下降,因此应查AFC电路(见图3),检查行频脉冲取样元件R613、C608等完好,后将电阻R612由33kΩ减小到5kΩ,其目的是增大行脉冲幅度使IC501内的AFC电路提高控制灵敏度,这时发现行同步良好,但仍存在偶尔失步现象,由此进一步说明IC501内的AFC电路有故障,于是更换IC501,再通电试机,故障完全排除。

总结:AFC电路的作用是保证本机振荡产生的行频频率与发送端发送的行频同步、即同频同相,这样才能使图像的行形成同步。在判断此类行不同步故障时,要注意首先区分是行频不准还是无行同步信号,其方法是调整行频电位器(本例中的R611),若行能够暂时稳定住,说明行同步信号正常,若无论怎样调行频电位器,行频均无同步点,则说明无行同步信号。检修时要首先确定行同步信号是否正常,然后再查行频形成电路。
〔例7〕机型:C-3700DK
故障现象:无光栅、无伴音,频道显示数码管的显示闪动。
分析与检修:数码管有显示,说明机内电源电路已经工作。数码管电路由译码和驱动电路组成,当出现闪动显示现象时,说明译码电路工作紊乱,因此检测该电路。经测试发现其12V供电不稳,时大时小,说明故障与此有关。检查开关电源电路输出主电源,正常且很稳定,分析为12V产生电路即行输出变压器输出电源电路有故障,检查行输出变压器发现其内部有打火声响,表明内部有瞬间短路现象,造成输出12V电压不稳,而导致了本例故障。更换一只行输出变压器后,声、像正常,数码管指示正常,故障消除。
总结:本例的检修是以数码管显示不正常这一直观现象入手,通过对其可能造成显示紊乱的原因进行分析,最后确定了故障原因。
〔例8〕机型:C-2010DK
故障现象:全无。
分析与检修:开壳检查发现电源保险管已烧断,对地检查电源电路无硬性短路现象,于是更换保险后再开机,仍全无。继续检查为电源限流电阻R701(6.8Ω5W)开路,更换后开机声光出现。当收视有线电视节目时,只收看了几分钟又发生了全无故障,打开机壳检查,其损坏元器件仍同原来,由此分析,电路屡次出现相同故障与外接天线或电缆线有关,于是检查电视机天线插孔与外接电路,分析为插孔芯子及外皮地与机内地之间的隔直耦合电容有漏电的可能。为区别故障,将损坏元器件更换后,用室内拉杆天线接收,收看两个小时一切正常,并同时发现拉杆天线带电,由此进一步证明天线插孔隔离电容漏电。更换该电容后再接入有线电视电缆收视一切正常。故障消除。
总结:该机为底板带电型热底板机心。故此在天线输入插孔处装有隔离电容。当用拉杆天线时,因其外皮不与其他外接线路相连,故此不会造成机内元件的短路损坏,而用有线电视电线时,当隔离电容漏电而机内底板又为火线时,外接电缆的外皮(地)将与机内火线相接,这就造成了机内保险、限流电阻等元件因短路而损坏。
〔例9〕机型:C-47-S1
故障现象:图像场幅上部不足、中部有水平亮线,光栅上部较亮且有几根回扫线。
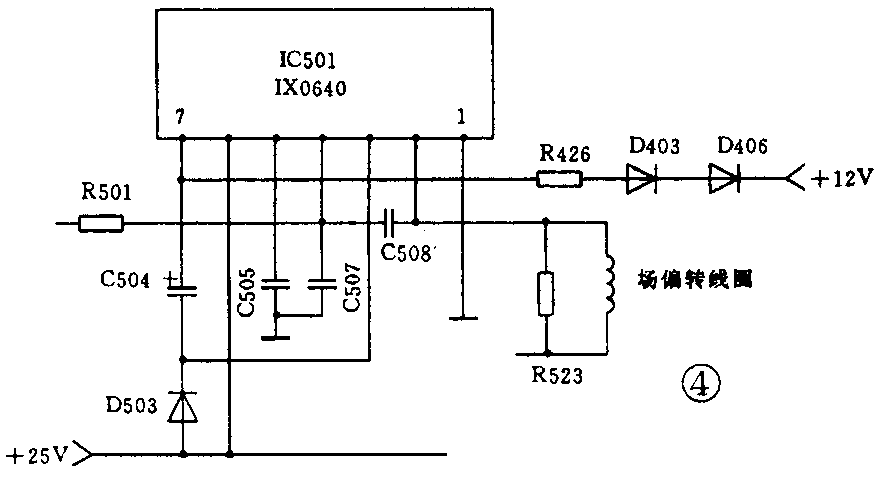
分析与检修:图像或光栅场幅不足,说明场输出电路对场锯齿波信号放大量不够。光栅局部出现回扫线,说明场消隐信号不能很好地加到视放电路并因场输出或放大电路的失常而影响自身发挥其“消隐”作用,因此这两种故障的检修要综合分析、综合考虑。检查场激励、输出电路(见图4)IC501各脚直流工作电压均正常,说明其直流工作状态良好。从电路分析可知若将场锯齿波信号接要求放大,其集成电路IC501内的直流信号泵电源供给起着重要的作用,因此对IC501的⑦脚泵电源外接元件进行检测分析,对电容C504(100μF35V)进行代换后,故障完全消除。测量C504其容量大幅度减小,近于开路。说明故障是由此引起。

总结:电解电容C504的基本作用是为IC501内的泵电源提供升压作用及对输出信号进行交连反馈,当其容量减小后,IC501内泵源电压将变低进而影响对场信号的放大,同时对消隐脉冲的相位及幅度产生抑制作用,这样就造成了本例故障。
〔例10〕机型:C-2007DK
故障现象:全无。
分析与检修:开机检修发现电源保险烧坏,更换保险后再通电,光栅出现,但光栅过亮有“吱”叫声且行不同步,由此分析是行频偏离,应从行不同步开始检测。首先调整行同步可调电阻R608,但不起任何作用,将此电阻拆下检查发现其内部碳膜烧坏已经开路,更换一只20kΩ可变电阻后再重新调整行同步,图像、伴音正常,故障消除。
总结:此例故障比较简单,但故障形成的根本原因是由于行频偏离15.625kHz,导致开关电源负载加重,因长时间使电源及行扫描电路工作在失谐状态,造成开关电源输出电流过大而烧坏保险。对于此类失谐故障的检修,一定要注意通电检修时间不宜过长,并要有相应的保护措施,如在输出直流主电源加临时保险丝等,否则极易损坏行管和电源开关管。 (陈克军)