为贯彻党和政府提出的“科教兴国”战略,面向社会大面积普及电子技术,激发广大青少年学习电子科学技术的兴趣,本刊特举办这次收音机知识竞赛。欢迎广大爱好者踊跃参加。
1.参赛对象:全国爱好者。不受年龄、性以、学历、专业等限制。
2.参赛方法:参赛者用钢笔或圆珠笔将答案填入答题卡,并填好姓名、年龄、通信地址等个人信息后,沿剪裁线将答题卡栽下贴·在·信·封·背·面·,于1999年3月31日前(以当地邮戳为准)寄至(100061)北京市崇文区夕照寺街14号《无线电》编辑部“收音机知识竞赛”组收即可参加评选。答题卡自制、复印均有效。欢迎各学校组织学生集体参赛。
3.奖项和奖品(本次有奖竞赛的奖品全部由广东德生通用电器制造有限公司担供。):
一等奖:5名,奖PL757型数字调谐式全波段立体声收管机1台(价值人民币350元);
二等奖:10名,奖R9700型高灵敏度12波段立体声收音机1台(价值人民币188元);
三等奖,20名.奖R818型数字化全波段钟控收音机1台(价值人民币148元);
参与奖,50名.奖R1210型10波段调频/中波/短波收音机1台(价值人民币88元)。
4.评奖办法:本刊将组织专人判卷,然后按得分高低依次评选出一、二、三等奖,如得分相同且名额超出该奖项的则采取抽奖的办法决出。参与奖将从所有参赛的读者中抽出。获奖名单将在1996年第6期《无线电》杂志上公布。
竞赛试题
一、选择题(每题3分,共45分。)
1.我们说:“把收音机调谐到990kHz”,其中“990kHz”指的是( )。
①无线电信号的载波频率
②调幅中波广播的频带宽度
③收音机的中频频率
④音频信号的频率
2.在调整中频变压器时不能使用铁质螺丝刀,这是因为( )。
①铁质螺丝刀太过坚硬,会损坏中周磁芯
②铁质螺丝刀导电,会造成短路。
③铁质螺丝刀会改变中周电感量
3.检修一台使用3V电池供电的六管外差式收音机,电路如图1所示。测其静态电流为100mA则下列故障中最可能发生的是()。

①C6短路 ②VT4短路 ③VT5、VT6短路
4.若收音机的整机电流随音量大小明显变化,这说明末级功放工作在()类状态。
①甲 ②乙 ③甲乙 ④丙
5.收音机全频段的啸叫故障往往是由于()而引起的。
①功放级增益过高
②推动级增益过高
③中放级增益过高
6.一台收音机发生如下故障:接收本地强台时一切正常,但接收其他电台时音量小且电台数目也减少。则此故障为()。
①音小故障
②选择性差故障
③灵敏度低故障
④方向性差
7.一台收音机发生啸叫故障,且高频段啸叫较强,低频段啸叫较弱,这可能是由()引起的。
①本地振荡过强
②中放级中和电容失效
③中频谐振频率过高
④检波二极管不良
8.收音机8Ω的扬声器,其直流电阻是()。
①8Ω ②>8Ω ③<8Ω
9.原收音机是2英寸4Ω扬声器,再并朕一个8英寸8Ω的扬声器,则其输出功率()。
①大大提高 ②提高不大 ③没有很高 ④反而更小
10.甲类放大的收音机中,音量开得越大时,其耗电()。
①不变 ②越大 ③越小
11.在超外差式收音机中,对噪声影响最大的是()。
①变频级 ②中放级 ③前置放大级 ④功放级
12.调频收音机的杂音要比调幅收音机小,其原因是
①可通过限幅后再放大的方法消除杂音
②调频收音机的工作频率高
③调频收音机接收距离较近
④调幅台比调频台多
13.在收音机电路图中,有的电阻器符号旁边画了一个“*”或“※”,它们表示()。
①需要选择精密型的电阻器
②需要调整的电阻
③安全上需要的重要元件
④该电阻的阻值不能改动
14.调整晶体管的工作点,测量方法错误的是()。
①把电流表串入集电极电路,测集电极电流
②用电压表测出发射极电阻两端电压再换算成电流
③电流表串入总电路,记下总电流,然后把该晶体管的基极与地短路看电流的减少量来估算这一级的集电极电流
④测基极电流
15.一台收音机收音正常,但将音量电位器开大,稍快速地调节调谐旋钮时,扬声器中会发出“嚓嚓”的杂音,则该故障为()。
①底板有假焊
②电位器接触不良
③双连可变电容器不良
④电池即将用完
二、判断题(每题3分,共27分。)。
1.若采用外接高保真的扬声器,AM收音机同样可以得到Hi-fi的音质效果。()
2.AM收音机中的检波二极管接反了,可能会造成收音机者小或无声故障。()
3.利用FM收音机可以检查红外遥控器的好坏。()
4.收音机刻度盘上的刻度不是均匀的,这是因为调谐可变电容器的容量不随转动角度线性变化所致。()
5.怀疑一功放级电路中使用的3DD15晶体管损坏,故用一万用表β挡测量其β为2,则可认为该管子已失去放大能力而损坏。()
6.若人为使正常工作的变频级停振,则变频管的工作电流会减小。()
7.如图2所示,若C1发生短路或严重漏电,则VT2会进入饱和区而导致输出失真。()

8.大功率的晶体三极管,它的外壳一般就是集电极。()
9.收音机的扬声器纸盆边缘不慎戳了一个小孔,一般不影响它的音质。()
三、填空题(每空2分,共28分。)
1.一台收音机,在大音量时收听正常,但小音量下有明显失真,这种失真称为______,可以通过调整末级功放电路工作点(或提高末级工作电流)来解决。
2.“AGC”指的是_____电路,其作用是______。
3.在调幅收音机中,我们用_____电路将音频信号从中频信号中取出,而在调频收音机电路中,我们用电路完成相应的功能。
4.如图3所示为AGC电路,R1和C3构成一滤波器,其作用是______。

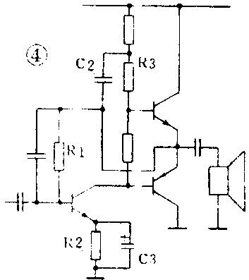
5.如图4所示,R1、C2构成_____电路,其作用是____。

6.我国的中波收音机的频率范围为从___到____。
7.在收音机功率放大器中采用输入、输出变压器的目的是_____。
8.单管功率放大电路中、其最大的输出功率是该管的集电极耗散功率的_____分之一。
9.最简单区分一个硅三极管和锗三极管的方法是测其be间的正向电阻值,电阻小的是______。
10.低频放大电路中,为获得较好的低音效果,耦合电容容量采用______级。
