众所周知,数字式万用电表和指针式万用电表用于测量时,各自具有完全不同的优点。数字式万用电表,最显著的优点是:(1)准确度高,目前,最普通的3\(\frac{1}{2}\)位数字式万用电表的直流电压测试误差都可以做到±0.5%;(2)读数清晰直观,不会将人为的视觉误差带入测试结果中。但数字式万用电表也有一些不尽人意的地方,比如:不能显示被测量的连续变化情况,对被测量的响应相对较慢。指针式万用电表则正好相反,最明显的优点是能够指示被测量的连续变化情况,指针可随被测量的变化而连续偏转,而且响应速度较快,但指针式万用电表的准确度却比数字式万用电表低得多,通常,其直流电压挡的精度多在2.5%~4%之间,而且读数靠指针指示,很容易将人为的视觉误差带入测试结果中。M9700系列万用电表正是基于上述考虑自行开发设计的数字指针双显式万用电表,其准确度等级,数字部分的DCV为0.5级,ACV、DCA为1级,ACA为1.5级;模拟部分Ω与DCV、DCA、ACA为5级。
数字指针双显式万用电表为保证高灵敏度和准确度,采用在数字表的基础上加指针表头及其驱动线路组成。
首先,介绍一下国外生产的同类型表的设计思路。国外厂商生产的数字指针双显式万用电表,其表头驱动线路通常采用以下方案:将A/D(模/数)转换器驱动LCD显示器的信号,经专用IC进行详码、编码、锁存,用其内附基准电压源、控制开关及外附的T型电阻网络和求和运放完成D/A(数/模)转换,驱动指针表头偏转,其原理框图见图1。

这一方案的优点是线路简单,指针表头在全量程范围内与LCD同时显示(指示)测量结果。缺点是其指针的偏转随数字显示的变化而变化,即A/D(模/数)转换器采样一次偏转一次,不能实时反映被测信号的变化情况(此时指针式表头已失去意义)。
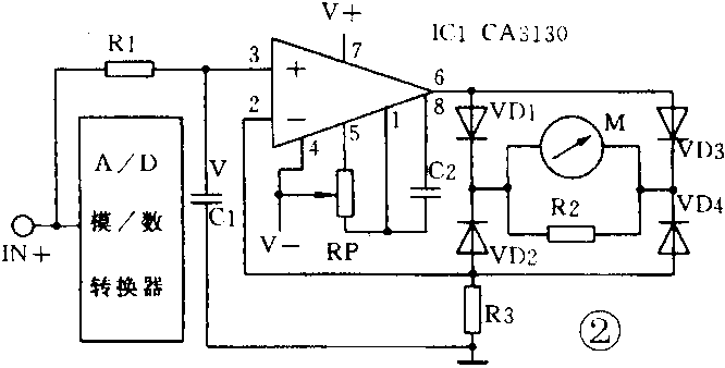
为了使指针表头能即时对被测信号作出响应,M9700系列数字指针双显式万用电表采用了在A/D转换前通过高输入阻抗比例放大器来实现表头接入,从A/D(模/数)转换器的输入端获取信号,经运放进行阻抗变换,驱动表头偏转。其原理线路见图2,这是一个电压/电流转换电路。

图中,R1、C1为高频滤波器,R1兼起限流作用;IC1CA3130为低漂移高输入阻抗运算放大器,输入阻抗约为1.5×10\(^{12}\)Ω;RP为表头调零电位器;C2为消振电容;R2为表头阻尼电阻。
指针表头的内阻较小,一般在2kΩ以下,不能直接接在A/D(模/数)转换器的输入端,否则将对其它测量电路产生并联影响。图中,CA3130用作阻抗变换及电压/电流转换,由同相端输入,由于其输入阻抗高,所以对其它测量电路无并联影响。
当被测信号为负值时,指针表头会作反向偏转,从而无法工作,所以线路用VD1~VD4与表头接成桥式电路,使表头指针无论被测信号正负均作正向偏转,而被测信号的极性则由LCD显示。
由于指针表头驱动线路接入点在A/D(模/数)转换器的输入端IN+,所以表头能随被测信号变化而即时响应,并且在所有的测量功能和量程范围内与LCD同时指示(显示)测量结果。
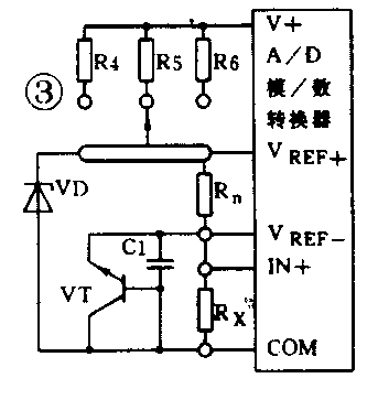
但是,也正由于指针表头驱动线路接入点在A/D(模/数)转换器的输入端IN+,因为A/D(模/数)转换器IN+端输入电压V\(_{IN}\)因各测量功能的不同而异,尤其是欧姆挡,造成指针表头指示被测量值变得较为困难,所以M9700系列数字指针双显式万用电表欧姆挡测量线路与普通数字多用表的不同,需作相应的改动,原理线路见图3。

与普通数字多用表一样,M9700系列数字指针双显式万用电表欧姆挡测量线路仍采用比例法测量。
图中,R\(_{n}\)为标准电阻,RX为被测电阻,VD为稳压二极管,VT、C1为保护电路。R4~R6是为了在不同的量程给稳压管提供稳定的工作电流及降低功耗。
在欧姆挡各量程,R\(_{n}\)以量程范围扩大十倍其值也增大十倍的规律变化,相对于LCD的示值来说:RX也以同样的规律变化,这样有:
V\(_{IN}\)=RXR\(_{n}\)+RX×V\(_{D}\)
在普通数字表中,VD使用硅二极管,硅二极管的正向压降随流经它的电流的变化而变化,各量程满度的V\(_{IN}\)值均不相同。M9700系列使用稳压管,由于电压很稳定,在各量程均一致,所以VIN值不变,其随R\(_{X}\)变化的曲线在各量程均一致,使指针表头欧姆挡只用一条刻度线成为可能。
通过上述设计,我们将数字式万用电表和指针式万用电表的优点有机结合在一起,使M9700系列数字指针式万用电表不仅准确度和灵敏度高,而且显示直观、输入阻抗高、过载能力强,能在全量程范围内由指针式表头和LCD同时指示(显示)测量结果,用户可以方便、快捷地观察到被测量的连续变化情况。(熊向阳)