计数器有多种分类方法,即:按操作码制分类、按进位方式分类和按数码的增减分类等。
按进位方式分类,可分为异步计数器和同步计数器两类。异步计数器中各级计数单元的时钟是不同步的,高位计数单元的时钟是由比它低一位计数单元的输出来提供的,只有低位计数单元翻转后高位计数单元才有可能翻转,因此这类计数器又叫做串行计数器。同步计数器各级计数单元的时钟是同步的,它们都由同一脉冲源提供。
国产CMOS异步计数器主要有CC4024——7位二进制串行计数器;CC4040——12位二进制串行计数器;CC4060——14位二进制串行计数器。下面介绍CC4040集成电路的逻辑功能和应用。
CC4040集成电路的引脚排列见图1。由图可见,它有两个输入端,一个是时钟输入端CP,一个是清零端Cr,有12个分频输出端,所有的输入和输出端都有缓冲级,因而可得到较好的噪声容限。图2为CC4040的输出波形图和真值表。在清零端Cr上加“1”电平时,各输出端都为“0”,当Cr恢复“0”电平后,在时钟脉冲下降沿的作用下,CC4040作增量计数,Q1是时钟脉冲CP的2分频,每输入一个CP脉冲,Q1的状态就翻转一次,Q2的时钟脉冲是Q1的输出,Q2对Q1的输出进行2分频,Q1每向Q2发送一个脉冲,Q2就翻转一次。Q2对CP则是4分频,同样Q3是Q2的2分频,Q4是Q3的2分频……,可参见图2的波形。


应用:双功能定时器
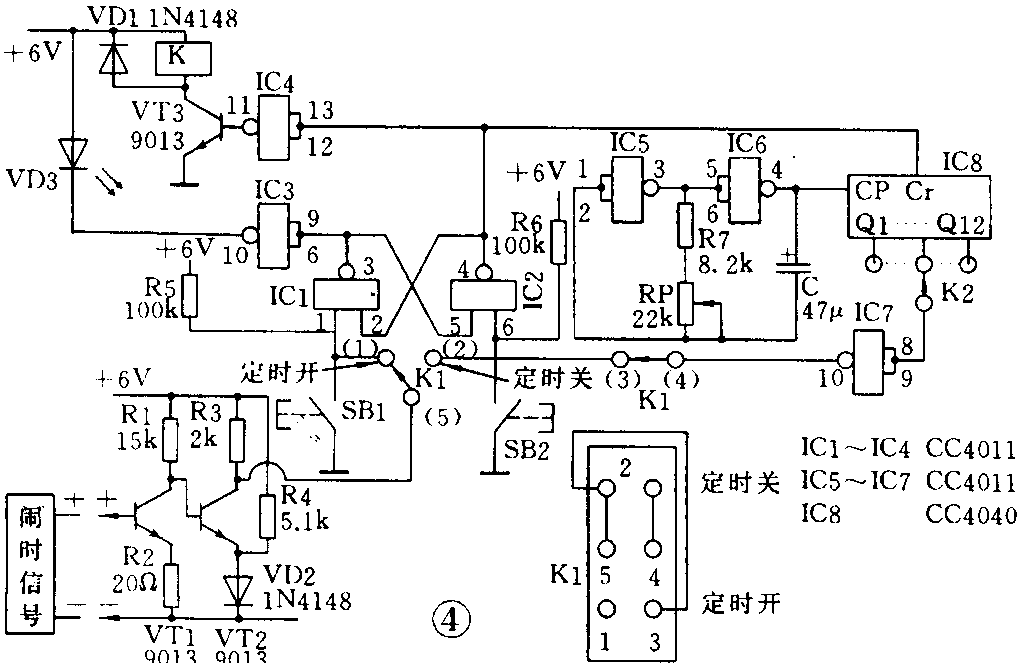
用一只市售学生挂表制成的双功能定时器,具有定时开,延时关;手工开,定时关的双定功能,制作比较简单。
整机方框图和电路图分别见图3和图4。由图可见,本定时器利用电子表的闹时功能触发开关电路,控制RS触发器,使执行机构工作。在定时开后,延时器反馈来控制关;在定时关时,延时器不起作用。图4中VT1、VT2组成开关电路,平时,VT1饱和导通,VT2截止;当触发脉冲输入时,VT1截止,VT2饱和导通。


与非门IC1、IC2组成RS触发器,平时IC1输出端为低电平“0”,IC2出端为高电平“1”。当IC1的输入端1脚为“0”时,输出为“1”,并使IC3输出为“0”,IC4输出为“1”,VT3饱和导通,继电器K吸合,发光二极管VD3亮。
IC5、IC6、IC8和R7、RP、C组成延时电路。IC5、IC6组成种脉冲电路,触发IC8的CP输入端。IC8为串行计数器,我们可以在IC8输出端通过波段开关K2选择延时时间。在IC2的输出端为“1”时,控制了IC8的11脚Cr端,使IC8不计数,Ql~Q12为零。当IC2的输出端为“0”后,IC8开始计数。延时时间一到,相对应的输出端即为“1”,通过IC7反相,控制IC2的“6”脚,当“6”脚为“0”时,RS触发器翻转,使IC2输出为“1”,IC4输出为“0”,VT3截止,K释放,发光二极管VD3熄灭。
元件选择和制作调试
IC1~IC7选用二片CC4011四2输入与非门,IC8选用CC4040 12级串行计数器;VT1~VT3选用三只9013三极管;继电器K可根据实际需用选择,如果选用JRX-13F,交流电源也能控制;VD1、VD2选用IN4148,VD2选用φ3或φ5的发光二极管;K1选用2×2波段开关,K2选用1×3~5波段开关。对其它元件无特殊要求。
印制电路板如图5所示。元件焊好后检查无误即可调试,先不连开关K1导线。按SB1则VD3应发亮,继电器K吸合;按SB2则VD3灭,K释放,说明RS触发器和执行机构工作正常。

调试秒脉冲信号可在IC6输出端4脚接上一只发光二极管,其正极接4脚,负极接电源负极,发光二极管应一闪一闪,对照电子表秒脉冲显示。调整RP,使发光二极管正好一秒钟闪动一次。
在开关K1的(3)点与(4)点处连接导线,K2可先接IC8的Q1,按SB1,VD3亮,K吸合,延时2秒钟VD3自动熄灭,K自动释放,K2再接Q2应延时4秒钟……Q12应延时50~60分钟,最后可连上开关K1进行统调。
打开电子表后盖,在右下角可以放得下一个2.5mm两芯插座的地方开孔,利用插座的螺帽,把插座固定在表壳上,在两个接线头上分别焊上两根细导线,将导线的另一端分别接到电子表中电池正极和接压电陶瓷片的任一个小弹簧上,如图6所示。要使电子表工作可靠,最好把线头焊在印制板上,只是拆卸机心的印制板时要仔细,焊接时要断电,焊锡要薄,不能影响安装。这时,带有插座孔的电子挂表可照常使用。

统调时,把一个2.5mm的两芯插头接上定时器输入端,把插头插到电子表的插座孔内。使用时,调整电子表的闹钟时间(定时器的定时时间),开关K1放在“定时开”,按SB2,使之复位,选择延时时间,时间一到会自动接通,VD3亮,K吸合,延时后,自动关机。
也可将开关K1放在“定时关”,调整定时关的时间,按SB1使之开机,到达定时时间会自动关机。(程国阳)