对磁敏感的传感器称为磁敏传感器,主要有干簧管、磁敏二极管、磁敏三极管、磁阻传感器及霍尔传感器等。本文介绍的是霍尔传感器及其应用。
以磁场作为媒介,利用霍尔传感器可以检测多种物理量,如位移、振动、转速、加速度、流量、电流、电功率等。它不仅可以实现非接触测量,并且采用永久磁铁产生磁场,不需附加能源。另外,霍尔传感器尺寸小、价格便宜、应用电路简单、性能可靠,因而获得极为广泛的应用。除了直接利用霍尔传感器外,还利用它开发出各种派生的传感器。
霍尔效应与霍尔元件
金属或半导体薄片的两个端面通以控制电流I\(_{C}\),并在薄片的垂直方向上施加磁感应强度为B的磁场,则在垂直于电流和磁场的方向上将产生电势UH,称为霍尔电势或霍尔电压(如图1所示)。霍尔电势U\(_{H}\)=KHI\(_{C}\)B(其中KH为霍尔元件灵敏度,它与所用的材料及几何尺寸有关)。这种现象称为霍尔效应,而用这种效应制成的元件称为霍尔元件。

由于霍尔元件输出的电压信号较小,并且有一定的温度误差,目前已较少直接使用霍尔元件作传感器。
霍尔集成传感器
随着半导体工艺技术的发展,将霍尔元件、放大器、温度补偿电路及稳压电源做在一个芯片上,成为霍尔集成传感器(目前习惯上称为霍尔传感器)。为了应用上的需要,霍尔集成传感器又分成线性型霍尔传感器及开关型霍尔传感器。根据使用要求不同又开发出不同性能的系列产品。这里仅介绍一些新型的典型产品及应用电路。
线性型霍尔传感器
这里介绍Honeywell公司的SS49系列及SS495系列。
1.SS49系列
SS49系列霍尔传感器是一种三端器件,它敏感于外界的磁感应强度,输出与磁感应强度成比例的电压信号。该元件的特点是:电源电压范围为4V~10V,随着电源电压增加,输出信号幅度增大,但线性度范围却缩小;静态工作电流较小,典型值为4mA,适用于便携式电池供电的场合;响应于N极或S极;在很宽的磁场范围内有较好的线性度;能有较大的输出电流的能力(10mA连续,20mA最大);尺寸小(贴片式器件)。
该元件在不同工作电压时的输出特性如图2所示。在5V工作电压、0T(特斯拉)时输出为2V。该元件的温度特性如图3所示,在温度范围较大时需加温度补偿。


2.SS495A1
SS495A1是高精度线性输出霍尔元件。该元件特点是:内部有温度补偿电路并由激光对电阻进行修正,使零点温漂为±0.04%/℃,灵敏度漂移为+0.02~±0.03%/℃;输出电压在-0.064T~+0.064T范围时为0.5V~4.5V(典型值);它可以直接与单片机接口;0T时为2.5V±0.075V;灵敏度为3.125±0.094;线性度误差为-1.0%量程);工作温度范围-40℃~+150℃;工作电压范围为4.5V~10.5V,工作电流7mA(典型值)。
该元件尺寸小(约4mm×3mm),并有贴片式封装形式,其管脚排列与前同。
该元件典型输出特性如图6所示。

应用电路
1.位移测量
将线性霍尔传感器放在两块磁铁的中间,其磁感应强度为零。这个位置可作为位移的零点(如图7(a)所示)。当霍尔传感器在Z轴作△Z位移时,经调整电路处理后其输出电压V\(_{0}\)与位移△Z特性如图7(b)所示。图7(b)是按同样的原理制成的力传感器。

2.简易磁场强度计
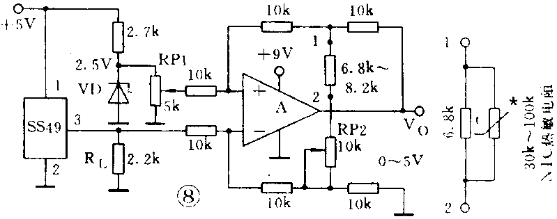
图8是一种用SS49制成的简易磁场强度计的电路图。在0~±0.1T的磁感应强度时,输出为0~5V。当磁感应强度为-0.1T时,调RP1,使输出为OV;当磁感应强度为+0.1T时,调RP2,使输出为5V(在磁感应强度为零时,输出为2.5V)。若外接一个0~5V表头即成为±0.1T的磁场强度计了(刻度要重画)。

由于SS49有一定的温度误差,可在6.8kΩ电阻并联一个FTC热敏电阻进行补偿,其阻值要根据传感器的温度特性来调试,如图8右图所示。
若采用495A1高精度线性霍尔元件来做磁场强度计,则在±0.64T时,输出0.5V~4.5V,则可直接接一个0~5V电压表头即制成较高精度的磁场强度计,无需任何电路(仅仅将电压刻度换成T即可:在0.5V处刻度为-0.64T;在2.5V处刻度为0T;在4.5V处刻度为+0.64即成)。(方佩敏)

