电子设备与家用电器的安全性、可靠性、耐用性已成为人们关注的问题,也是有关电子产品生产厂家为了提高企业形象、增强产品市场竞争力需要首先考虑的问题。过去,人们常用保险丝(管)串入电子产品的内部线路中,用以防止大电流侵入烧毁线路板或整机,但其最大的缺点就是需要不断更换,给用户带来了很大的麻烦。近几年,无锡东大先捷通信电子有限公司研制出一种可完全代替传统保险丝,具有过流过热两种保护功能的新型元件——可恢复保险丝,其最大特点是勿需更换、可多次重复使用,适用于一切需要过流过热保护的场合。
一、保护原理
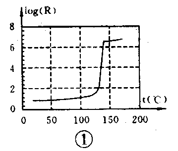
可恢复保险丝是由高分子聚合物及导电材料等混合制成。正常情况下,导电材料通过聚合物材料构成三维导电通道,处于导通状态。当有异常大电流通过时(或出现过热时),可恢复保险丝自身温度迅速上升,聚合物材料随即膨胀,使导电通道断开,其阻值在极短的时间内上升至原阻值的10\(^{6}\)倍以上,使电流变小,电路如同断开,达到保护目的。当异常大电流(或过热)消失后,可恢复保险丝自身的温度下降,阻抗变小,直至重新导通。其电阻温度特性见图1。

二、应用示例
1.摩托车电子
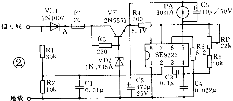
图2是可恢复保险丝在摩托车电子中的典型应用。图中,SE9225是摩托车电子转速表专用集成电路,F1是可恢复保险丝。当摩托车出现异常处于全抛状态(稳压器损坏)时,A点电压升高并超过40V,流经保险丝的电流大于180mA,保险丝在极短的时间内,进入高阻态(>20kΩ),使B点电压迅速下降,防止N1过压、过热损坏,有效地保护了整个仪表的安全。当异常状况排除后,保险丝自动恢复,仪表又回到正常工作状态。

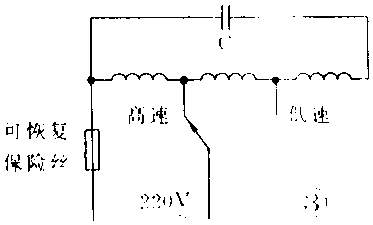
2.微电机
微电机传统保护方法有外测法和内测法两大类,外测法是从外部检测微电机电流或电压的失常信号并进行保护,常采用热继电器。内测法是检测微电机内部的绕组温度,超过允许温度时,迅速切断电源。采用可恢复保险丝,既可做到过热保护,又可做到过流保护,集上述外测法与内测法优点于一身。
可恢复保险丝过热过流保护如图3所示。其串联于微电机的主电流中,紧靠绕组固定在外壳内部。

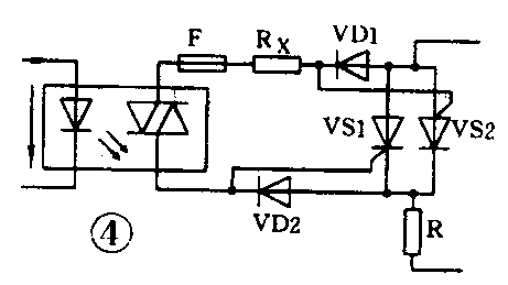
3.晶闸管触发电路
功率扩展型晶闸管触发电路一般由光控晶闸管或固态继电器组成,这种电路简单可靠,具有良好的隔离性能。典型电路见图4。

如果接线错误或晶闸管由于某种原因不能正常导通,当有触发电流I\(_{t}\)流过时,主回路电流全部流过触发器电路,由于工业负载功率一般较大,R很小,绝大部分电压降在Rx上,产生过电流。若无保险丝则有可能烧坏R\(_{x}\),若用传统保险丝,又存在更换问题,在进行电路设计时必须放在容易维护的位置,在工业现场,有时易被错误的保险丝替换,造成触发电路的故障。还有可能因保险丝规格过大,故障电流仍会将Rx烧坏,引起故障扩大。采用可恢复保险丝则完全解决上述问题。
4.洗衣机
进水电磁阀铁芯因锈蚀或塑料管架因线圈发热变形而被卡死以及异常电压的引入都有可能使进水电磁阀线圈断路或短路,其结果会引起电脑板上双向晶闸管烧毁或击穿,致使洗衣机无法正常工作,用传统保险丝作为过流保护显然不现实。而用可恢复保险丝(图5)既可保护晶闸管不致烧坏,也可保护进水电磁阀线圈不致因短路或过热烧断。

5.音响
高功率放大器与低功率扬声器一起使用会在持续高音量期间使扬声器线圈负载过重;低功率放大器也可能出现超载驱动情形,导致削波现象产生,引起输出功率向更高频率漂移,从而使高音扬声器过载;数字录音(包括CD等)在其回放时能重新产生高频信息,会对高音扬声器造成额外负担;用户使用不当,如音量旋钮放在最大时开机使设备承受大电流的冲击。这些因素对音响设备均有造成危害或损坏的可能。可恢复保险丝可在大电流下急剧升阻“切断”线路,正常状态时自动接通,为音响提供了一种方便、可靠的保护。
6.仪器仪表与控制系统
不当使用或线路短接引起的短路大电流会导致线路或元件过热或烧毁。将可恢复保险丝串接于线路上,一旦出现过电流,其阻值随之变大,可以减小电流直至切断电路,从而避免线路或元件烧毁,提高设备的安全性与可靠性。(李建清)