问:有一台日立757型录像机,放像或收看电视节目时图像会上下跳动,调整彩电场同步电位器可使图像稳定,但调整范围很窄。若不调场同步,每次开机后几十分钟,图像会逐渐稳定下来。如果彩电不经录像机直接收看电视节目,则无此现象,不知如何解决? (山东 梁晓明)
答:彩电不经录像机直接收视节目正常,说明故障与彩电无关,而在录像机中。由于放像和收电视均发生场跳,故问题主要在视频输出电路及RF变换器上。维修实践中以后者为多见,可以掉换新件,也可以拆开RF变换器检修,通常重点检查晶体管特性是否不稳、电容或印制板是否存在漏电、插头插座接触是否良好等。 (兰德)
问:一自松下NV—L10录像机,重放有伴音,无图像。屏幕上只有纯净光栅,是否断定磁鼓损坏?(长春 邓大明)
答:依据屏幕上只有纯净光栅而看不到图像这一现象,尚不能断定就是磁鼓坏了。应当检测亮度信号处理通道。重点测量F713101、Q3101和D3102是否不良。正常情况下,FL3101的①、③脚和Q3101的发射极均应有亮度信号被形。常见为二极管D3102击穿短路,用IN4148代换即可。(聂元铭)
问:一台NV-PD92放像机,加电后仅电源指示灯点亮,全部方式不工作,应怎样分析检修? (成都 齐志民)
答:从故障现象看,应从分析检修电源电路及系统控制电路来找到故障点。该机电源电路输出+5V、+6V、+14V等几种电压,在电源输出端所测值一般较标称值要高。如果所测电压低于标称值很多,应进一步检查该路电压的稳压调整电路。如果电源输出正常,检测系统控制IC6001的(11)脚和(42)脚,应有正常+5V供电电压,如果电压太低,检测稳压电路Q1、D3,常见为Q1(D1996)发射结开路,Q1功率太小,工作时极易因发热而烧坏,可用一只国产中功率管代换。 (聂元铭)
问:一台索尼KV-2092CH型51cm彩电,收看过程中偶尔出现彩色变浅现象,有时又能够自动恢复正常,没有规律,问其故障原因? (江苏 吴福山)
答:这是该型号电视机的多发性故障。因该机的色饱和度是由微处理器自动调控,如只对解码电路进行检测往往不易发现故障点,但检修实践证明,此故障多是由于色控电路IC003的脚输出电压端至解码电路之间的接线插子A-2的③端氧化接触不良。造成IC003脚输出的色控电压不稳,而导致了图像彩色不稳、变浅等故障。处理此故障时,可去除接线插子,直接用导线连接A-2的③端接线柱,保证接触良好即可。 (陈克军)
问:收录机走带时出现“啪啪”响声并伴有轻微的感应交流声,是什么原因?如何检修? (湖南 王阳)
答:收录机走带时如果出现“啪啪”响声即为静电放电声。这是机心接地端(有的是将地线焊片用螺钉拧上)的螺钉松动,使机心接地不良。此故障只需用螺丝刀将地线焊片拧紧,保证接触良好,即可排除故障。(倪耀成)
问:收录机上的直滑式功能转换开关因长期使用之后,其内部易产生接触不良或生污迹致使功能转换失常。如何修复?(湖南 沈良友)
答:将故障开关内的活动滑扣取下,并小心抽出中间条形塑料杆(要注意滑杆内的小弹簧不能弹出)然后用药棉沾些无水酒精分别清洗内、外部污迹,开关功能就能恢复正常。 (倪耀成)
问:一台微波炉开机后炉内灯亮,运转正常,但无加热作用,不知何故障?(上海 周世民)
答:微波炉开机后,炉内灯亮盘转但不加热食品,这说明机内变压器前部工作正常,故障出在微波炉没有微波发射。不加热的故障一般出在机内的高压变压器的次级到磁控管之间的电路,常见故障有以下3种。
(1)升压三极管短路。其原因是升压二极管耐压差,被几千伏高压击穿,磁控管得不到正常工作所需高压,然后造成无微波发射。排除方法是打开炉罩,找到升压二极管并焊上,用万用表R×1kΩ挡测升压二极管的正反向阳值,如短路,用同型号的二极管代换,故障即除。
(2)变压器次级到磁控管之间的连线松脱。微波炉各元器件之间的连接是接插式,使用日久,或家庭环境不良,容易使接插头氧化开路或松脱,造成升压电路与磁控管之间电路中断,使磁控管不工作,也就不能加热。解决办法是用尖嘴钳将炉内各接插头,插座紧固或清除氧化物,使之接触良好。
(3)磁控管失效。磁控管灯丝开路,可用万用表R×1Ω挡测管的灯丝两端电阻,正常为几欧或十几欧。如无穷大为灯红开路,管子失效。如果灯丝电阻正常,其它电路无元器件损坏,就是不加热,手摸磁控管烫手,说明该管损坏,需更换磁控管。 (倪耀成)
问:一台长风CF47-4B型彩色电视机,刚开机时只有一条约3mm宽的水平亮线,伴音正常,开机后约10分钟,图像才完全恢复正常,检查场输出管、集成电路又都正常,不知何故?请问如何修复? (甘肃 苏强)
答:这是场扫描输出电路中的C312容量不稳所致。用一只耐压50V、10μF的电容换上即可排除故障。 (邱慧远)
问:一台熊猫DB47C5彩电发生左侧图像拉宽的现象,不知如何排除故障? (湖南 邵珊珊)
答:这是行输出管Q551(2SD951)中的阻尼管损坏之故,可另取一只2CN1二极管,其正极接地,负极接Q551的集电极。若不能排除故障,则只有更换Q551,方能使光栅正常。 (汤志成)
问:一台康佳KK-T2910A彩电,多次烧坏开关管V901(C4111)和电阻R1003,不知如何排除故障? (湖北 何平清)
答:这是电源调整管V901C极上的由电容C905、R910、VD904组成的保护电路中有脱焊处或性能变劣。若焊接正常,则只要取一只2200pF/2kV优质电容代换C905可彻底排除故障。 (汤志成)
问:一台天鹅CS37-C1彩电开机约30分钟后,则会发出“吱吱”叫声,光栅随之闪动,该如何检修? (内蒙古 古天棱)
答:维修实践表明,此时测行输出管的C极电压,可见其随“吱吱”声下降,测STK7359的⑤电压异常,此乃STK7359的⑤外电容C712(47μF/10V)漏电之故。取一只同规格电容取代原C712即可排除故障。 (汤志成)
问:TCL9329Z大屏幕彩电,枕形校正管D1406的基极与发射极击穿,请提供电气参数和代换型号?(河北 谷春阳)
答:D1406的电气参数:V\(_{CBO}\)=60V ICM=3A、P\(_{CM}\)=20W、β≥150。可用功耗相近且易购的全塑封管D1264替换。(刘福胜)
问:金星C542型遥控彩电,射频CATV输入雪花较大,换三森增补高频头后,雪花依旧。测前置中放管2SC1906的基极和发射极电压均为0.2V,集电极12V与图纸出入较大,不知何故?请提供该管代用型号? (丹东 田鹏)
答:根据你的叙述认定,这个前置中放管2SC1906的发射极与基极已经击穿。将其拆下,用易购的CS9018高频管替换,适当微调高放AGC,定会达到满意的收视效果。 (刘福胜)
问:法国汤姆逊5114彩电,可正常接收电视节目,但切至AV状态,再切回来则音像全无,屏幕呈白板状,每个台都是这样,不知该如何检修? (山东 司伟)
答:当该机视频通道芯片TDA4443内部的视频开关不佳时,就会产生上述故障。从电原理图我们可以看出,当切至AV状态时,CPUHD44840A65的第6脚输出一个控制电压至TDA4443的第2脚,该芯片内部的视频信号被切断。你通过检查这一支路的电压变化,即可确定并排除故障。 (刘福胜)
问:一台NV-M8000摄像机按通电源开关,电子寻像器内的图象经常出现闪动,严重的出现无图无光现象,一会儿又自动恢复正常,请问这是什么原因造成的?怎样排除? (河北 高放)
答:上述现象一般是电子寻像器电缆插头与摄像机上J1504插座接触不良所造成的。遇到这种情况可拔出插头,用医用注射6号针头在前端卷上少许棉花,然后沾点酒精挤干后逐个擦洗插孔和插头针脚上的污垢。擦洗完毕再用镊子将插孔内接触簧片逐个夹紧少许,插入插头就能保证接触良好,寻像器内显示恢复正常。(黄福森)
问:一台小型放音机,使用集成块LAG665,稳速电路出现故障,不知稳速电路使用哪几个引脚,请告诉引脚号、作用及对地电压? (河北 杜长田)
答:单片立体声放音机电路LAG665F,内含电机稳速电路,其引脚号、作用及V\(_{CC}\)=3V时对地实测电压如下:电机地,0V;电机控制,1.35V,机强制启动,0V;速度调整,1.6V;转矩调整,2.5V;电压VCC,3.0V;机强制停止,0V。其中在随身听中一般均不使用。 (韩家明)
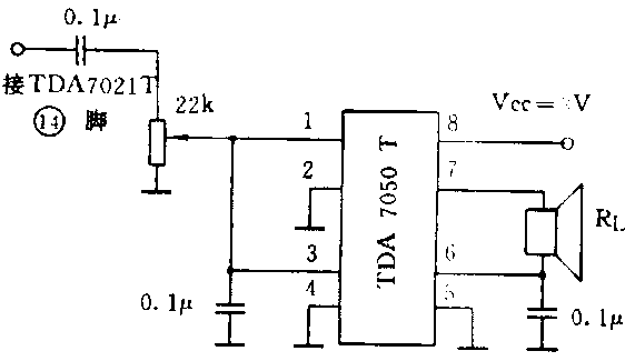
问:打算用TDA7121T装一台FM收音机,但查阅《无线电》所刊登的应用图,均为用耳机收听,若改用8Ω扬声器,如何制作? (江苏 王绍全)
答:用耳机收听,只需一只三管,改用8Ω扬声器,需加装小功放,推荐应用TDA705OT功放块,线路简单。如下图所示,图中,TDA7050T为BTL接法。当V\(_{CC}\)=3V时,可输出100mW。(霄明)

凡是给编辑部问与答栏来信的读者,请将自己的详细通信地址及邮政编码写在所问的问题后面,以使我们将此信转寄给相关的专家去解答。 (编辑部)