随着人们生活水平的提高,电视作为一种大众消费品已进入普通百姓的生活之中,并在家庭娱乐中占据了重要的地位。现在消费者使用的电视机,其荧光屏上的扫描光栅还存在许多令人不满意的地方,譬如屏幕的大面积闪烁、行间闪烁、图像水平边缘闪烁、扫描线的爬行、并行等,这些现象在一定程度上干扰了画面,影响了电视图像的收视质量,同时对收看者的眼睛也有一定的伤害。
造成普通电视有以上缺陷的重要原因之一就是现行电视的场扫描频率太低。我们都知道普通电视的50/60场扫描频率带来图像的大面积闪烁,一直是模拟电视技术难以解决的问题。在平坦的大面积光亮区域,人眼能够感觉到扫描光栅的亮度有每秒50场的变化(在高亮度的大屏幕显像管上,其变化的感觉尤为明显)。由于隔行扫描方式的原因,图像水平边沿的扫描线位置各场不同,使边沿有上下跳变现象,其跳变频率为25Hz,也极易被人眼觉察。研究表明,人眼可观察到频率非常高的场景亮度变化,它主要取决于机场和亮度信号电平。就我们正常的收看电平来讲,PAL制和SECAM制的50Hz扫描场频对许多人来说可能是太低了。NISC制的60Hz场扫描频率相对50Hz的场频已经有了很大的改善,但仍存在大面积闪烁的问题。测试表明,100/120Hz的扫描场频对避免大面积闪烁的效果是非常明显的。
目前,国内外的半导体厂和整机厂家正在加紧开发倍频的集成电路和整机,并且已取得了明显的成果。日本的东芝公司、三洋公司、荷兰的飞利浦公司、德国的ITT公司、西门子公司等都已推出了自己的倍频的解决方案,有的公司(如日本的东芝公司)已经推出了整机。本文向大家介绍的数码100转换电路是采用西门子公司的集成电路设计而成的,它与其它公司的解决方案相比,具有电路结构简单,外围元器件少,性能价格比高的特点,是目前比较好的场频转换电路。
西门子公司的数码100转换模块电路的框图如图1所示:它主要采用三片超大规模数字集成电路(SDA9206、SDA9255和SDA9280)设计而成。下面对这三片数字集成电路作一下简单的介绍:

SDA9206是一片三重视频模数转换(ADC)集成电路,它主要有以下特征:
●I\(^{2}\)C总线可控制所有调整量
●内含三路独立的8bit的模数转换器(ADC)
●27MHz时钟同步产生
●提供高达30MHz的采样频率
●两种数据采样模式(4:2:2和4:1:1)
●输出亮度信号的采样频率为13.5MHz,色度信号采样频率为6.75MHz或3.375MHz(可选)
●输入信号5V供电,输出信号5V或3.3V供电
●P-MQFP-64封装
SDA9255是一片进行扫描频率转换的集成电路,它主要具有以下特征:
●I\(^{2}\)C总线可控制所有调整量
●支持4:1:1的数据格式
●内置一场存储DRAM
●100/120Hz的隔行扫描转换(仅对ααββ格式)
●同步信号的倍频转换
●画面静止、放大
●供电电压为5V±5%
●P-MQFP-64封装形式
SDA9280是一片进行显示处理的集成电路,它主要具有以下主要特征:
●内含三路独立的9bit的数模转换(DAC)
●可支持四种数据输入格式:4:1:1格式(并行),4:2:2格式(并行),4:2:2格式(CCIR656),4:4:4格式(并行)
●输入数据采样频率可高达30MHz
●4:3和16:9显示模式可选
4:3信号压缩后在16:9屏幕上显示
16:9信号扩张后在4:3屏幕上显示
●数字的彩色边缘增强电路(DCTI),提高彩色边缘的锐度
●5V供电
●P-LCC-68封装
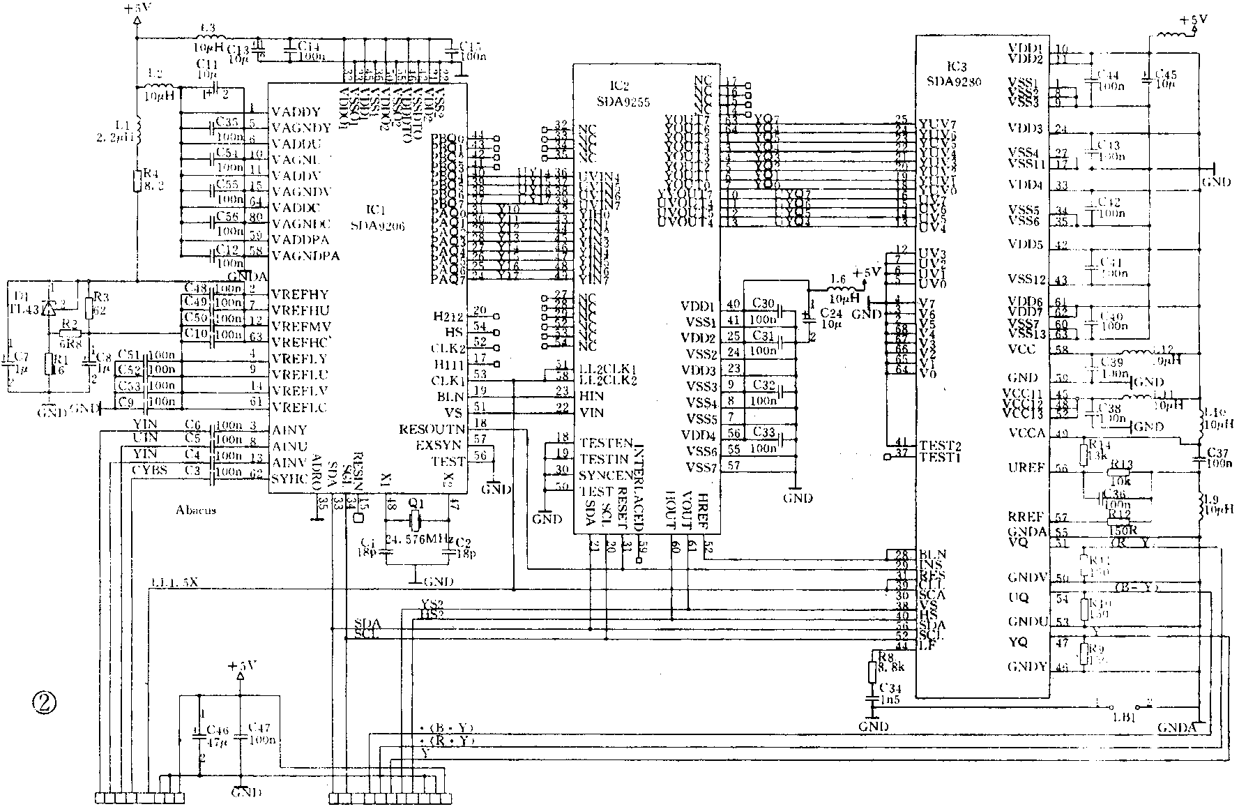
图2为彩电整机设计中所采用的西门子公司的倍频解决方案的电原理图。其中大部分的元器件的参数值仅供参考;在具体机型中还需作调整。现向大家介绍一下系统的工作原理:

1.小信号处理通道
从电视解码芯片来的YUV信号,分别经隔直电容C4、C5和C6到SDA9206的(13)、(8)、(3)脚。在SDA9206内部进行YUV信号的模数转换(ADC),Y信号的采样频率为13.5MHz,UV信号的采样频率为3.375MHz(4:1:1格式),成为8bit的数据流。然后Y信号的数据流从SDA926的(24)~(31)脚并行输出到SDA9255的(49)~(42)脚,UV信号的数据流从SDA9206的第(37)~(40)脚并行输出到SDA9255的(39)~(36)脚,在SDA9255内部进行倍频的转换。经倍频转换的Y信号,从SDA9255的(7)~(3)、(1)、(64)和(63)脚输出到SDA9280的(18)~(25)脚,UV信号从SDA9255的(l0)~(13)脚输出到SDA9280的(16)~(13)脚,在SDA9280内部进行数模转换(DAC),并对亮度信号和色度信号进行加工处理。
模拟的亮度信号从SDA9280的(47)脚输出到电视机的主解码芯片,UV信号分别从(54)脚和(51)脚输出到电视机的主解码芯片,从而完成YUV信号的倍频的转换。
2.同步信号的处理通道
从电视解码芯片来的复合同步信号经隔直电容C3到SDA9206的(62)脚,在其内部进行行场同步信号的分离。分离后的行切同步信号分别从SDA9206的(19)和(51)脚输出到SDA9255的(23)和(22)脚。行场同步信号在SDA9255内部进行扫描频率的转换,行频(仍为隔行扫描)和场频加倍,倍频后行场同步信号分别从SDA9255的(60)和(61)脚输出到SDA9280和电视的主解码芯片和CPU。
3.时钟和复位信号
在SDA9206内部产生27MHz的时钟信号,作为控制系统工作的时钟脉冲,并从SDA9206的(53)脚输出到SDA9255的(58)、(51)脚和SDA9280的(30)、(39)脚。
复位信号(低电平有效)也在SDA9206内部产生,并从SDA9206的(18)脚输出分别加到SDA9255的(31)脚和SDDA9280的(31)脚,在工作启始进行系统的复位。
4.I\(^{2}\)C总线调整
在SDA9206、SDA9255和SDA9208中的所有调整量均可由CPU通过I\(^{2}\)C总线进行设置,无需任何机械调整点。
5.电源为+5V±5% (孙士华)