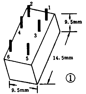
问:我有一个小型继电器,其结构尺寸如图1所示,不知其参数怎样测量,请介绍在业余条件下的测量方法。(北京 郝闻)

答:你说的这种继电器是一种小型电磁继电器。这种继电器具有高度低、外形小巧、灵敏度高、机电参数一致性好等优点,广泛应用在电子玩具、遥控器、报警器、家用电器等装置中。在业余条件下测量这种继电器的方法为:首先找出继电器的线圈,可用万用表R×10挡或R×1挡逐对测量六个引出焊片(为叙述方便我们给焊片编了号,实际元件中并无编号)间的电阻,若测得某两个焊片间的阻值在几十欧姆以上,就是线圈两端的引出焊片(注意在测量中有一组焊片电阻极小的为常闭触点引出焊片,不要误认为是线圈引出焊片)。继电器的参数主要有4项:1.线圈直流电阻;2.额定工作电压;3.额定工作电流;4.触点结构。
线圈的直流电阻可直接用万用表电阻挡测出。

测量线圈的额定工作电压和额定工作电流可按图2方法连接,用一个0~30V的稳压电源(没有稳压电源可用电池串联代替)接在线圈两端(假设为3、4两焊片),把直流电压表(或万用表电压挡,一般最大量程为30V即可)和直流电流表(或万用表直流电流挡,一般最大量程为100mA即可)按电路接好。先把稳压电源调到最低电压,然后打开电源,逐渐增加稳压电源(或串联干电池)的电压数值,并仔细听继电器里的动静,当电压升到一定值时,继电器里边就会发出咔的一声响声,表示电磁铁把衔铁吸住了,继电器进入吸合状态,此时,电压表和电流表显示的数值即为继电器的吸合电压和吸合电流。一般继电器的吸合电压约为额定工作电压的75%;吸合电流为额定工作电流的60%。所以只要测出吸合电压和吸合电流就可从算出额定工作电压和额定工作电流。若测算出额定工作电压后再除以线圈的直流电阻也可以算出额定工作电流。
测触点结构方法为:若图1所示继电器为一组接点型,可用万用表电阻挡、先找出常闭接点。假设图中的5、6(5和6是连在一起的)和1是常闭接点,再按图2的实验当继电器吸合时,看哪两个触点接通,如5、6和2接通,则2即为常开接点。这种小型继电器的接点电流大多为1A,耐压最多也不超过30V。准确的负载电流、电压值业余条件下不好测定,可查找有关资料。(沈长生)
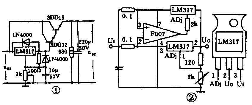
问:我用三端稳压器LM317组装了一台1.25V~20V的可调稳压电源。LM317最大允许电流仅为1.5A,有时不能满足需要,而我用的变压器还有很大的余量,请问如何能扩大输出电流?(江苏 田玮)
答:在变压器和整流器有余量时可扩大稳压电源的输出电流。可按图1电路连接,将输出电流扩展到5A(3DD15应加散热片)。

按图2所示电路,采用两只LM317并联使用,可将输出电流扩展为3A。电路中采用一只集成运算放大器F007来平衡两稳压器的输出电流,并通过R4、R5调节输出电压。R1、R2用来对每只LM317进行电流采样。同理,也可用三只LM317并联,使输出电流扩展到5A。(沈征)
问:有的压电陶瓷片(如图1所示)有两块镀银膜,在电路中如何使用?(新疆 阿里)

答:图1所示面积较小的银层(字母C所指)称为副极银层。常用这种压电陶瓷片制作图2所示的压电陶瓷振荡器。(沈长生)
问:我有两块μPC1651,想做一个天线放大器,但不知它的管脚顺序和功能,其中有一个脚比其它三个脚长,不知它应接什么地方,请画图说明μPC1651的使用方法。(山东 周长春 辽宁 李盛毅)

答:μPC1651是天线放大器专用集成块,它的管脚接法如图1,电路原理可参考图2。(沈征)