本文介绍一种三功能红外线遥控的套件,它可以分别控制三个继电器的开和关,利用这些继电器可以控制:(1)窗帘的开闭;(2)功放或组合音响、电视机的电源;(3)可以对不同音箱、功放、音源进行A/B比较。它除可以供爱好者业余对自己的音响系统进行功能扩充之外,也可供音响小厂做产品配套用。
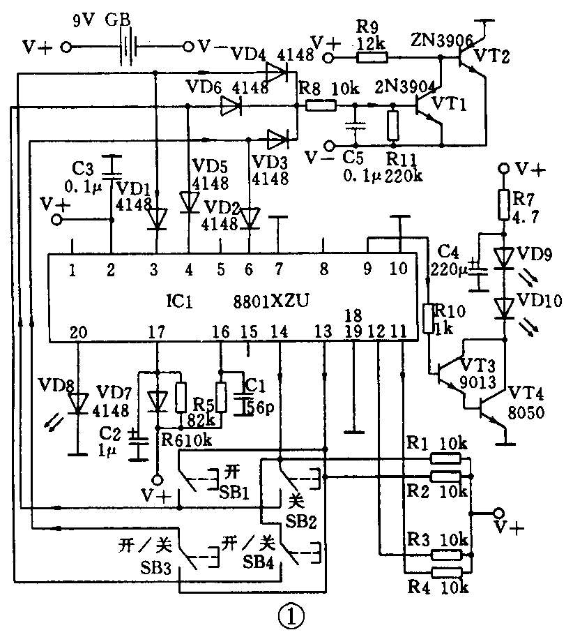
电路简介 本电路板由发射、接收两部分组成。发射电路见图1,IC1是发射专用芯片,使用9V电池,也可以改为3V使用,此时仅需把R9(12k)改为1k即可。其中第3、4、6脚(键盘指令输入)与11、12、13、14脚(键盘指令输出)构成指令按键,本电路只使用三组功能。VD1~VD6为开关二极管,除用以输入指令外,还用作复合输出管VT1、VT2的电源开关,当未按下发射按键时,VT1、VT2处于截止状态,以减少电源的消耗。VD8为LED,用以显示工作状态。VT3、VT4为复合管,用以驱动红外发射管VD9、VD10,双管串联可提高发射功率(如果采用3V供电,则发射管只能用一个)。

红外接收及控制部分见图2。它由专用的红外接收前置放大器IC1-MC3373P及IC2-8802组成,其中8801及8802是配套的专用红外发射接收芯片。VD5为红外接收管,经IC1进行前置放大局送去IC2解码,由IC2的第6、8、9输出控制信号,并通过VT1~VT3分别驱动三个电压为8V~9V的继电器,由继电器的触点直接控制小电流、低电压的受控回路。对于大电流高电压(36V以上)的受控电路,须另外采用中间继电器,并注意高低压之间的安全隔离。在板上已安装好K1及K2,而K3需另外添加。整个接收电路使用一组9V的电源,可用直流供电,也可以用小变压器及三端稳压器7809另外组装一组稳压电源,电流100mA足够。按键的面板布局及尺寸见图3。遥控接收及控制板的尺寸见图4,供选购时参考。



使用 本套板全部调试好,不需作任何处理即可正常工作。因为本电路均没有外壳,所以对用于安装音响设备是比较方便的。目前许多用户都有学习型的遥控器,则只需把发射板的四个按键卸下来即可。这时发射板可以另外保存起来。
为了方便用户利用本套板制作实用的设备,特介绍三个电路:(1)遥控式电源开关电路,见图5。利用本套板共可设置三组独立受控的电源电路,考虑到电源电路有高压及大电流通过,故利用原电路的继电器触点来控制大触点电流的中间继电器。中间继电器最好选用36V以下的较好。(2)遥控窗帘开关,见图6。其中K1用作电源的开关,K3用于控制正反转。(3)音响的A/B比较。在音响器材进行A/B比较时,如果通过改变接线或扳动开关,中间的停顿时间会降低比较的效果,采用遥控器可以快速切换,方便且效果好。图中使用RCA插座时,可对信号源(CD、LP、DAT等)进行A/B比较;采用扬声器插座时可对功放、音箱进行A/B比较。当然要进行信号源比较时,继电器的触点可选用1A以下。如果要进行功放或音箱的A/B比较,则继电器触点电而应选5A以上,最好是选10A的。由于文字限制,有关其制作应用和更详细的资料可通过传真机拨通020-83502872转299进入通途公司的电子邮箱按提示即可取得。也可通过因特网:gztotal@pub-lic.guangzhou.gd.cn(李隆)


