问:一台松下画王TC-29GF12G型彩电发生图像枕形失真现象,明显影响收看效果,经反复调试I\(^{2}\)C总线数据也收效不大,不知问题出在什么地方?(福建 张南峰等)
答:这种故障大都系三极管Q703(2SD1499)的集电极电阻R765(10Ω/2W)烧坏所致。只要更换一只同规格电阻或换上一只10Ω/3~5W的电阻便可解决问题。检修时应注意,有时Q703亦被烧坏,检查发现后要一并掉换,只换R765是不行的。(王德沅)
问:一台厦华XT-51500型彩电,开机后图像伴音均正常,就是绿色指示灯不亮,用一个绿色发光二极管代换无效,而该机的待机红色指示灯亮熄正常,怎么排除故障?(山西 张龙安)
答:图像伴音均正常,通常表明电视机不会有什么复杂故障。绿灯不亮;首先应检查所代换的发光管是否良好及连接极性有否搞错。若都正常,则查绿灯两端电压是否正常,在绿灯正常情况下,这个电压肯定是很小或没有的,否则绿灯不会不亮。在确认电压不正常后,即可循着绿灯线路检查驱动电路,通常很快就能找到故障所在。实践中以断线、接插件脱焊等较为多见,而集成块驱动电路损坏则很少见。(元沅)
问:我的一台NV-J27录像机,因误接至380V高压上而烧毁,现在接通电源后无显示,整机不工作,不知道应当更换哪些元件? (石家庄 雷军生)
答:这种情况下,先不要急于加电,应检查并更换以下元件:看电源滤波电容C8(68μF/450V)是否开裂,电源厚膜块IC1(STRD6009E)是否击穿,限流电阻R25(2Ω/0.5W)是否开路。更换损坏元件后,加电,再做进一步检查。(聂元铭)
问:一台日立VT-426E录像机,重放无伴音,图像正常。请帮助分析故障原因。(三亚 刘法)
答:重放图像正常无伴音,故障范围在音频处理电路。首先清洁音频磁头,然后检查音频处理集成电路IC402(BA7751ALS)供电电压是否正常,放音电平调整电位器RT402(47k)调整位置是否合适。如果在IC402(16)脚加干扰信号,能听到声音反应,而在⑨脚加干扰信号时听不到声音反应,应进一步检测外围电路各元件是否良好。常见故障原因为电容C417漏电或IC402损坏。(聂元铭)
问:一台日立427型录像机,插上电源后,显示屏亮,但按动电源开关后,电源指示灯不亮,磁带送不进,按动所有按钮均无反应,怀疑电源集成块STK5372坏,经更换无效。因无资料,不知如何检修?(江苏 王国明)
答:此故障出在系统控制电路。该机控制系统主要由IC901(HD614088SB60)和IC701(M5095467959)组成,一般情况下,集成块IC901、IC701不易损坏,故重点检查IC901、IC701的供电电路等。测IC901第电源电压,若该脚电压约为5V时,再测IC901第⑥脚电压,按动工作操作键,正常状况应约为4.8V,IC851(STK5372)第②脚应得到约为0.6V的电压。当IC901第⑥脚为低电平时,那么IC851第①、④、⑤脚就没有正常电压输出,整机当然不能正常工作,首先表现为磁带送不进。当IC901第电压为5V而IC901第⑥脚为低电平时,应检查IC901第外复位电路和IC901第外接的晶振电路等。判断复位电路是否正常的方法:测IC901第电压,电源一插上该脚电压力高电平,而后应为低电平,说明复位电路正常,否则应先查复位电路。当IC901第电压为0或明显偏低时,应检测IC801第脚电压(正常值为5.6V)和Q803的发射极电压(正常值为5V)即可找出故障点。在实际检修中,发现Q803损坏比较多见。(吉达平)
问:如何延长东芝录像机V-K60的后备电源时间? (广东 芦苇)
答:东芝V-K60录像机的后备电源为电容C958(0.22μF/5.5V)上存储的电荷,关机后约30分钟,该电容上电压则降为3.5V以下,此时时钟停振,所以后备电源时间只有30分钟左右。若要延长后备电源的时间,只要在C958上并联3节5号电池(串联而成的4.8V电压),则可使后备时间延长到一年左右。打开录像机上盖,把串联好的电池的正极接到C958的非接地端,负极接地即可。(汤志成)
问:一台松下TC-M25C彩电,发生多次烧毁行输出管的故障,查+B和行输出变压器均正常,不知毛病到底在哪里?(辽宁 林振雷)
答:维修实践表明,松下TC-M25C彩电屡次烧毁行输出管Q501(2SD1175)的根本原因是,行推动变压器T502引脚有裂纹而处于若接若离状态,接时彩电工作正常;离时则行激励不足而烧坏行输出管,焊好T502即可彻底排除此故障。(汤志成)
问:一台东声TC2163型彩色电视机的行管损坏,用一只同型号行输出管更换后,起初工作正常,约20分钟后,屏幕右边出现一条10mm宽的黑竖条,随之行输出管又损坏,查遍行推动、行输出部分所有元器件均正常,不知何故,请问如何修复?(江苏 沈兰)
答:这是更换的行管内部所接阻尼二极管性能不良所致,选择一只原装行输出管换上即可。(邱慧远)
问:用牡丹49C1型遥控彩电与一台先锋大影碟机通过AV端子配接后,图像无彩色且场不同步,该机无场频调节钮,请问该怎样解决?(珲春 唐晓群)
答:先锋大影碟机输出的视频信号属于NISC制,与牡丹4901型彩电配接必须要加机外简易制式转换器,并且电视机内的μPC1423的第26脚应通过一只10kΩ电阻接在12V上,场频变为60Hz,图像即可稳定。(刘福胜)
问:一台进口组合音响中,电源调整管BD377损坏,请提供该管电气参数及代换型号?(哈尔滨 李利群)
答:BD377是欧州产硅材料NPN管,其电气参数V\(_{CBO}\)=75V,ICM=2A、P\(_{CM}\)=25W。可用易购的2SC2073、2SC2078、2SD880、2SD1264等代换。另外,欧洲器件排序相近的产品差异较大。如BD378系硅材料PNP管,电气参数同BD377互补。因此,在代换欧洲器件时要尽可能查找到它的电气参数,避免扩大故障。(刘福胜)
问:一台上海飞跃R50-1型电子管扩音机,电源变压器高压绕组与低压绕组击穿短路。这种变压器价格较高而市场上又难以买到,如何改动使该变压器继续使用? (虎丘 邱志刚)
答:该电源变压器一般是高压绕组与负压绕组间容易击穿。改动时将负压整流部分元件焊掉,断开负压供电绕组(38V~0~38V)的接地线,以解决高压与地形成短路问题。用两只75kΩ10W线阻一头分别接到G8的4脚和6脚上,另一头分别各接1只1N4007硅二极管,两只1N4007的正极接到C37与R40的接点处,构成降压全波整流供给负压电路,然后调整RP6,使负电压为-32V即可得到比较满意的效果。(倪耀成)
问:乡广播站一台泰兴产海燕822型调频调幅收转机,收调幅广播正常,当收转县调频台的调频信号时,监听音量不能开大,否则扬声器就会发出汽船声,是什么原因?怎样检修?
答:这是机械上的原因引起的高频机振啸叫现象。对该类机同类故障检修数例,都是空气四联可变电容器调频联的定片虚焊松动造成。当监听音量开大,扬声器的机械震动使调频联可变电容震动,由于调频的频率较高,调频联的电容量将发生相应变动,导致本机振荡频率随之变化,这种变化经过电路中的一些非线性元件将变成音频信号,由扬声器放出;而这声音又返回来影响调频联的电容量,循环下去便产生振荡啸叫。机振特征是音量开大产生,开小消失。在超短波段尤为显著。(倪耀成)
问:收录机都不用稳压电路,这是为什么?对集成功放电路的性能指标和放大器的失真等指标有无影响?(山东 刘立成)
答:绝大部分的收录机,其电机电路、电平指示电路、功放电路,不用稳压电路,原因是:电机本身有稳速装置,不必再用稳压电路。电平表指示电路仅作信号指示用,对整机电气性能无任何影响,没有必要采用稳压电路。末级功放大都采用线性集成电路。在集成电路内部,一般都采用元件对称性好,对温度漂移可以进行补偿的、具有恒流源的差动放大电路,该电路受直流电源电压变化的影响很小,抗干扰能力强。所以不采用直流稳压电路,对放大器的失真度等指标基本上没有什么影响。(倪耀成)
问:现有一个电源变压器,双组21V,打算用傻瓜275功放,不知275的参数,能否作为275的电源变压器?(北京 蔡承龙)
答:傻瓜275的主要参数是:工作电压:±15~±32V,极限工作电压±34V,截止保护电压:±35~±38V,额定输出功率35W×2,最大输出功率75W×2,静态电流50mA×2。根据以上参数,双组21V整流滤波后的空载电压未超过275的极限电压。根据275的额定功率,变压器的功率容量至少应大于70VA,最好在100VA以上。此外双组21V电压值在满载后不应降低太多,否则说明绕组线径太细,影响275的功率输出。符合上述要求即可使用。(韩家明)
问:一台东大尼索HCD-988激光唱机,其主轴电机驱动集成块TA7256P损坏,请介绍主要特性,各引脚功能,何种型号可直接代换?(四川 刘其宾)
答:TA7256P是双驱动器,电源电压V\(_{s}\)=±15V,最大输出电流1A,单列10脚封装。各引脚功能是:①检测电压Ⅰ,②输出电压Ⅰ,③反相输入Ⅰ,④正相输入Ⅰ,⑤VEE,⑥正相输入Ⅱ,⑦反相输入Ⅱ,⑧输出电压Ⅱ,⑨检测电压Ⅱ,⑩V\(_{CC}\)。TA7256P可用KA9256直接代换。(霄明)
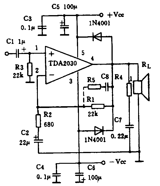
问:打算用TDA2030装一个扩音机,采用双电源供电,输出直接耦合,查不到应用资料及实用电路图,能否提供?(四川 冯云鸽)

答:TDA2030,音频双功放,单列5脚封装V\(_{CC}\)=±6~±18V,当VCC=±14V,R\(_{L}\)=4Ω,THD=0.5%,f=40~15kHz时,输出功率Po=14W。应用电路如图,图中R5、C8用于防止高频自激;同时也控制了功率带宽。R5、C8取值如下:R5=3R2,C8=1/2πBR1,B为功率带宽。(韩家明)