电容器是彩电中应用较多的元件之一,也是彩电中损坏率较高的元件之一,它分布于彩电各个单元电路中,当其损坏或性能变劣后,由于它在电路中不同的部位与不同的作用,使故障的表现形形色色,常常令众多的维修技术人员大伤脑筋,本文列举一例由电容异常引起的故障,供广大读者参考。
一台黄山牌AH5166C/R型彩电,开始加电时,无光无声,待1分钟左右,声光又突然恢复正常,紧接着荧光屏上又出现花栅,面积忽小忽大地闪烁不停,声音也跟随忽小忽大,这变化的过程大约要45秒钟时间,机器工作才能恢复正常,而且工作若干小时都不会出现异常现象,但一关机停止个把小时不工作后,再开机,又重复上述类似故障现象。
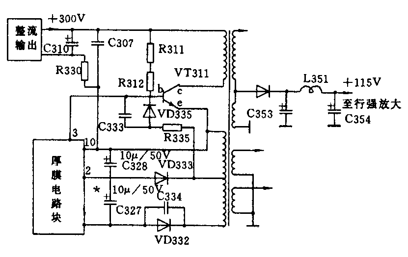
分析与检修:拆机壳加电检查,对照工作原理图(见附图),用万用表测量电源至行输出电路的C354电容器正端至地之间输出的高压,一开始测出只有+75V(表笔原处不动),待1分钟左右时间测出高压达+115V(此时机器也正常工作了),但不到一会儿表针开始摆动起来了(而且表针的摆动幅度也较大),机器的故障现象和上述类似。为了进一步检查,在C354与地之间接一60W白炽灯作假负载,并切断行输出电路。开机加电,发现灯泡微亮,与此同时用万用表测量+115V点至地之间电压仍然是+75V,低于正常值,而且表针与上述一样摆动(与未接假负载时测的现象一样)。灯泡亮度也一闪一闪的。可以断定,故障部位出现在开关稳压电源部分,对行扫描电路部分可以不用考虑。从灯泡的亮度变化和表针测出的数据变化来看,说明开关稳压电源振荡电路振荡很弱,不易起振。影响起振的因素可能有:(1)整流电路整流电压输出过低,(2)振荡回授电路中特殊滤波元件(主要指电容)有可能损坏、变劣或虚焊接触不良,影响厚膜电路块工作电压不正常,即影响开关管VT311基极回路工作不正常,另外也带来整流管VD332交流通路阻塞,不能使其正常工作,(3)储能变压器局部短路或接触不良,(4)管子参数变差,(5)开关稳压电路中阻值变劣,(6)厚膜电路块可能被损坏。根据上述六种情况,再按照先简后繁的原则,先用万用表测量整流部分电容器C310两端的输出电压,测出为+300V,正常,再测量开关管VT311集电极至发射极直流电压,为+300V,正常,说明整流输出的直流高压正常。再用几只不同型号规格的电容器用试探法压缩其故障部位。开机加电,用一只10μF/50V电容器直接试并在回授电路的特殊滤波电容C328两端(注意电容器的正负极性,且要安全,手不要触电),边看灯泡亮度有无变化,如灯泡亮度变很亮,则说明机器上的电容变劣了,要更换,如灯泡亮度较暗,说明原机上电容是良好的,不用更换。经过试并,灯的亮度无什么变化,且亮度较暗,说明C328是好的。再用手上同样的10μF/50V电容器试并在机器上C327电容两端,发现灯泡变成很亮,然后除掉试并电容,灯泡又恢复微亮,说明故障点就在此处。关机停电,除掉假负荷,恢复机器的正常负载,更换一只与机器上同型号规格的10μF/50V电容器。加电开机,机器工作良好,故障被排除,结果是振荡回授电路中特殊滤波电容C327容量衰减造成。(李香林)
