美国的凯尔曼经过多年研究,模拟人耳的听音规律,创造出SRS-3D放音系统,并开发出世界第一种三维音效处理器芯片SRS5250S。从放音效果看,SRS-3D比不上杜比定向逻辑系统,与AC-3有更大的差距,但它也有其独特的优点:
1.可以用两只音箱营造出三维立体声效果。创造出普通双声道立体声所没有的临场感、包围感和震撼感。
2.最佳听音位置,即所谓的“皇帝位”不再局限于一个狭小的空间,只要处于两只音箱交叉辐射区内,都会有理想的听音效果。
3. 能和Hi-Fi放大器兼容,只要在Hi-Fi放大器中加装一块SRS功能板,就可以获得三维效果,而要作Hi-Fi放音时,只要将SRS电路关断即可。
4.具有成本低,节省空间的特点,尤其适用于居住面积狭小的情况。
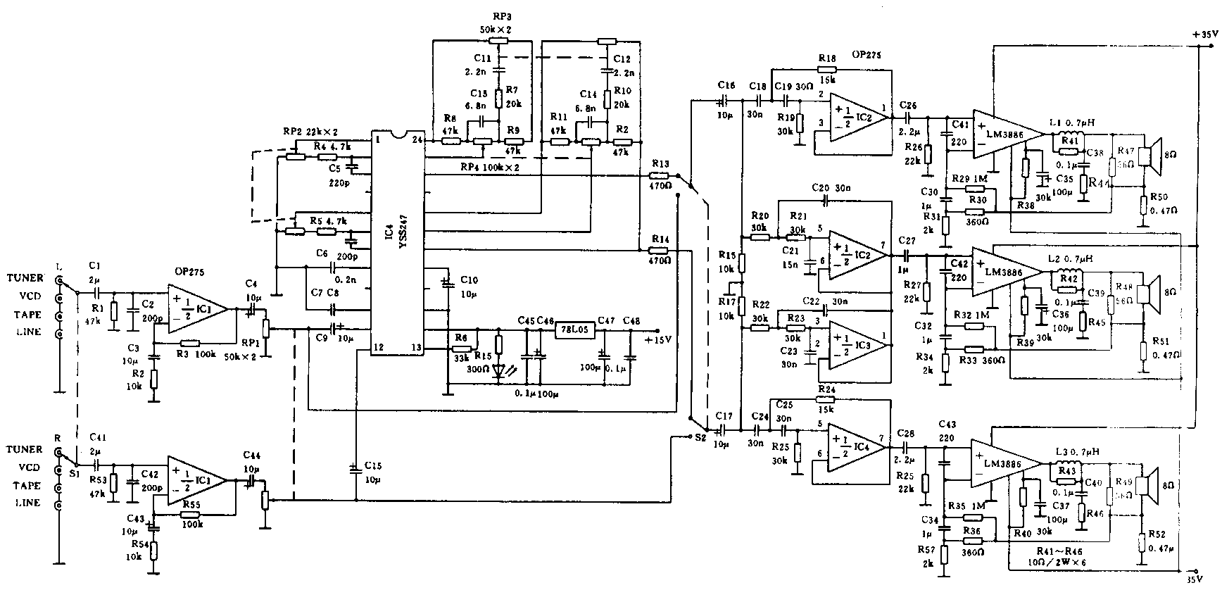
笔者最近制作了一台适合业余音响爱好者制作的,具有公共低音声道的SRS-3D功率放大器,电路如附图所示。本文对该电路作些介绍,喜欢动手的朋友不妨一试。

整机由输入级、SRS和音调级、分频电路、功放级和电源组成。功率放大器共采用3只双运放、一只SRS音效处理和音调集成块、3只功放集成块等有源器件。
输入级由运放\(\frac{1}{2}\)IC1组成L声道,波段开关S1将来自调谐器、VCD、卡座、线路输出等信号经选择后,加到1;2IC1上进行同相放大,其电压增益为10倍。为减小产生瞬态互调失真的可能性,应限制输入信号的带宽,为此在\(\frac{1}{2}\)IC1的输入端加R1、C2滤波网络。另一1;2IC1组成R声道。RP1用来调节音量。
IC4及外围元件组成SRS处理和音调控制级。集成电路IC4采用雅马哈公司的YSS247,在同类芯片中,它的信噪比最高,而且自身带有音调控制功能,采用它就可以大大简化电路的设计。电位器RP2为声场宽度调节,可以获得不同的环绕效果。RP3、RP4则分别用来调节高音和低音,调节范围都在±12dB以上。YSS247的供电电压为3~5.5V,这里用三端集成稳压器78L05稳压后供给。为满足一些人喜欢听原汁原味音乐的需要,可以用开关S2将YSS247断开,输入级直通后面的分频电路。
分频电路由两只双运放与相应的阻容元件组成,四组二阶有源滤波器。\(\frac{1}{2}\)IC2和C18、R18、C19、R19组成R声道高通滤波器,另一个1;2IC2和R20、C20、R21、C21组成R声道低通滤波器;\(\frac{1}{2}\)IC3和R22、C22、R23、C23组成L声道低通滤波器,另一个1;2IC3和C24、R24、C25、R25组成L声道高通滤波器。R声道和L声道的低通滤波器并联,组成公共低音声道(M声道)。输入级和分频器所用的双运放均为美国AD公司1995年推出的OP275,不仅静态特性好,瞬态指标也十分优良,其转换速率达22V/μs,远高于曾被誉为“运放之皇”的NE5532,特别是它的音质柔和醇厚,具有高μ电子管的韵味,用在这里为整机性能增色不少。
LM3886构成R、L、M三个声道的功放级。LM3886是美国NS公司“序曲”系列单片式功放集成电路中的最高档次的产品,问世以来,好评如潮。它的输出功率大,在±35V供电电压下,在8Ω负载上能获得50W的不失真功率。其它各项参数也是TDA2030、TDA1514等功放块望尘莫及的。加之内部具有过压、过流、欠压、短路、超温等较完善的保护功能,可靠性是很高的。与书刊上给出的典型电路略有不同,本机功放采用了电流驱动方式,把扬声器也包括在负反馈回路中,对克服扬声器的反电势和非线性失真是十分有利的。功放电路的另一特点是采用了无源零点校正电路。以L声道为例,负反馈电压不是从功放块的输出端而是从与扬声器串联的电阻R50上取出的,这是一种电流负反馈方式。负反馈电压经R29、R30分两路加到LM3886的反相输入端,功放级的闭环电压增益约为261B。R29为零点校正电阻,由于R29阻值很大,C30就可以取较小的数值,低频响应仍然很好。C30取值小了,可以不采用特性不佳的电解电容器,而采用品质优良的CBB电容器,同时也减小了开关机时的冲击声,改善电路的瞬态特性。与有源零点校正电路相比,节省了一只运放及相应的元件,电路也相对简化一些。
电源采用一只250W变压器。次级分为两个绕组,28V×2绕组经整流滤波,输出±35V直流电压供给LM3886。另一组17V×2经整流滤波后,再由三端集成稳压器7815和7915稳压输出±15V稳定在流电压,供给运放OP275和YSS247电路。
为达到高保真放音要求,所有元器件均应择优选取。R44~R46、R50~R52为2W线绕电阻器,R47~R49为10W水泥电阻器,其它电阻可采用\(\frac{1}{4}\)W金属膜五环电阻器。电感线圈是用φ1.2mm漆包线在φ8钻头柄上绕15匝脱胎而成。电解电容应选优质名牌产品,其它电容器以用CBB电容器为佳。LM3886输出功率大,温度较高,在使用时必须加有足够大面积的散热器。LM3886有绝缘型和非绝缘型两种,如采用的是非绝缘型的,应在功放块与散热器之间加云母片。
本机电路简单,制作容易。试听结果满意,它音域宽广,高中低音均有不俗表现,解析力很高,音质纯美清晰、柔和醇厚,一扫低档机拖泥带水、混浊不清的弊病。 (刘喜甫 刘守安)