一、活动内容简介
声控延时灯主要用作楼梯和楼道中的照明,当楼道中有人走动的声音,照明灯会自动开启,过几十秒钟后又自动熄灭。本活动所介绍的是声控延时灯的示意性电路,通过制作从中了解声控电路的工作原理。
二、活动目的
1.了解压电陶瓷片的性能。
2.了解单稳态电路的特点。
3.掌握声控延时灯的调节方法。
4.设想声控电路的其它应用。
5.学习使用电烙铁焊接电子元件。
三、活动准备
1.实验套件:印制电路板一只;红色发光二极管一只;压电陶瓷片一只;680Ω(色环为蓝、灰、棕)、2.7kΩ(色环为红、紫、红)、13kΩ(色环为棕、橙、橙)、100kΩ(色环为棕、黑、黄)、1MΩ(色环为棕、黑、绿)电阻器各一只,30kΩ(色环为橙、黑、橙)电阻器三只;0.01μF电容器一只,100μF、22OμF电解电容器一只;1N4148二极管一只;NPN型三极管(9014)三只;多股导线两根。
2.工具仪表:万用电表、尖嘴钳、斜口钳、20W内热式电烙铁及烙铁支架。
3.焊锡及松香。
4.四节5号电池组。
四、活动过程
1.做好焊接前的准备工作
(1)用电烙铁将所用元器件的引线镀上锡,如果元器件的引线有氧化层,在镀锡前要用小刀刮去,然后醮着松香进行镀锡。
(2)如果有条件准备一些废旧电路板和元件,进行焊接的练习。焊接技术是电子制作中一项重要技能,只有通过不断地实践才能熟练掌握。
(3)熟悉一下压电陶瓷片,图1是它的电路符号和实物图。

2.按图组装声控延时灯
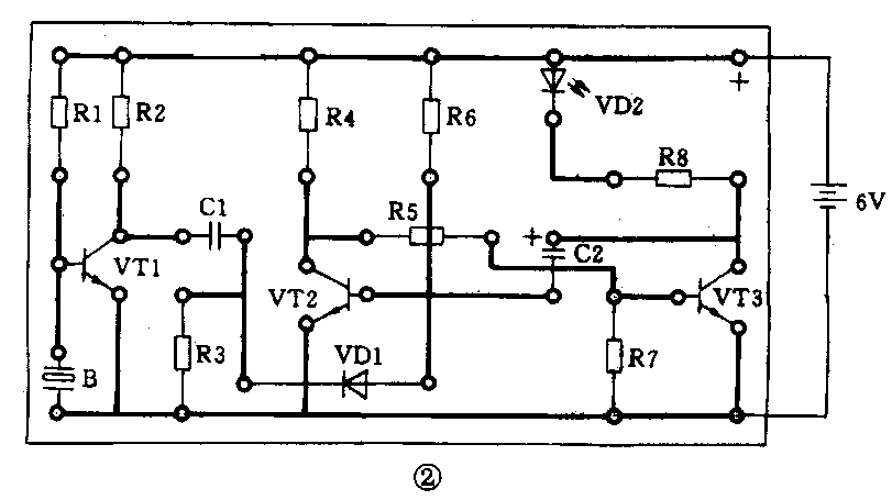
(1)根据图2所示的电路板安装图,参照图3所示的实物图。将八只电阻器、两只电容器、三只三极管、二极管及发光二极管按顺序依次安装在电路板上进行焊接。注意电解电容器、二极管、三极管的管脚极性。


(2)每装一个元器件,剪去过长的引线后,就可进行焊接。注意用锡要适当,不要太多。如果不好焊,可用电烙铁醮一点松香再焊。
(3)将每根多股导线两端的绝缘皮剥去3mm左右,并将多股导线的两端镀上锡,然后焊在压电陶瓷片上,焊接时间不要太长,以免损坏镀银层。再将焊好导线的压电陶瓷片焊在电路板上。
(4)将电池夹的两根电源线焊在电路板上,注意正负极。
(5)检查一下电路是否连接正确,没有问题后,装上四节电池进行试验。
(6)对着压电陶瓷片拍手,看看发光二极管是否能亮,然后能否自动熄灭。
(7)再次对着压电陶瓷片拍手,用表计一下时间,看看发光二极管一次能亮几秒钟。
(8)不断拉开距离进行试验,看看灵敏度如何。
3.指导学生调节声控电路的延时时间。可将100μF电解电容器换为220μF电解电容器。
4.启发学生思考声控电路的其它应用。
5.指导学生评价,作活动小结。
(1)检查学生通过活动是否了解压电陶瓷片的特性。
(2)是否能照图安装和焊接声控灯电路。
(3)是否能理解声控灯电路的工作原理。
五、活动指导
1.声控灯电路的工作原理
图4是声控灯电路的电原理图。电路主要部分是一个单稳态电路。为了增加声音的触发灵敏度,又由三极管VT1、电阻器R1、R2等组成了一个音频放大电路,将压电陶瓷片收到的音频信号进行放大。

图4中的三极管VT2、VT3及其电阻、电容组成了单稳态电路。电阻器R6为三极管VT2提供了基极电流;而三极管VT3的基极电流则是由电阻器R5从三极管VT2的集电极上得到的。电阻器R5也是三极管VT2集电极与三极管VT3基极之间的耦合电阻,而三极管VT3集电极与三极管VT2基极之间的耦合则是由电容器C2完成的。电阻器R4是三极管VT2的集电极负载,三极管VT3的集电极负载是电阻器R8和发光二极管。
单稳态电路的特点是它只有一个稳定状态。电路在没有信号输入时,选择合理的R4、R6使三极管VT2稳定在饱和状态,此时它的集电极电压为0.3V以下。而由于R5、R7的存在使三极管VT3稳定在截止状态。这就是单稳态电路的稳定状态。
当电容器C1输入一个负脉冲时,通过二极管VD(它使正脉冲不能通过)使三极管VT2的基极电压下降,集电极电流减小,集电极电压升高;经过电阻R5的耦合,使三极管VT3的基极电压升高,三极管VT3开始导通,它的集电极电压下降;经电容C2的耦合又使三极管VT2的基极电压进一步下降,形成一个正反馈,很快达到一个新的状态。此时VT2截止,VT3饱和导通。这就是单稳态电路的暂稳状态。
单稳态电路的暂稳态是不能持久的。在暂稳态期间,电容器C2不断放电,使三极管VT2的基极电压逐渐升高,当它达到0.5V以上时,三极管VT2开始导通,正反馈现象再次发生,整个电路很快又回到VT2饱和导通,VT3截止的稳定状态。电容C2通过电阻R6的放电过程决定了电路暂稳态的维持时间。根据计算,这个时间t=0.7×R6×C2。在本电路中电阻R6为100kΩ,电容C2为100μF,所以t=0.7×100×10\(^{3}\)×100×10-6=7s。根据这个公式,改变电阻R6或电容C2的参数,可以延长或缩短电路的延迟时间。
2.焊接技术
焊接技术是电子制作中一项重要技能,要掌握这项技能只有通过实践,不断摸索才能掌握它。
在往电路板上焊接元器件时要注意焊锡的用量问题,用锡不能过多。有时因为元件引线或电路板不干净,使焊接困难,有人就用较多的焊锡往上堆,结果表面看去好像焊上了,实际是虚焊和假焊。
电烙铁在焊接元件时不要时间太长,以免烫坏元件或电路板。对于不好焊的地方可以使用一些松香助焊剂。
六、注意事项
在使用电烙铁焊接中要注意用电安全,避免被电烙铁烫伤。
七、有关知识
1.压电陶瓷片
压电陶瓷片又叫锆钛酸铅压电陶瓷片,是一种新颖的电声换能元件。它是在圆形铜金属片上覆盖了一层具有压电效应的陶瓷材料,再在压电陶瓷表面涂上一层银制成的,金属片和涂银层就是它的两个电极。压电陶瓷片是利用压电效应来工作的。什么是压电效应呢?当压电材料受到机械震动发生变形时,压电材料的两极会产生一个电压,所以它可以把机械能转变为电能,因此在一些要求不高的场合下也可以用它来作话筒。反过来,如果在压电陶瓷片两电极间加一音频电压信号,压电陶瓷片也会产生相应的机械震动,推动空气发出声音。因此它又可以作扬声器使用。在音乐贺年卡中就是用它来发声的。
由于压电陶瓷片有两个较大的电极,工作时就像一只电容器,所以它的阻抗是电容性的。
2.电烙铁的处理
在初次使用电烙铁时,需要给烙铁头镀上一层锡。做法是:先用砂纸或小刀将烙铁头部5mm长的范围内处理干净,再给电烙铁通电加热。当烙铁头逐步升温时,就开始在烙铁头部烫上松香;当烙铁头刚刚能够化锡时,立刻把烙铁头部5mm的范围内全部镀上一层锡。如果镀不上锡,可以把少量的松香和焊锡放在砂纸上,用已经加热了的烙铁头在砂纸上蘸着松香和焊锡磨擦,使烙铁头镀锡。这样处理后的电烙铁,可以保护烙铁头不易被氧化,增强它的导热性,延长它的使用寿命。电烙铁使用日久,烙铁头总要氧化或者磨损,那时可以把烙铁头拔下,磕去松散的氧化物,用锉刀修整烙铁头,重新镀上焊锡。要经常使烙铁头表面保持清洁及经常上锡。有时电烙铁不好使,就是因为没有把烙铁头处理好。
3.助焊剂和焊锡
助焊剂可以清除导线表面的氧化层,改善焊接性能,是焊接时必备的辅助材料。最常用、最经济的助焊剂就是松香。松香没有腐蚀性,可以直接使用,也可以把松香溶解在酒精中做成液体助焊剂。使用时将松香酒精溶液涂在焊接面上。在电子制作中最好不要使用焊油,因为它有腐蚀性,绝缘性也不好。在电子制作中使用的焊料是锡铅焊料,通常称为焊锡。焊料的好坏直接影响焊接的质量。千万不可使用劣质焊锡,这样做会带来许多麻烦。 (周海)