热释电红外传感器是大家较熟悉的,它主要用于检测运动的人体,所以也称为运动传感器(Motion Sensor)。本文介绍日本松下电工公司最近推出的超小型热释电集成红外传感器AMN1,由于它具有独特的优越特性,不仅使用方便、简化电路设计,并可扩大应用范围,是一种换代的新产品。
该传感器的主要特点是:1.它是世界上最小的集成红外传感器(根据1998年3月的资料)。其体积仅为一般同类传感器的1/10,其透镜面积仅为1/5,适合安装在极小的装置中;2.它内部除有高灵敏度四元件热释红外敏感元件外,另有集成在一芯片上的稳压电源、信号放大器、比较器及输出电路,从而使外电路简化,使用十分方便,它输出的开关信号可直接与单片机接口;3.整个集成传感器由T0-5金属外壳封装,它具有经受强干扰的能力;静态工作电流小,典型值为170μA。
该传感器主要应用于节省能源、使生活方便化及舒适化(种种自动装置)及安全装置(防入侵装置)等。在节能方面的应用如图1所示,它可以安装在电视机、换气扇、空调、室内灯具上,当人离开这些电器一定时间时,它能控制电路自动切断电源达到节电目的。该传感器也可安装在一些自动化装置上,达到有人时开机、无人时关机的效果。例如,可安装在自动照相机、银行自动取款机(ATM)上和自动售货机上等。

利用该传感器做防盗报警装置,由于它尺寸小,不易被盗贼发觉。
结构与安装
该传感器的结构如图2所示。它的外形尺寸及管脚排列见图3,图4是其安装图。安装孔尺寸为φ9.8~10mm。透镜有黑白两种颜色供用户选择。



主要参数
该传感器主要检测性能是,能检测出与背景温度高出3±1℃的温差;大体移动速度为0.3~2.0m/s;检测最大距离为5m;检测水平角为100°,垂直角为82°;在距2.5m处的检测面积为7.42m×5.66m,如图5所示。

该传感器的电特性是:工作电压范围为3~6V(一般常用5V);静态电流典型值为170μA,最大值为300μA;输出高电平电压与工作电压相同,输出最大电流为100μA;电路稳定时间典型值为7s,最大值为30s。
该传感器工作温度范围为-20℃~+60℃。
典型应用电路
1.与单片机的接口电路
该传感器可直接与单片机接口,电路如图6所示(右边为传感器检测状态与输出电压图)。
2.接继电器控制电路
该传感器输出电压较小,故不能直接驱动继电器,需增加一级放大电路,如图7所示。由于继电器触头频繁通断易产生故障及火花干扰,也可采用光控晶闸管代替,如图8所示。
3.一种带定时器的控制电路
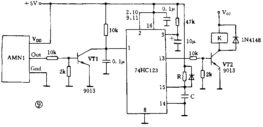
一种带定时器的控制电路如图9所示。定时时间取决于RC的乘积。此电路当检测到人体时,VT2导通,继电器吸合。

使用注意事项
由于该传感器检测的是红外线的变化量,因此在安装使用时要避免太阳光、汽车头灯及其它白炽灯光源的直接照射,也要避免室内温度的突然变化(如空调或加热器),它们将影响传感器的正常工作,有时小动物(狗、猫)进入检测范围也会产生误动作。
该传感器的透镜由聚乙烯塑料制成,要防止透镜上积聚尘土或污物,以免影响传感器的灵敏度。传感器工作电压低,不能施加大于±200V的静电电压,否则会损坏传感器(在焊接时也要注意这一点)。焊接温度不要超过350℃,时间不要大于3s。若传感器需连接较长的连接线,必须采用屏蔽线,以防止外界的干扰。有需要本文介绍的传感器者,可参见广告页1998-12-2。 (方佩敏)