YAN-3型自动语音播放器,广泛应用于各种领域。例如城市交通管理中的红绿灯提示语音播放装置、交通法规广播车、大型游乐场和公园景点的语音讲解,大型展览会、博物馆的广告宣传等等。该装置不仅可以播放语言,还可以播放音乐、军号和一些特殊的模拟声(如大自然声响、海涛声、瀑布声、雷声、雨声、小河流水声及各种鸟叫声等等。在防火防盗及各种报警装置中更有其用武之地。
YAN-3自动语音播放器采用了美国ISD公司开发的高品质单片永久记忆型语音录放电路,语言清晰,保真度高,噪声小,具有卓越的语音效果。该产品还具有循环放音功能,录放时间8~120s,可随意更换语音电路(即ISD1108、1110、1420、25120),而不需更改任何元件,采用简单可靠的电源启动方式。
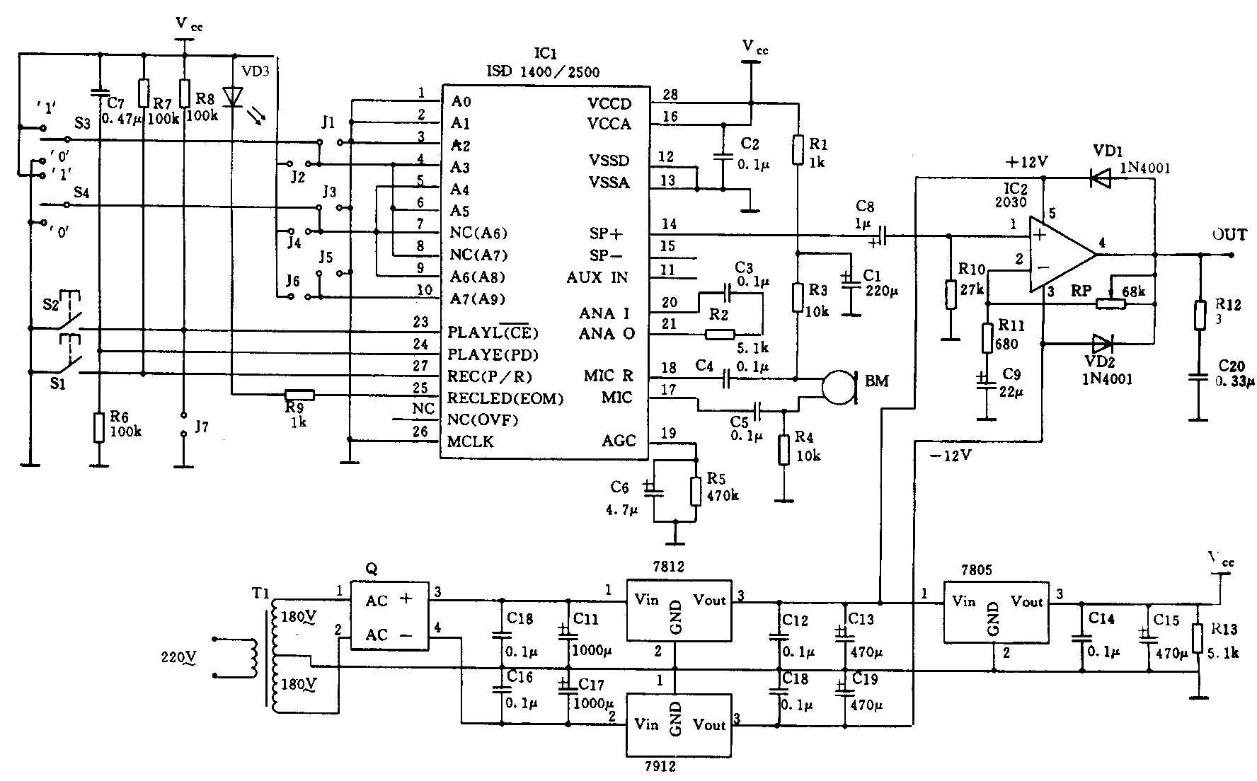
YAN-3型自动语音播放器由电源、功放、语音录放电路等部分组成,如附图所示。

该装置来用220V交流供电。220V交流电经电源变压器、全桥整流、稳压后分三组供电,即±12V~±18V为功放供电,该电压越大,输出功率也越大,但需注意功放使用电压的极限值。如要求播放器静态噪声小,可采用稳压供电,此时在没有语音输出时,噪音较小,并可获得较好的语音效果。一旦22OV电源接通,语音播放器自动进入工作状态,播音完毕后自动停止工作。
IC2为功率放大电路,采用TDA2030A,可输出5W~18W功率,该器件有输出电流大、交叉失真小的特点,内部还有完善的保护电路,可与国产8FG2030互换,电路中的RP为音量调节电位器,IC1是语音电路的核心器件,可采用20s录放时间的ISD1420,也可采用120s的ISD25120以及ISD1108(8s)和ISD1110(10s)。自动语音播放器在单次录放条件下可分四段,为了电路简单,1400系列每段为总录放时间的25%,2500系列前三段每段为总录放时间的28%,最后一段为16%。在使用1400系列录音时,不用J7和S2。使用2500系列录音时,要同时用S2和S1,如需要加电自动触发可在J7上接一个4.7μ电容,以保证触发可靠。如下页表所示,需单段循环放音时,J2、J4、J6短路。J5开路,但不要装用S3、S4开关,此时不能分段录放。在需单次不循环放音时,短路J5,选择S3、S4状态时选择分段起始地址,可以分四段使用,即第一段S3、S4开关短路,第二段只S4开关短路,第三段只S3开关短路,第四段S3、S4开关均开路。在录放操作前先要设定地址,每个地址段的长度均为总长的1/4左右,A3~A9不能悬空。必须强调的是设定的地址只是该段的起始地址,按住录音键的持续时间才惟一决定该段的实际长度,即可延续到下一段合并使用。
分段地址表

非循环工作时J5短路
在使用固定段时,可使用J1、J3代替S3、S4。
使用1400系列单次录音时,按下S1后VD3亮,即开始用板上BM录音,录音从存储器的起始处开始,松开S1时VD3灭,录音结束。如录音时间超过器件的存储时间,则VD3会自动熄灭,录音也自动停止。循环录音时,在按下S1后VD3亮,即转为录音状态,并从当前位置录起(不是从头录),录到存储器末端时VD3不灭,录音不停,而是返回存储器起始处继续录,如此不断循环,直到S1断开。如要从头录音,可以按下S1接通电源开始录音。在放音时则不管单次还是循环放音,都是接通电源即自动进行放音,每次放到信息的尾部时,VD3会闪亮一下,如是刚录完音,须断电后再接通才能放音。
使用2500系列单次录音时,在器件不工作的状态下,先按下S1再按下S2即可用板上BM录音,录音从存储器的起始处开始,放开S2、S1时结束录音,如录音时间超过器件的存储时间,存储器溢出,录音自动停止。2500系列单次录放音时最好不要使器件溢出,如果发生溢出(录或放),器件不能继续工作,必须断电后再重新上电,才能解除溢出状态。
循环录音时,如果是当前正处在循环放音状态,必须按一下S2(随即松开)使放音停止,同时VD3亮表示器件不工作。在器件处于不工作的状态下,是按着S1再按一下S2(随即松开)VD3灭表示器件工作,同时从当前位置开始录音,录到存储器末端时再返回存储器起始处录音,如此循环下去,直到再按一下S2,VD3亮,同时录音停止。
如果要从头录音,可以按着S1、S2接通电源开始录音或在单次方式下录音。
放音时如J7处焊有电容,则接通电源即自动进行放音,否则要按一下S2(随即松开)来启动放音。单次放音到信息的尾部时,VD3会闪亮一下,循环放音时VD3不亮,停止放音时亮,循环放音过程中,按一下S2可以暂停放音(VD3亮),然后再按一下S2则又接着继续放音。
注意应慎重使用循环录音的功能,因为器件的可录次数不是无限的,不断的循环录音会迅速减少器件的录音寿命,推荐尽可能使用单次录音。
为了取得较好的录音效果,话筒应选用灵敏度高、噪音小的驻极话筒或体积稍大、性能好的话筒。如使用时感到录放声音发闷不够洪亮,可以适当调整R2、C3及C4、C5元件数值,以改善语音通频带的下限频率。
自动语音播放器常用输出功率为5W,此时可采用5~10W/8Ω的6.5英寸扬声器。如需增大功率,可以提高功放TDA2030A的电源电压及减小扬声器阻抗(为4Ω)来实现。但应注意电源滤波电容耐压值和电容量,否则易造成电容电压过载损坏及交流声变大。如在露天使用,可采用号筒式扬声器或采用防水音箱、防水扬声器。有需要YAN-3型自动语音播放器者,请参阅本刊1998年第7期插页广告。 (严一岩)