例一:机型SN-736
故障表现:手机能正常向外打电话,但来话时无振铃
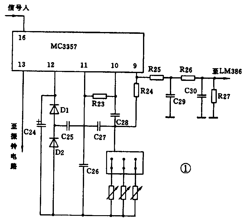
分析检修:该机的振铃电路工作过程是(图1):台机发出的高频振铃信号经接收通道处理后再由MC3357解调,解调后的呼叫导频信号从9脚输出,经10、11脚内的选频放大器放大,再由D1、D2整流后触发12脚由低电平变成高电平,于是13脚输出一低电平,启动以CD4001为核心的振铃电路工作。人为使MC3357的13脚为低电平,结果振铃正常,说明振铃电路正常。检查MC3357银铃解调电路,MC3357与振铃解调有关的引脚是9、10、11、12、13脚。按住台机“CALL”键,调节选频网络中的可变电阻,结果无效。查周围元件正常。测得10、11脚电压为0V,而正常时两脚的静态电压值应分别为0.5V、2.1V。换MC3357并调整选频网络中的可变电阻,故障排除。

MC3357的10、11脚内有一运算放大器,与外围元件构成有源滤波器,对呼叫导频信号进行选频放大。此例故障系MC3357内的运算放大器损坏。应急修理时可直接在MC3357的10、11脚间接一个1μF电容即可。
例二:机型TELSTAR TS-800
故障表现:同上例。
分析检修:能正常向外打电话,说明手机的接收电路正常。来话时无振铃系振铃解调电路或振铃电路故障。由于无图纸资料,所以只能根据经验分析、判断。打开手机后发现电路中有一音乐片,确定是用来产生振铃信号的。测音乐片供电端无电压,用万用表电流挡给音乐片提供电压(两表棒分别接在电源正极和音乐片供电端),结果能发出正常的振铃声。绘出音乐片的供电电路如图2。该机振铃电路工作过程为:台机来的高频振铃脉冲经接收通道处理后送至KA3361,解调后的呼叫导频信号从9脚输出,经选频网络Z1后送到10脚,再经10、11脚内的选频放大器放大后从11脚输出,再由检波电路检波后触发12脚、13脚,于是13脚便输出一低电平使三极管VT导通,启动振铃音乐片工作。KA3361与振铃解调有关的引脚是9、10、11、12脚,其中接在9、10脚间的外围电路是一选频网络,网络中有一个可变电阻。按住台机的“CALL”键,调节可变电阻,结果无振铃故障排除。用蜡固定可变电阻,以防震动后变值引起无振铃故障。

例三:机型白云山HW886P/TD
故障表现:来话时手机不振铃。
分析检修:按住主机“CALL”键,手机能发出振铃声,说明故障部位在主机。该机主机与振铃有关的电路如图3,来话时铃流通过R231、C226、V111、V112送到光电耦合器PC817,使PC817内的光电管导通,由R230与PC817内光电管组成的分压电路输出低电平送至振铃电路CPB001N的8脚,启动振铃电路工作,发出振铃信号,通过手机接收、解调使之发出振铃。检修时先人为在CPB001N的8脚处引入一低电平(对地短接)。结果手机振铃正常,疑PC817已坏,拆下后测得其内部发光二极管正反向阻值均为40kΩ,说明PC817已坏,换之,手机振铃正常。 (张加毅)
