在制作演示器之前,让我们一起来回忆一下初中物理中对电流的描述。书上说“电流的方向与正电荷的运动方向一致”,正电荷——这个微观世界的成员究竟怎样运动,让人摸不着头脑。为方便初学者掌握这部分内容,本文介绍的演示器可以把电流的流向形象地展现出来。
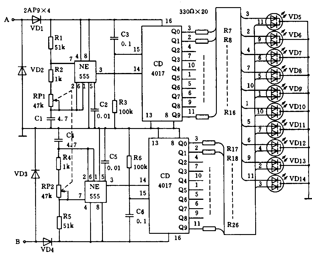
电路如附图所示,其核心是由NE555和CD4017组成顺序发光电路,推动变色发光二极管逐个发光,达到一种流动效果。A、B是电压输入端,VD1~VD4组成直流电源接口电路,当A接电源正极、B接电源负极时,上半部分电路工作,反之下半部分电路工作。NE555及外围电路为CD4017提供了触发脉冲,使CD4O17的Q0至Q9能顺次循环输出高电平。NE555、R1、R2、C1组成低频振荡器,RP1用来调节振荡频率,以改变变色发光二极管循环发光的周期。CD4017、R3、C3组成脉冲计数器。其中R3、C3为微分电路,它迫使 CD4017在每次接通电源的瞬间都自动清零,也就是说每次都从Q0开始输出高电平。下半部分电路工作时,变色发光二极管会改变颜色,并以和先前相反的方向“流动”,即无论电源正负极与A、B怎样连接,变色发光二极管的“流动”方向总与电流的实际方向一致,达到演示的目的。

元件选择:R7~R26为330Ω的限流电阻,用来控制变色发光二极管的亮度。VD5~VD14为共阴极变色发光二极管,RP1、RP2为双连电位器,用来调整“电流的速度”,以期达到一种良好的视觉效果。电源电压为6V,建议演示时用6V层叠电池,其它元件无特殊要求。
原理图中所标参数均为笔者试验后的取值,只要焊接无误,即装即成。(李连田)