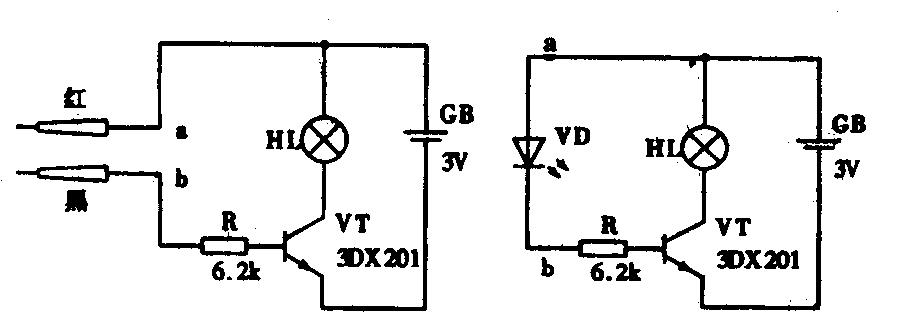
爱好电子的初学者,首先要学会识别电子元器件的性能好坏,并掌握简单的检测方法。本文介绍一种用小灯泡、三极管(3DX201)和电阻组成的简易多用检测仪,其电路如图1所示。

一、检测半导体二极管
以发光二极管VD为例。将它接在图1所示检测仪a和b两个表笔之间,电路如图2所示。如果小灯泡亮,再把VD两脚调换检测,如小灯泡不亮,这时就能肯定发光二极管是好的,并且a端为正极,b端为负极,这也说明了发光二极管具有单向导电的特性。如果正反向检测发光二极管时,小灯泡都亮或者都不亮,表示发光二极管短路或断路。

这个检测还可用来说明三极管的放大作用。图2中,发光二极管正极接在a端,负极接在b端,用物体遮去发光二极管上的自然光线,会看到发光二极管有微弱的光,说明通过它有微弱的电流注入三极管的基极,经过三极管放大后的集电极电流,流过小灯泡HL使其发光。
二、检测电容器
用图1中a、b表笔接在电容器的两端如图3所示。若小灯泡HL开始很亮,后来慢慢地暗下来,最后不亮。检测结果表明电容器是好的。电容器容量越大,灯泡亮的时间越长。如果检测结果是小灯泡不亮或者亮了以后不再灭,说明电容器断路或短路。
如果把图3中的电容器取下,不要将电容器两端短路,立即反接在电路中,会发现灯泡亮的时间是前次时间的两倍。注意不要用手同时碰触电容器的两根引线。
上述检测说明,当电容器刚接电路时,有微弱的电流流入电容器,电容器进入充电过程,电容器a端带正电荷,b端带负电荷,把电流转换为电场能储存在电容器内。在充电过程中,有电流注入基极,经三极管放大,集电极电流经灯泡HL使其发亮。当电容器两极间充满电荷时,即停止充电,此时无基极电流,灯泡也就不亮了。
电容器充电后再接入电路中,灯泡亮的时间是没充电时灯泡亮的时间的2倍,这是因为电容器放电时有电流注入基极,放完后又充电,又有电流注入基极。所以此实验能很好地帮助初学者了解电容器的充放电过程。
三、简易导通测试
用图1中的红黑表笔去接被测具有绝缘皮导线的线芯两端,灯泡亮说明线芯没断,否则线芯断了。比电路也可检测灯泡、日光灯丝或其它用电器是否断线(丝)。
四、检测普通三极管
把图1中的三极管拿掉,换一个被测的三极管,要求是硅三极管,如果是锗三极管,必须把电流正负极调换。将a和b表笔短路,如果灯泡亮,说明是好的三极管,否则为坏管。(倪金符)