电子显示屏广泛应用于工业、交通、金融和广告等领域。在LED大屏幕显示系统中,驱动电路占有很重要的地位,每个显示屏需要几千块乃至几万块驱动电路。
我们研制成功的把低压信息处理和大电流驱动集成于一体的LED显示驱动专用集成电路AMT9094、AMT9095, 具有驱动电流大、抗干扰能力强、速度快、可靠性高等显著特点,目前已得到广泛的应用《无线电》1997年第10期曾介绍过AMT9094)。
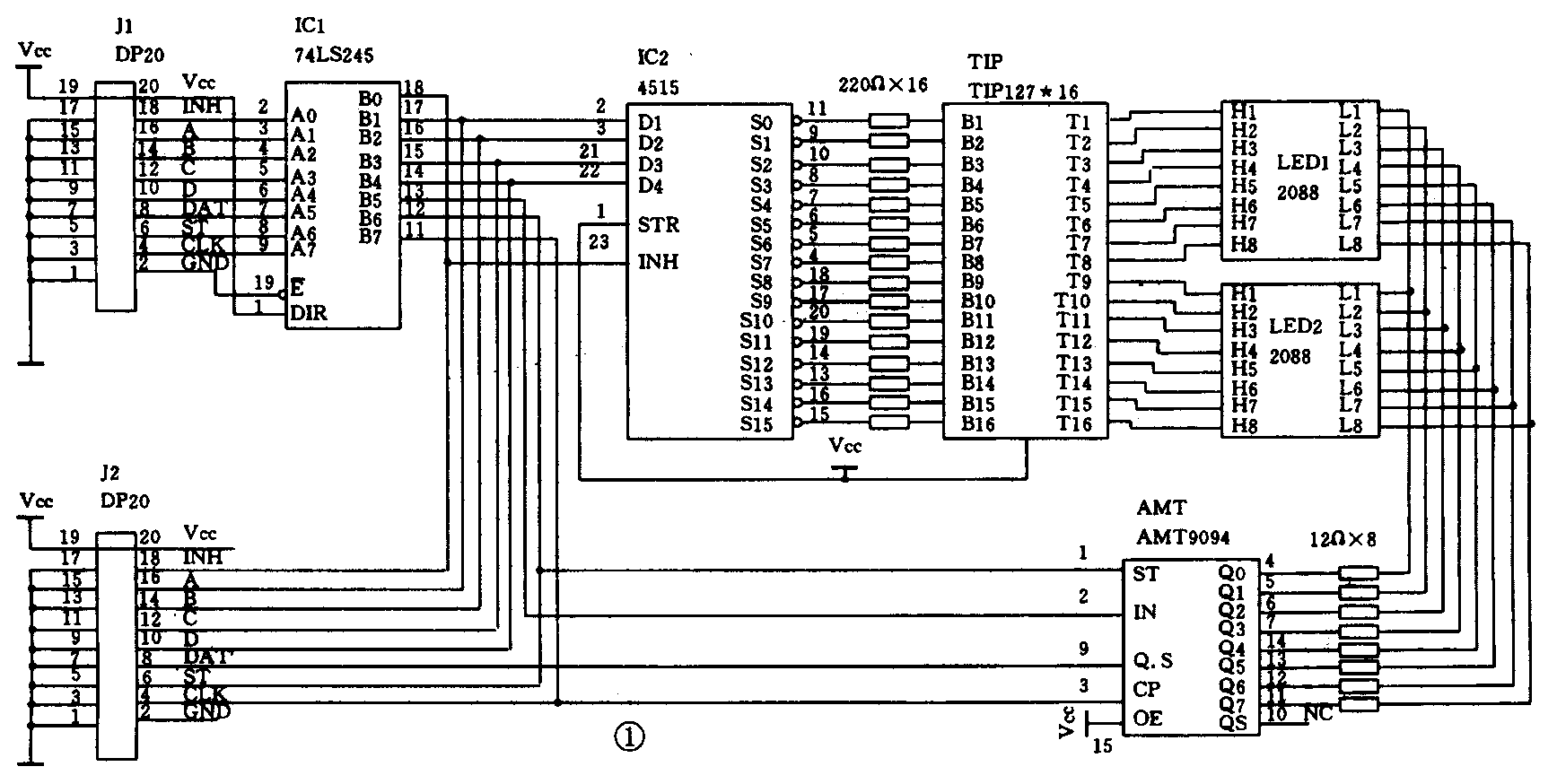
图1为AMT9094电路应用于电子显示屏的一个单色LED阵列单元模块的线路,图中的发光二极管LED阵列为单色共阳极的2088Bx模块(见图2),J1、J2为输入、输出线的双列接插件。数据信号由J1引入,经缓冲器驱动,送给行、列驱动电路,同时经J2送至下一级。行驱动电路由译码器CD4515及TIP127行管16只组成,行管(PNP管)发射极接于电源,为发光二极管阵列提供电流,行数据信号经过译码,形成扫描脉冲驱动行管,依次选中模块中的某一行。而列驱动电路由集移位、寄存、驱动于一体的AMT9094承担,直接驱动模块中的某一列。列数据信号由AMT9094中的移位寄存器输入端输入(列数据信号为高电平有效),选中的列驱动功率管导通,使发光二极管的阴极处于低电平,而选中的行管导通,使发光二极管的阳极处于高电平,这样由行和列所选中对应的发光二极管均导通发亮。在这里AMT9094是作为列驱动电路。同样它也可作为行驱动电路使用。


整个单元简单、方便,AMT9094每路驱动电流可在20~150mA内调节,以适应各种亮度的要求。其驱动电流大小由限流电阻R决定,通常R值可在5.1~50Ω范围内选择。AMT9094可以驱动两块发光二极管阵列模块。
AMT9095为20脚双列直插式塑封电路,其移位、锁存和驱动等功能及其应用完全同AMT9094一样,管脚排列与TPIC6B595相同,TPIC6B595是国外研制的显示屏大电流驱动电路。同时AMT9095还设有复位功能,当复位端R为低电平时,移位寄存器被复位清零,而8位锁存器不受其影响。该电路具有上电自动复位清零功能。
AMT9094性能完全可替代CD4094+MC1413/UNL2803两块所组成的电路,这里的CD4094是含有移位、锁存和小电流驱动的信息处理电路,MC1413/UNL2803是大电流的驱动电路。AMT9095可替代TPIC6B595。同时由于AMT9094、AMT9095的驱动电流大、速度高、还特别适合于多灰度彩色显示屏中应用。
由于室外电子显示屏的工作环境恶劣,对电源的要求高,为了防止开关电源的电流过冲而损坏器件和电路,提高抗干扰能力,图1中的C1应选用4700μF/25V的电解电容,C2、C3是小容量的独石电容,可防止高频干扰。
在调整和维修电子显示屏时,要避免带电操作,以免造成短路,损坏电路。(谢世健 朱建明)