一、活动简介
延时电路广泛应用在各种自动控制设备和日常生活中。而在城市的居民楼楼道中,还存在着不少长明灯。这不仅浪费了大量能源,而且也大大缩短了灯泡的使用寿命。如何解决这个问题呢?由延时电路构成的节能开关就能很好地解决这个问题。晚间,上下楼的人们在楼梯中使用这种电路开关时,只需按一下按钮开关,灯就亮了;等人们通过楼梯和楼道后,灯会自动灭掉。本活动所介绍的延时灯电路只是一个示意性电路。
二、活动目的
1.了解电容器的充放电现象。
2.了解电容量与充放电时间的关系。
3.了解延时电路的工作原理。
4.思考延时电路的其它应用。
三、活动准备
1.实验套件:插接电路面包板;红色发光二极管一只;680Ω(色环为蓝、灰、棕)、2.7kΩ(色环为红、紫、红)、5.6kΩ(色环为绿、蓝、红)电阻器各一只,30kΩ(色环为橙、黑、橙)电阻器两只;按钮开关一只;10μF、47μF电解电容器各一只,220μF电解电容器两只;NPN型(9014)、PNP型(9015)三极管各一只;插接用短导线两根。
2.工具仪表:万用电表、尖嘴钳,秒表或手表。
3.四节5号电池组。
四、活动过程
1.通过实验了解电容器的充放电现象。
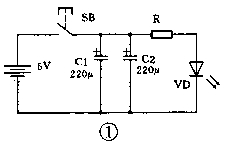
根据图1电容器的放电实验电路,按照图2左边的实物插接图所示,将两只220μF电容器、5.6kΩ电阻器、发光二极管和按钮开关插到电路插接面包板上。


(1)接通6V电源,按下按钮开关后发光二极管亮,在松开开关后开始计时,看发光二极管还能亮几秒钟。
(2)将5.6kΩ电阻器换为2.7kΩ电阻器,再试一次。
(3)去掉一只220μF电容器,重复前边的两个实验。
(4)记录实验结果,并填写在表1中。
表1:电容器、电阻器与放电的时间关系
一只220μF电容器 两只220μF电容器
2.7kΩ电阻器 2s 4s
5.6kΩ电阻器 4s 7s
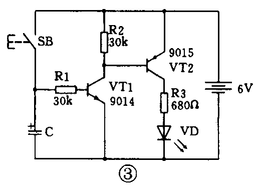
2.制作延时灯电路。
图2右半部分是图3所示的延时灯电路的电路板实物插接图。按照图2所示,准备好电路插接面包板,按图3准备好元器件。

(1)将两根短导线按图插到电路插接面包板上。
(2)把3只电阻器插到电路板上。
(3)把发光二极管插到电路插接面包板上,注意:正极在上方,负极在下方。
(4)把三极管VT1(9014)和VT2(9015)插到电路插接面包板上,注意三极管的管脚极性。
(5)把按钮开关插到电路插接面包板上。
(6)把10μF电解电容器插到电容器C的位置上,注意正极在上、负极在下。
(7)检查一下电路连接是否正确,接通电池正负极(正极在上边,负极在下边)。
(8)按一下按钮开关然后松开,用表计一下时间,看看发光二极管能亮几秒钟。
(9)再分别用47μF和100μF电解电容器代替10μF电解电容器。看这个电路能延时多长时间。将实验结果记录在表2中。
表2:延时电路中电容器与延时的时间关系
电容器的容量 10μF 47μF 100μF
延时时间 10s 48s 105s
3.指导学生分析两组实验结果。
4.启发学生思考延时电路的其它应用。
5.指导学生评价及活动小结。
(1)检查学生通过活动是否会组装和调试延时灯电路。
(2)能根据表1所记录的实验结果,说明电容器的容量与放电时间的关系。
(3)能够说明,为什么改变延时灯电路中电容器的数值可以改变延时时间?
五、活动指导
1.延时灯电路的工作原理。
在按下按钮开关SB时,三极管VT1基极得到一个工作电流而导通,三极管VT2也跟着导通,发光二极管亮。同时电容器C被接在了电源两端立即充满了电,当松开按钮开关后,电容器C中的电量继续向三极管VT1基极提供电流,使三极管VT1和VT2继续导通,发光二极管仍然亮。数秒钟后,电容器放电完毕,三极管VT1基极得不到工作电流,两只三极管都不工作,发光二极管熄灭。
2.延时灯电路中电容器的容量与延时时间有着很好的线性关系,因此利用这个电路,借助秒表可以测量电容器的容量。
六、注意事项
在实验中用同一数值的电容器而电路的延时时间可能不一样。这是因为电解电容器的容量误差一般较大(可以达到+80%和-20%),同时电解电容器的漏电大小对电路也有影响。
七、有关知识
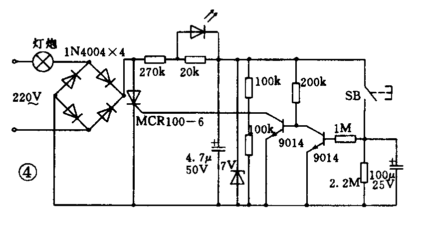
1.一个实用的延时开关。
图4是一个延时开关的实用电路。将它与灯泡(最大为100W)串联在一起,接到220V电源上即可使用。当按下开关SB后灯泡亮,大约两分多钟后灯泡自动熄灭。这个电路主要由两部分组成,四只二极管和单向可控硅是灯泡电流的通道;电路的右半部分是延时控制部分。270kΩ电阻器、4.7μF电容器及稳压二极管为延时电路提供了一个工作电压;1MΩ电阻器和100μF电容器为定时元件,改变它们的数值,可以改变延时时间;三极管用来驱动可控硅工作。发光二极管用来作指示,当这个延时开关接通电源后发光二极管亮,当灯泡亮时由于控制部分的工作电流很小,发光二极管基本不亮。

2.延时电路的应用。
延时电路的应用很广泛。除了用在楼道、楼梯处控制照明外,还可以代替学校中的打铃开关。每按一下按钮,铃响几秒钟后自动关闭,是很方便的。延时电路应用于洗印照片的自动曝光,可以提高工作效率,保证洗印质量。
电容器的充放电在电路中的应用也很多,不仅可以作定时、延时等电路,一些振荡器也是利用电容器的充放电原理制作的,改变充放电的时间而控制振荡器的振荡频率。(周海)