发烧友自制功率放大器是一种乐趣,但是什么样的电路更适合一些呢?厚模功放集成块,要求高的发烧友不愿意采用,用分离元件组装的放大器,装调复杂一些,音响爱好者也缺乏筛选元器件的条件,本文介绍的几款功放电路,采用具有高性能指标的功放集成电路,输出功率大、失真低,且装调十分容易,很适合发烧友自制功率放大器,功率放大器有4路功放,3D功放和双声道功放三种款式。
4路功放
4路功放适合于要求较高的音响发烧友,采用4分频扬声器系统。每声道两路功率放大器:一路功率分频,驱动高音、中音和低音扬声器;另一路超重低音采用电子滤波+低音提升,驱动超重低音扬声器,左右声道一共使用了4路功率放大器。原理框图见图1。4路功放4分频扬声器系统中超重低音扬声器左右声道各用1只,强调了低音存在的一定方向性,使主观听觉更加趋近真实的声场;在音响系统中,最重要和最美的音色要属中音,采用4分频,就有条件将扬声器系统的分频点上移,借以改善中高音的音质,而中音单元可以方便地选用球顶中音扬声器。在音色上,球顶中音和球顶高音也易取得一致。4分频音箱,很容易地使各扬声器都工作在平坦的音响曲线之内,使整个放音系统取得更小的失真和更好的均衡的音质。

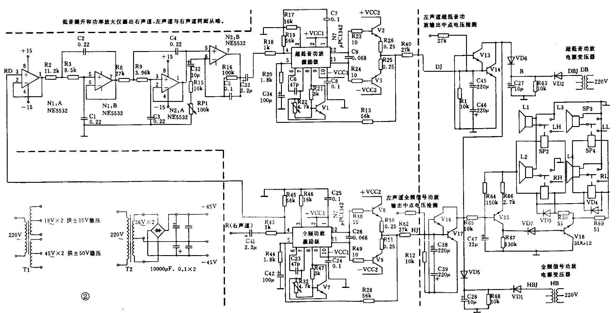
图2是4路功放的电气原理图,其中低音提升和功放电路只画出右声道,左声道与右声道相同而从略。重低音提升前级采用电子滤波,避免超低音功率分频时大电感线圈带来的音染和失真,使低音更富弹性。NE5532的一路N1:A为输入缓冲,另一路N1:B和另一只NE5532的一路N2:A担任电子滤波,滤波斜度24dB/oct,截止频率定为70Hz。若要改变截止频率,可另行计算R2(1.0824/2πfc)、 R3(0.9329/2πfc)、 R8(2.6130/2πfc)、 R9(0.3827/2πfc)的数据,计算出的结果可通过串并联得到最接近的阻值。N2:B担任超重低音提升,调节电位器RP1可调节超重低音的提升量。低音提升电源由变压器T1双18V绕组和三端稳压LM7815,LM7915提供正负15V电压,原理图略。低音提升电路,针对多数音箱100Hz以下响度急剧衰减和人耳对超低音听觉较弱的特点,只对100Hz以下的超低音进行提升,故截止频率定在70Hz,目的在于提升超低音但不滥用超低音,使音响趋近于均衡和自然。

4路功放中,左右声道的全频信号分别直接送给另外两路功率放大器进行放大。功率放大激励级采用日本NEC公司生产的宽带超低失真音响驱动集成电路μPC1342,它的外围元件少,具有很高的性能指标,改变电源电压,推动功率为50~128W。由μPC1342驱动大功率晶体管组成的功率放大器可以很容易的获得100W的低失真输出功率。
功率放大器说明以右声道超重低音功放为例加以说明。组装时,末级大功率晶体管可以采用市面上常见的东芝、三肯大功率对管,需要输出较大的功率时,末级可以使用两对大功率晶体管并联。安装时,V1应靠近功率管散热器。C6是消振电容。调节R22,使输出级静态电流值在100~900mA之间(根据个人的喜好和功率晶体管、散热器的大小决定),增大静态电流,末级功放则工作于甲乙类状态。μPC1342工作电压较高,为使其长期安全的工作,应加装散热器,专门为此加工的散热器尺寸:宽30mm,厚25mm,高50mm。μPC1342和散热器之间以及功率管与散热器之间涂以新型的不含硅导热脂(可避免硬化,炭化)以降低热阻。
功放末级电源(见图2),市电经变压器T2再整流、滤波后提供,电压以不超过正负45V为好,避免散热器温升过高。激励级μPC1342的电源与末级可以共用一组正负45V电源,即VCC1和VCC2相连接。但为了减少残留噪声,得到更好的音质并使电路工作更加安全,激励级μPC1342最好单独使用稳压电源。如果功率放大器末级电源电压选用正负45V,激励级电源电压可选正负50V,如果不需要这么大的功率,则可降低电源电压。图2中的变压器T1,45V×2供动放激励级LM317/337稳压,18V×2供LM7815/7915三端稳压,对超重低音提升及扬声器保护部分提供电源,为此设计的激励电源线路板,板上电源主要由LM317/337三端稳压集成块加稳压管TL431构成,输出电压可调范围25~27V,板上预留了LM317/337三端稳压散热器的位置。激励级电源原理图略。音响系统中昂贵的扬声器需要保护,为此功放配备完善的扬声器保护电路。保护电路具有输出中点直流电压检测,开机延时,关机保护,断电保护功能。电路可选用爱好者手里常用的分离元件。保护电路的电源取自LM7815正15V。扬声器保护用继电器采用4只优质的单刀双掷继电器,继电器工作电压DC12V,10A的触点负载,接触电阻小于l00mΩ,机械寿命5×10\(^{6}\),获得美国和德国质量认证。两只这样的继电器,售价只有双刀双掷5A触点容量继电器售价的一半,其性价比十分优良。晶体管三极管除继电器驱动最好使用中功率晶体管外,其它晶体管无特殊要求,稳压管VD1稳压值为6V,电容C27,C28耐压应大于50V。
4路功放的超重低音采用两只独立的音箱,3D功放则只加装一只超低音箱,扬声器尺寸最好不要小于12英寸。
3D功放
3D功放由左右声道功放加一路超重低音功放构成。此3D功放中的左右声道的低音信号经低通电子滤波,再经混合放大后由一路功率放大器和超重低音箱输出,原理框图见图3(未画扬声器保护部分)。

3D功放和4声道功放相比,除功率放大器是三路,扬声器保护是三只继电器外,主要区别在于超低音提升电路。3D功放低音提升的电路原理图见图4:其中左右声道的低音波信号经电阻R3,R12输入给NE5532的一路N2:B,由N2:B进行混合放大,放大后的超重低音信号经N4:B阻抗变换后输出,调节电位器RP1,可以调节超量低音的提升量。3D功放的功率放大器和扬声器保护的电气原理与4路功放介绍的电路相同,这里略去原理图。

双声道功率放大器
双声道功放原理框图见图5:它的特点是左右声道超低音信号分别经低通滤波、低音提升,提升后的超重低音信号再与各自声道的全频信号混合输出给各自的功率放大器,左右声道功率放大器输出给左右声道的音箱,在音箱上得到低音加重后的全频信号的音响输出。

双声道超重低音提升电气原理图见图6:图中N1:A和N1:B担任电子滤波,滤波斜率24dB/oct,截止频率为70Hz。N2:A对超低音进行提升,RP1是重低音调节电位器,N2:B将输入的全频信号与超重低音信号混合后输出给功率放大器。电路只画出一个声道,另一声道相同。为满足已有功放单独需要双声道超重低音提升电路的爱好者使用,单独设计的双声道超重低音印制线路板上包括了正负15V电源电路,以及在线路板上焊接安装的小型变压器的位置,使用时,在功放输入信号线前将该板串接进去,不需另外接线。

双声道功放扬声器保护部分,采用左右声道中点电压独立检测,可避免左右声道中点同时出现相反电压时相互抵消的现象,保护继电器则只用两只,其它部分的电气原理与4功放和3D功放的扬声器保护电路相同。双声道功率放大器原理同上,原理图略。另外单独设计的4路扬声器保护印制线路板,板上含三端稳压+15V电源电路,可以实现4路扬声器保护。继电器少装一只或两只,则用于3D功放和双声道功放的扬声器保护。线路板应用有较强的灵活性,原理同图2。
4路功放,3D功放和双声道功放线路板幅面较大,不再刊登。三款功放线路板上均包括有源电子滤波,超重低音提升,功率放大,扬声器保护以及正负15V稳压电源电路(不合功放激励级电源电路),板上预留了μPC1342和LM7815的散热器位置。
上面几款功放电路,爱好者可灵活使用。如已有双声道功放,要加装3D功放,选用上面的3D线路,左右功放元器件不用就可以了;已有双声道功放,加装左右声道超重低音,选用上面的双声道功放电路,将混合全频电信号的电阻R28(另一声道相同)去掉,电路只输出超重低音电信号,就可直接驱动左右声道两只超量低音扬声器;另外,去掉全频混合信号,将两个声道的重低音电信号由一个运算放大器混合输出,供给一路功放,此双声道功放线路也可很方便的用于3D功放的超重低音。如不要超量低音电路,输入信号直接接μPC1342输入端电容即可。电路的灵活给喜欢在音响方面多作尝试的发烧友提供一些方便,整个电路装调十分容易。功放装调完毕,有条件的爱好者,在功放前面配备一市售的功能齐备质量上乘的前置放大器,作为家庭的影视、音响调控中心,这样,花钱不多,一套自己满意的高品质的前后级放大器就完成了。
为方便爱好者自制,配套元器件平价供邮购,见本刊插页广告。(耿幼北)